Radiator fans not working?

Tiny
SIMON NDHLOVU
  • MEMBER
  • 2009 TOYOTA NADIA
  • 133,000 MILES
Radiator fans not working?
Thursday, January 19th, 2023 AT 2:16 AM

1 Reply

Tiny
KEN L
  • MASTER CERTIFIED MECHANIC
  • 55,488 POSTS
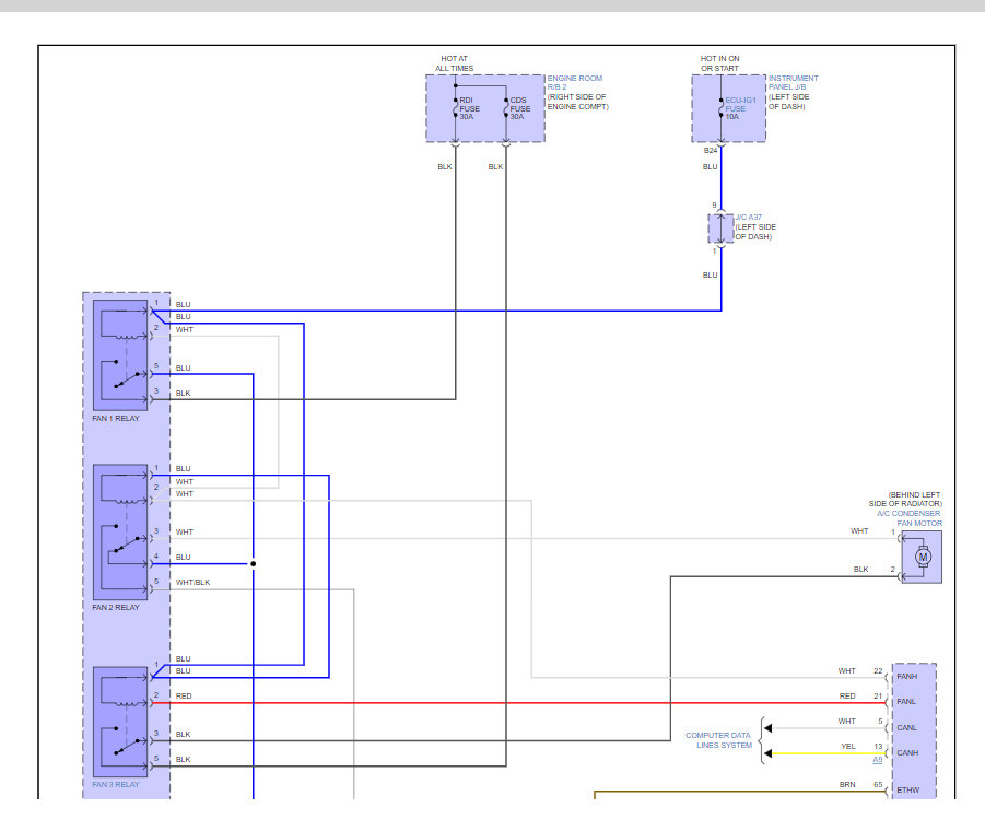
Most of the time it will be a bad fan motor that has popped the fuse, or the relay is overloaded and failed. Here is a guide to help you test the fan motor, but I would check the fuses as well. Also, I have included a wiring diagram for the system so you can see how it works.

https://www.2carpros.com/articles/how-to-check-a-car-fuse

and

https://www.2carpros.com/articles/replace-electric-fan-motor

Check out the images (below). Please let us know what you find. We are interested to see what it is.
Was this
answer
helpful?
Yes
No
+1
Thursday, January 19th, 2023 AT 1:02 PM

Please login or register to post a reply.