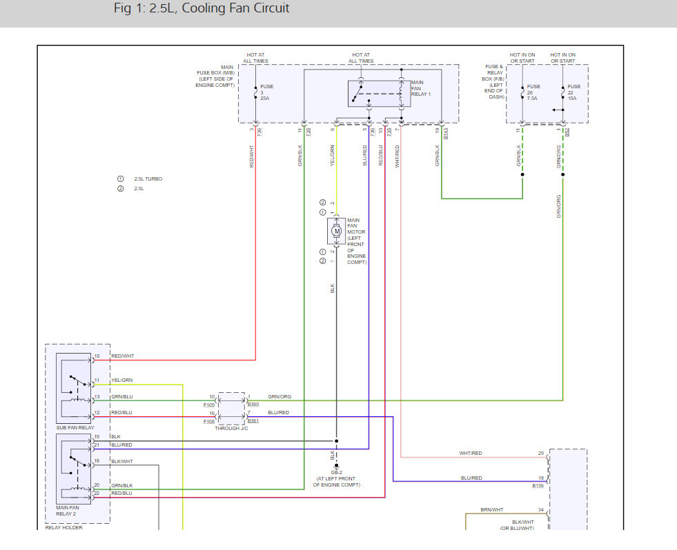
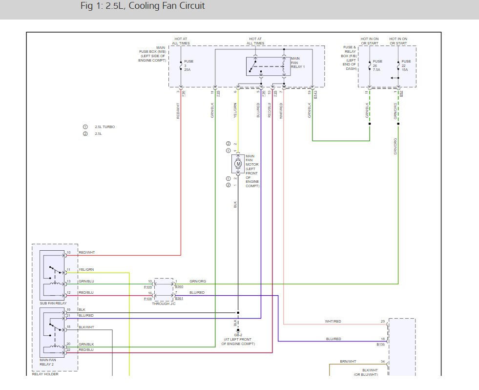
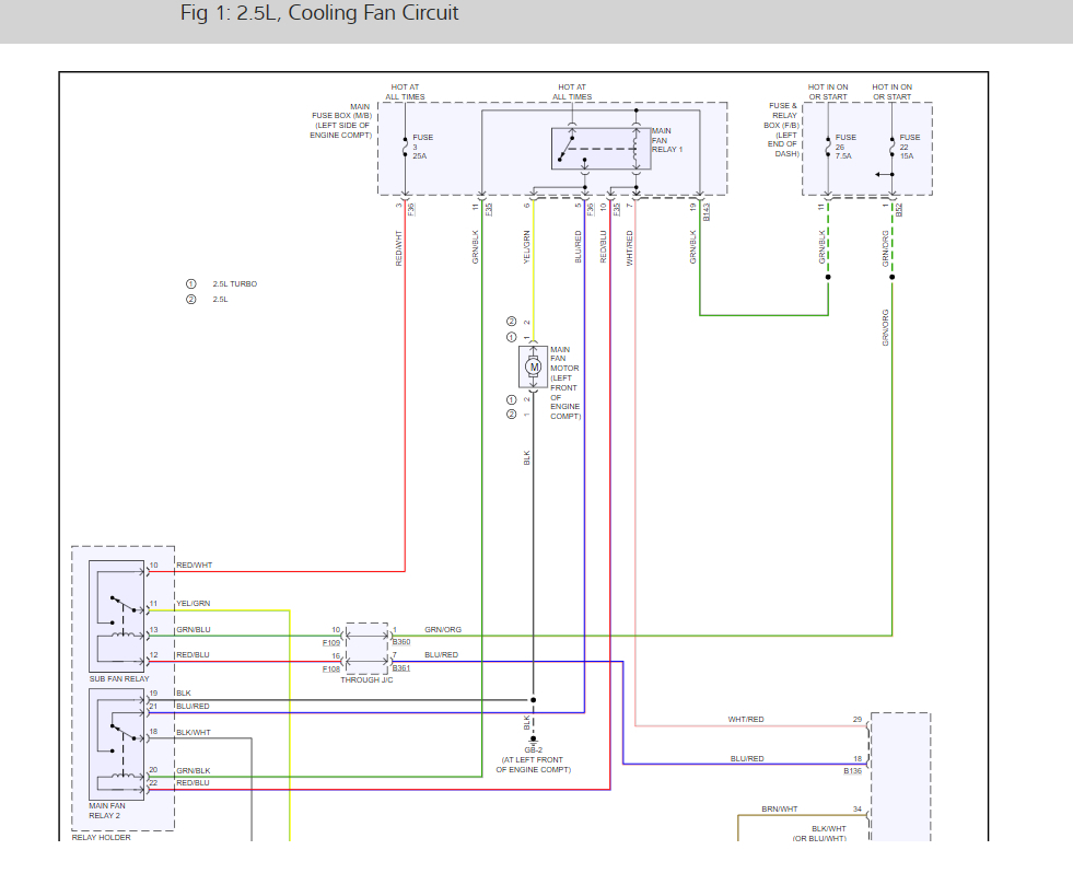
Saturday, October 19th, 2019 AT 6:05 AM
P0483 code came up on my car. My mechanic hasn't seen this code before. My car isn't overheating or anything the only issue is my heater isn't working, the fan won't blow any air. Is there any idea what this might mean I have to fix?









