Fan motor not running

Tiny
JONSOLOW13
  • MEMBER
  • 2001 LEXUS LS 430
  • 4.3L
  • V8
  • 2WD
  • AUTOMATIC
  • 127,000 MILES
Two days ago our vehicle began to run real hot when at a stop light. It cooled right down when we were moving, and we were careful to make sure the engine didn't freeze.

I just checked the fans with the A/C on and the engine running, and the passenger side fan is on but the driver's side fan wasn't running.

I believe this model might have fan relays, so my questions are:
A. Can you list the diagnostic steps to make sure we identify the problem before ordering parts?
B. After making the repair shouldn't we do an oil and filter change as well as flush the radiator and replace the coolant?

Thanks as usual,

Jon
(as soon as the liftgate actuator for our Mazda5 arrives I'll let you know how the r&r went)
Sunday, October 18th, 2020 AT 6:52 PM

8 Replies

Tiny
JACOBANDNICKOLAS
  • MECHANIC
  • 110,194 POSTS
Hi,

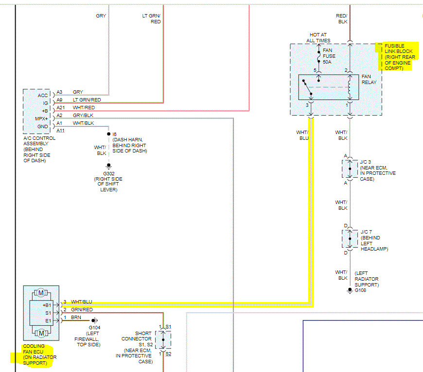
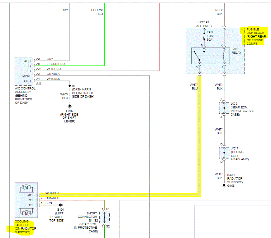
Here are the steps for checking the fan motor relay. The attached pics correlate with the directions.

_________________________________

2001 Lexus LS 430 V8-4.3L (3UZ-FE)
Component Tests and General Diagnostics
Vehicle Engine, Cooling and Exhaust Cooling System Radiator Cooling Fan Radiator Cooling Fan Motor Relay Testing and Inspection Component Tests and General Diagnostics
COMPONENT TESTS AND GENERAL DIAGNOSTICS
INSPECTION

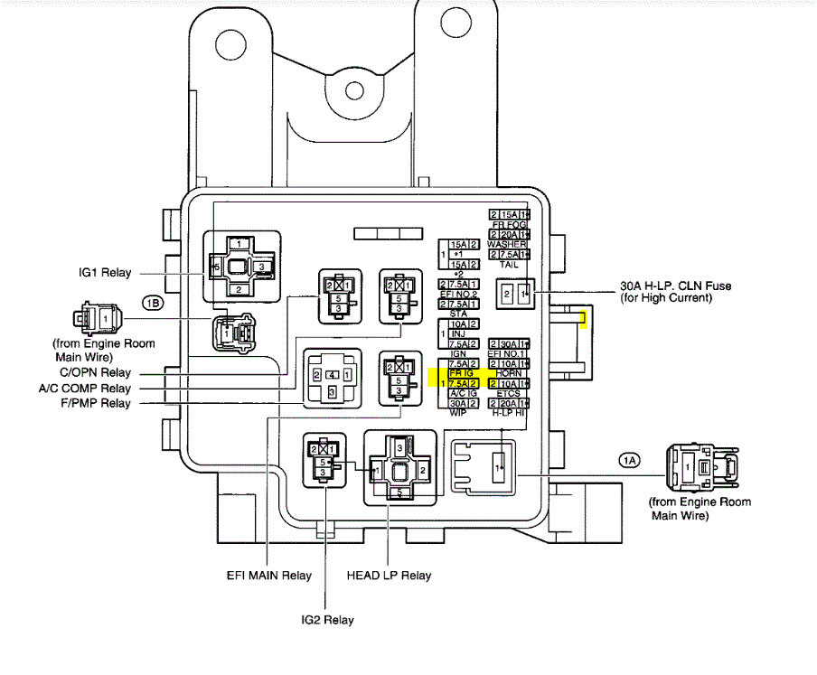
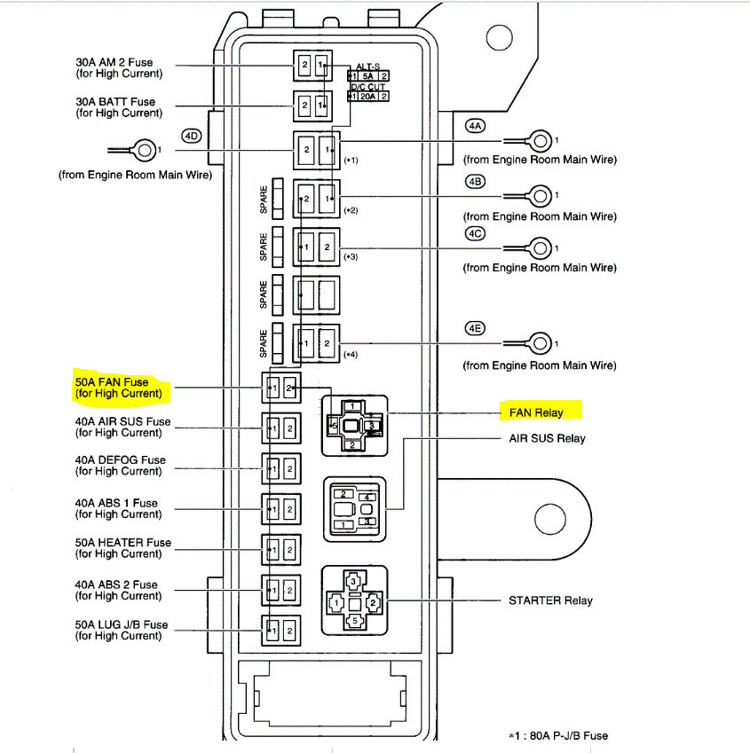
pic 1

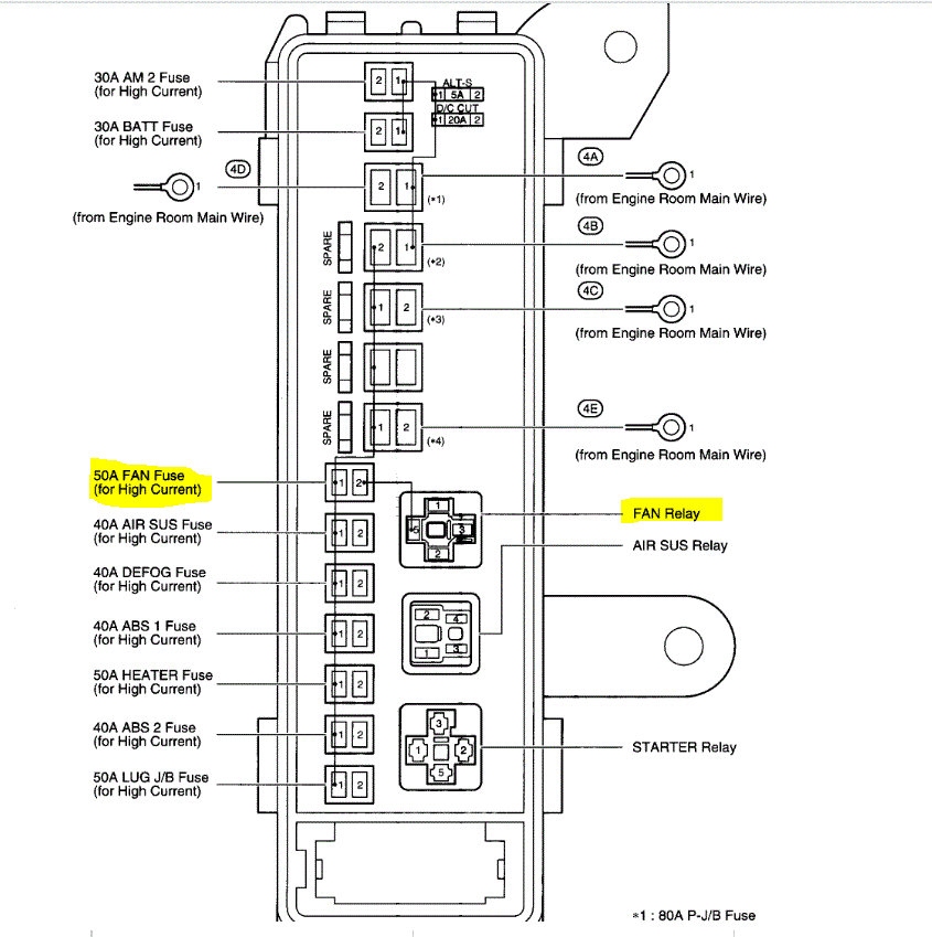
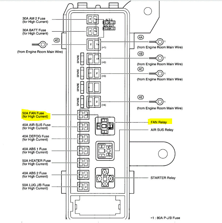
1. REMOVE FUSIBLE LINK BLOCK COVER
2. REMOVE FAN MAIN RELAY

pic 2

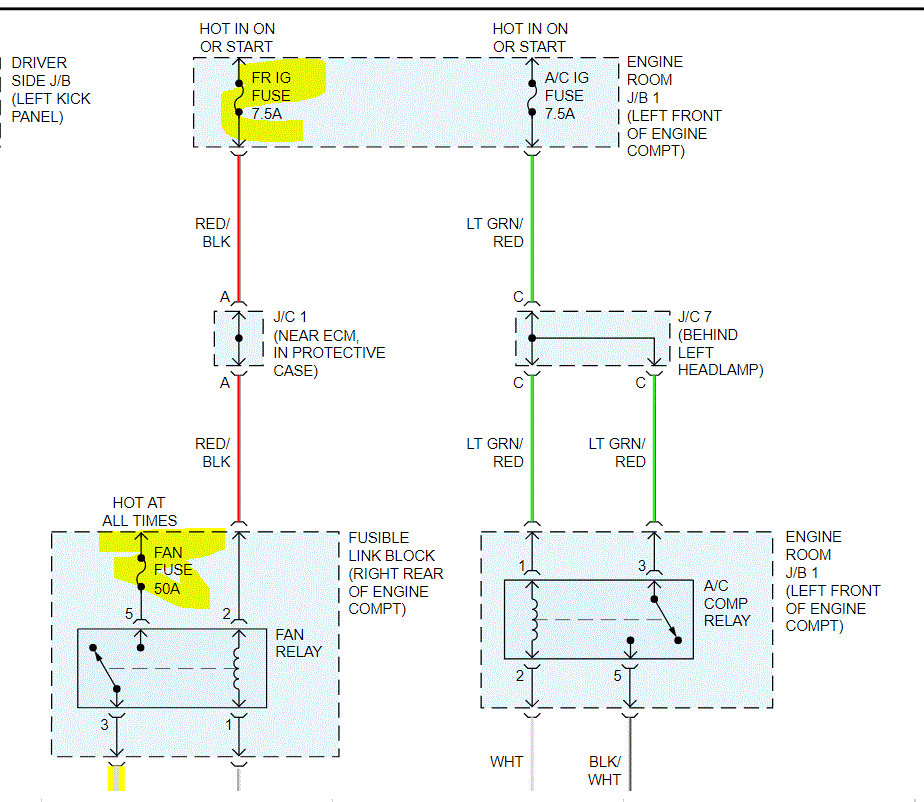
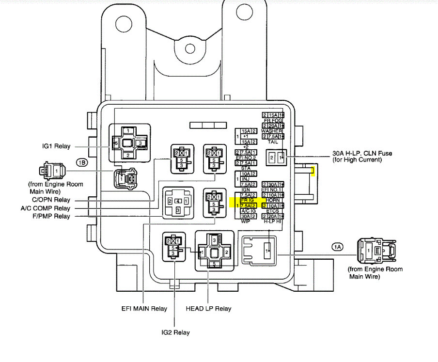
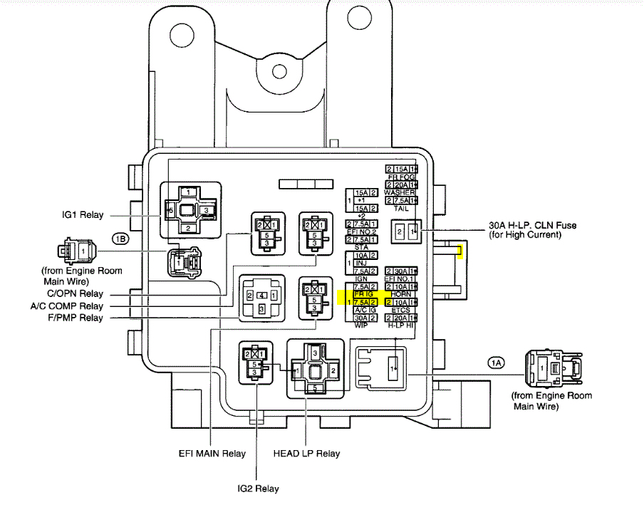
3. INSPECT FAN MAIN RELAY CONTINUITY
a. Using an ohmmeter, check that there is continuity between terminals 1 and 2.
If there is no continuity, replace the relay.
b. Check that there is continuity between terminals 3 and 5.
If there is no continuity, replace the relay.

pic 3

4. INSPECT FAN MAIN RELAY OPERATION
a. Apply battery positive voltage across terminals 1 and 2.
b. Using an ohmmeter, check that there is no continuity between terminals 3 and 5.
If there is no continuity, replace the relay.
5. REINSTALL EFI MAIN RELAY
6. REINSTALL FAN MAIN RELAY
7. REINSTALL FUSIBLE LINK BLOCK COVER

__________________________________

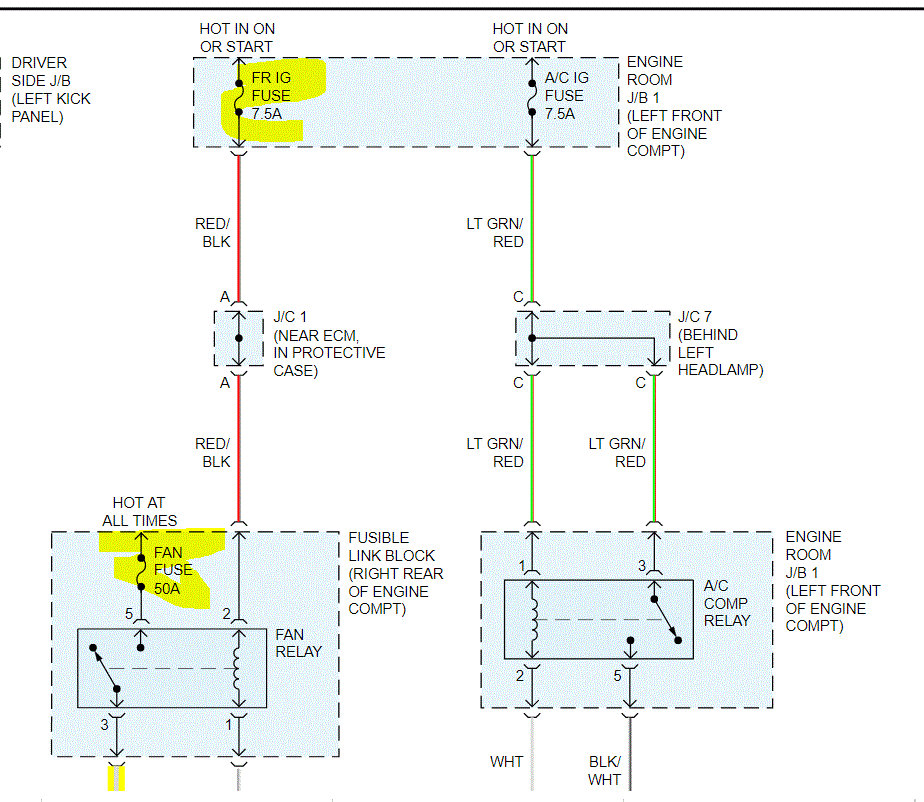
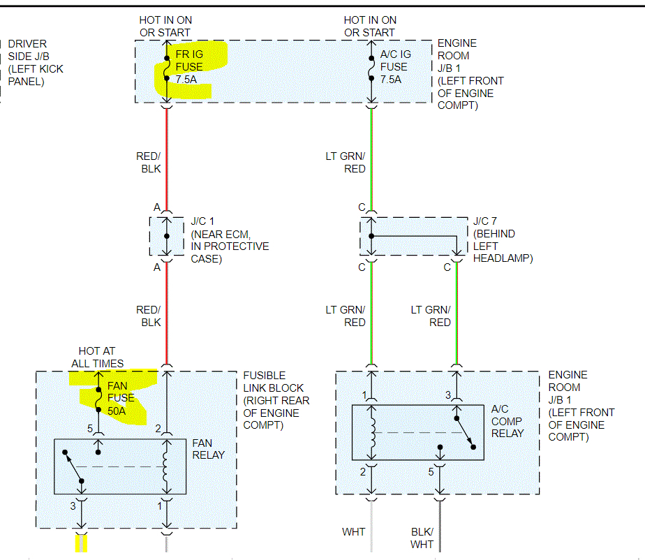
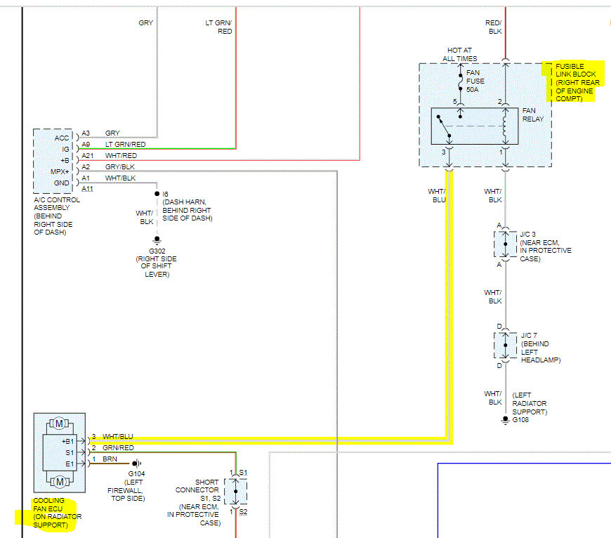
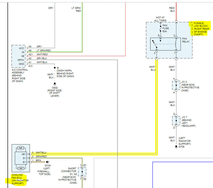
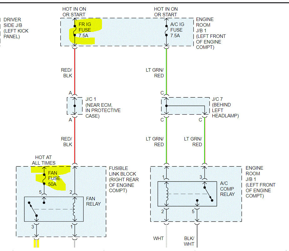
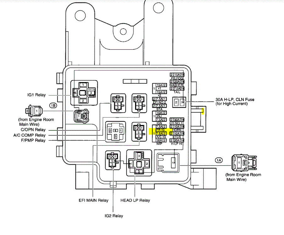
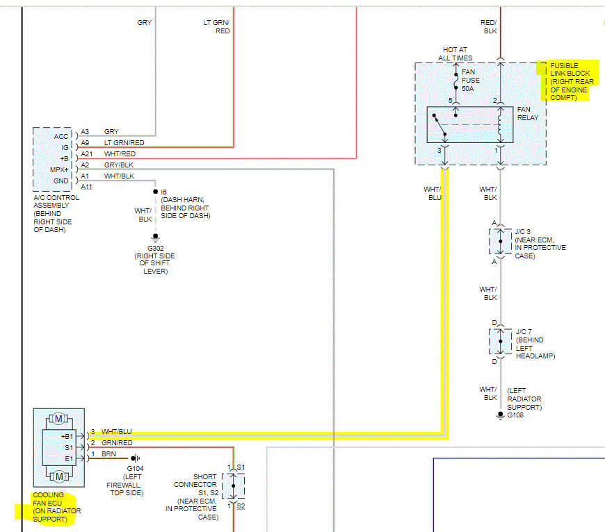
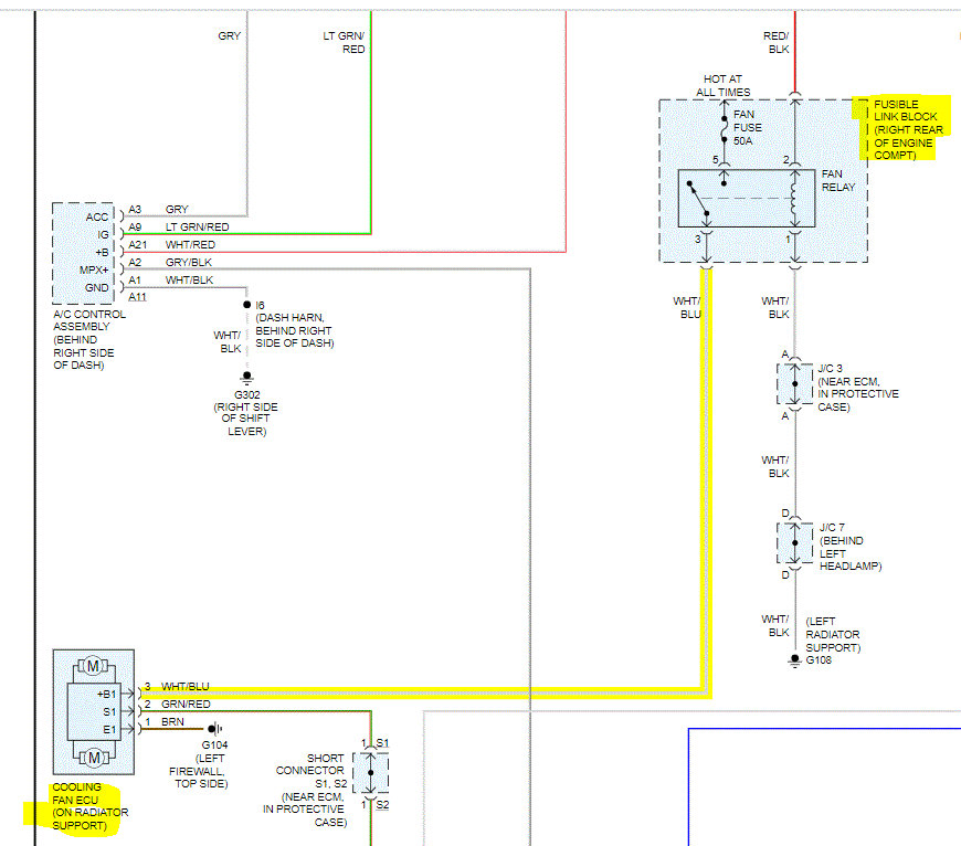
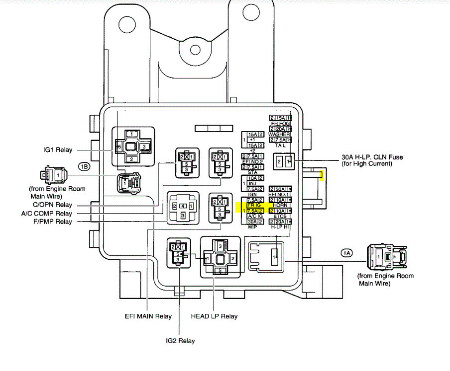
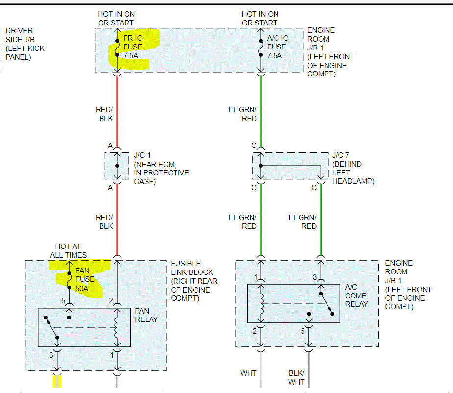
If the relay checks good, confirm there is power to and from the fuses. See the attached pics for fuse and relay location. Both are under the hood. The relay is in the fusible link box and the fuse (7.5 amp) is in the number 1 junction box (left side of engine compartment).

Here are a couple links you may find helpful:

https://www.2carpros.com/articles/how-to-check-a-car-fuse

https://www.2carpros.com/articles/how-to-check-an-electrical-relay-and-wiring-control-circuit

Note if there is power making it to the fan motor, suspect the motor is bad.

Let me know if this helps and what you find.

Take care,

Joe
Was this
answer
helpful?
Yes
No
+1
Sunday, October 18th, 2020 AT 7:32 PM
Tiny
JONSOLOW13
  • MEMBER
  • 133 POSTS
So, we determined that the driver's side cooling fan motor is not functioning. Did it by using an external battery to test at the fan's connector, and validated by proving the passenger's side cooling fan worked (fan #2). Hard to believe the part is so expensive ($250.00 is the cheapest I could find, needs to be Lexus part only, bummer). Can you send me the remove and replace directions, with pictures?

As usual, many thanks- you guys are amazing.

Jon
Was this
answer
helpful?
Yes
No
Monday, October 19th, 2020 AT 8:17 AM
Tiny
JACOBANDNICKOLAS
  • MECHANIC
  • 110,194 POSTS
Hi,

No problem. Here are the directions. The attached pics correlate with the directions.

______________________________

2001 Lexus LS 430 V8-4.3L (3UZ-FE)
Procedures
Vehicle Engine, Cooling and Exhaust Cooling System Radiator Cooling Fan Radiator Cooling Fan Motor Service and Repair Procedures
PROCEDURES

pic 1

REMOVAL
1. DRAIN ENGINE COOLANT FROM RADIATOR

HINT: It is not to drain out all coolant.

2. REMOVE AIR INLET DUCT
3. REMOVE AIR CLEANER ASSEMBLY
4. DISCONNECT RADIATOR UPPER HOSE

pic 2

5. REMOVE CONDENSER FAN
a. Disconnect the connector.
B. Remove the 6 bolts and fan.
Torque: 5.0 Nm (50 kgf-cm, 44 inch lbs.)

DISASSEMBLY
1. REMOVE COOLING FAN COMPUTER

pic 3

a. Disconnect the connectors.
B. Remove the 3 screws and computer.

Pic 4

c. Disconnect the connectors.

Pic 5

2. REMOVE FAN AND MOTOR
a. Remove the 2 nuts and 2 fans.
B. Remove the 6 screws and 2 motors.

REASSEMBLY
Reassembly is in the reverse order of disassembly.

INSTALLATION
Installation is in the reverse order of removal.

_______________________________

I hope this helps. Let me know if you have other questions.

Take care,
Joe
Was this
answer
helpful?
Yes
No
+1
Monday, October 19th, 2020 AT 7:32 PM
Tiny
JONSOLOW13
  • MEMBER
  • 133 POSTS
To continue (darn computer) we tried drying out the connecters with a spray can that uses Freon. Finally, we injected starting fluid into the air intake and the car started. So we believe the fuel relay/ system is not running correctly. Fact is before we replaced the fan motor the car ran just fine.

Another friend suggested there might be 3 identical relays (one being the fuel pump relay) so we could try switching one of them to see if that makes a difference.

Right now the car is sitting in a garage with the hood open, and I was planning to get back to it later this evening.

Could you send me a picture showing the location of the fuel relay and the other two relays? Finally, we're open to any other suggestion.

Thanks again as usual.

Jon
Was this
answer
helpful?
Yes
No
Friday, October 23rd, 2020 AT 1:12 PM
Tiny
JACOBANDNICKOLAS
  • MECHANIC
  • 110,194 POSTS
Hi,

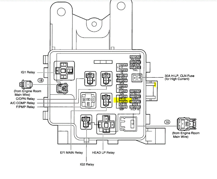
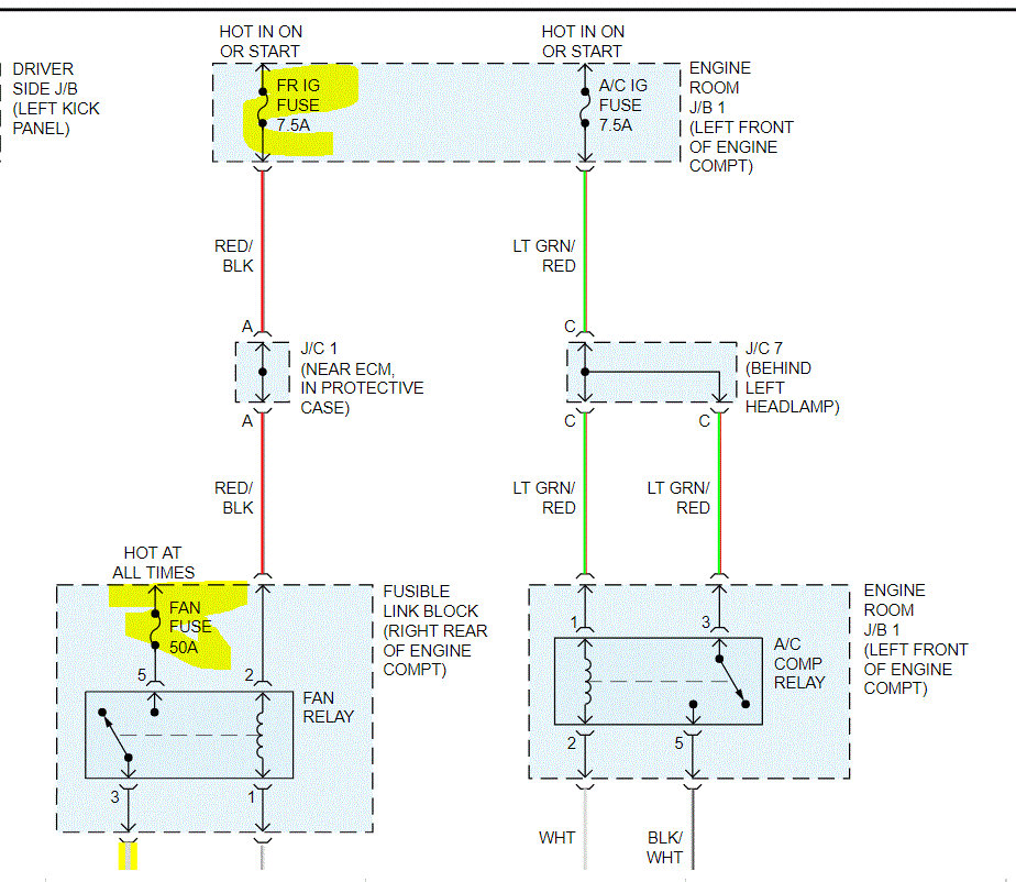
I attached a pic of the fuel pump relay location. Which other two are you referring to?

Joe
Was this
answer
helpful?
Yes
No
Friday, October 23rd, 2020 AT 9:22 PM
Tiny
JONSOLOW13
  • MEMBER
  • 133 POSTS
For some reason the first part of my email to you in the last question never got sent and I can't find it. So here is my question: when we replaced the driver's side cooling fan the car was outside of the garage and it started raining when we have the hood open and the ECU next to the radiator uncovered. When we returned to finish putting the radiator and fan shroud back together the car would not start. The only time we could get it is start what's pie pudding starting fluid into the air intake and it would fire. Hooking up a diagnostic computer get an error code and will not read so we have reason to believe the ECU or ECM is somehow involved. Would you have any ideas on how to diagnose this besides taking the car to the Lexus dealer.
Was this
answer
helpful?
Yes
No
Sunday, October 25th, 2020 AT 5:36 AM
Tiny
JONSOLOW13
  • MEMBER
  • 133 POSTS
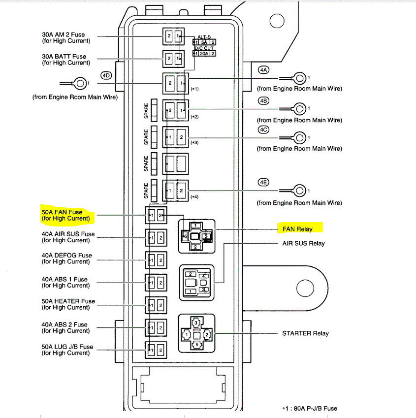
My mechanic friend did some research and thinks we may have blown a fuse to the ECU. Could you send a diagram for the 2001 Lexus LS430 showing the location of the fuse for the ECU? Thanks so much.
Was this
answer
helpful?
Yes
No
Sunday, October 25th, 2020 AT 10:47 AM
Tiny
JACOBANDNICKOLAS
  • MECHANIC
  • 110,194 POSTS
Hi,

Take a look at the attached pic and let me know if that is what you needed.

Take care,
Joe
Was this
answer
helpful?
Yes
No
Sunday, October 25th, 2020 AT 7:03 PM

Please login or register to post a reply.