Factory stereo wiring harness color code

Tiny
FOXBODYJ
  • MEMBER
  • 2001 CHRYSLER SEBRING
  • 3.0L
  • V6
  • 2WD
  • AUTOMATIC
  • 154,000 MILES
I have the LXI coupe model built in November of 2001 with the infinity sound system and Mitsubishi 3.0 motor. My stereo was recently stolen and the factory wiring harness plug was cut off, I need to know what wires are what so I can put another aftermarket stereo back in. Everything I have researched shows wires that I do not have. The wires in my dash are; grey/red, green/white, white/red, black/red, white/black, yellow/red, yellow/green, grey/blue, white/purple, white/blue, black/blue, red/white, black/yellow, and black. Please help me!
Monday, December 25th, 2017 AT 6:43 PM

23 Replies

Tiny
IMPALASS
  • MECHANIC
  • 3,112 POSTS
Hello, I am very sorry to hear what happened to your radio. I wanted to provide a few things for you. I was not sure if you had an amplifier, so here is the wiring for both. With that, if you have not purchased your radio yet, may I suggest using Crutchfield. https://www.crutchfield.com/ 1-800-619-4234 This company is great. They will send you everything. Wiring diagrams, wiring harnesses, pictures and information on how to remove your dash panels, door panels, anything that you will need to do this job. That in itself is amazing. However, they also provide Technical advice for free. If you have any problems or questions, they work you through it. I replace a stereo and all door speakers in a Dodge 1500. The truck had amplifiers on the speakers. The speakers going in did not. Two technicians worked with me, emailing me additional information. One of them even called me back for a follow up to ensure I did not have any other problems. Great company. Again, sorry to hear - best of luck.
Was this
answer
helpful?
Yes
No
+2
Monday, December 25th, 2017 AT 11:46 PM
Tiny
FOXBODYJ
  • MEMBER
  • 9 POSTS
Thank you so much! I do have a factory amp under the passenger seat as well. I am installing another amp and sub-woofers in the car too. I believe that I have matched all the wires except the orange one, I am not seeing anything orange though, just the colors that I listed previously. Does that make any sense to you?
Was this
answer
helpful?
Yes
No
-1
Tuesday, December 26th, 2017 AT 1:33 AM
Tiny
IMPALASS
  • MECHANIC
  • 3,112 POSTS
I will certainly check for you. I am not near my information but will be in a little bit. I apologize for the delay but will get back to you as quick as I can.
Was this
answer
helpful?
Yes
No
-1
Tuesday, December 26th, 2017 AT 9:40 AM
Tiny
IMPALASS
  • MECHANIC
  • 3,112 POSTS
I can try to contact one of the other moderators to assist if you need an immediate answer.
Was this
answer
helpful?
Yes
No
Tuesday, December 26th, 2017 AT 9:42 AM
Tiny
FOXBODYJ
  • MEMBER
  • 9 POSTS
No big big rush but could use it within an hour or two. Thanks so much again. Very appreciated.
Was this
answer
helpful?
Yes
No
Tuesday, December 26th, 2017 AT 9:52 AM
Tiny
IMPALASS
  • MECHANIC
  • 3,112 POSTS
Okay. Thanks.
Was this
answer
helpful?
Yes
No
Tuesday, December 26th, 2017 AT 10:10 AM
Tiny
IMPALASS
  • MECHANIC
  • 3,112 POSTS
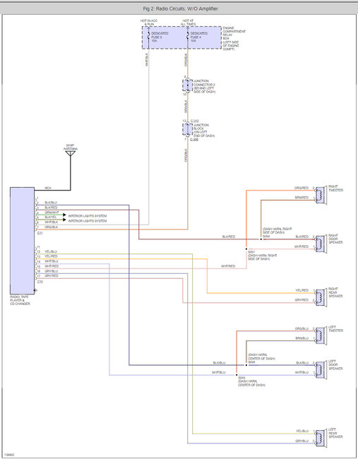
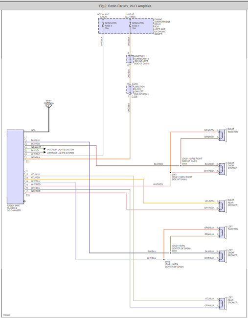
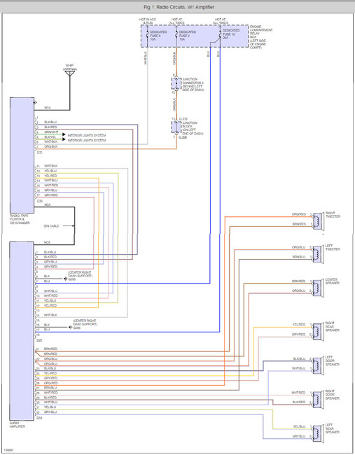
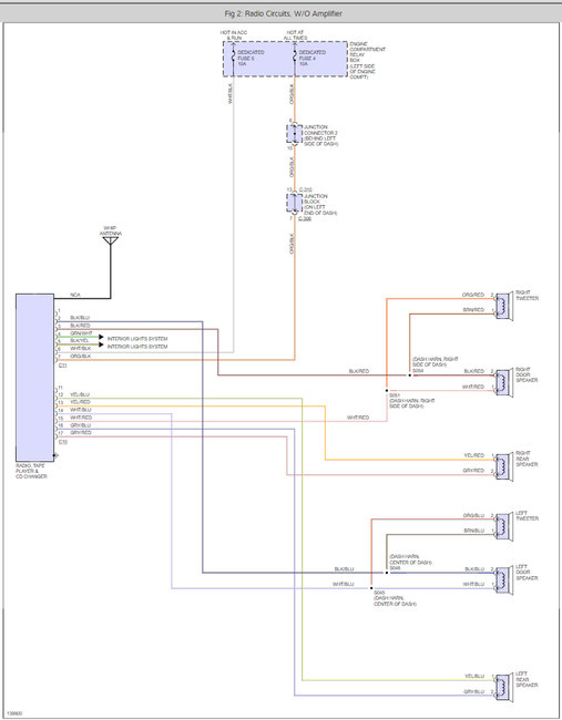
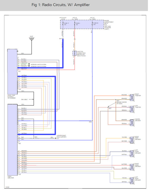
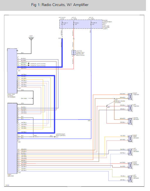
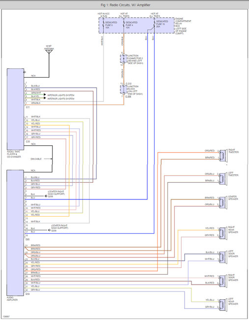
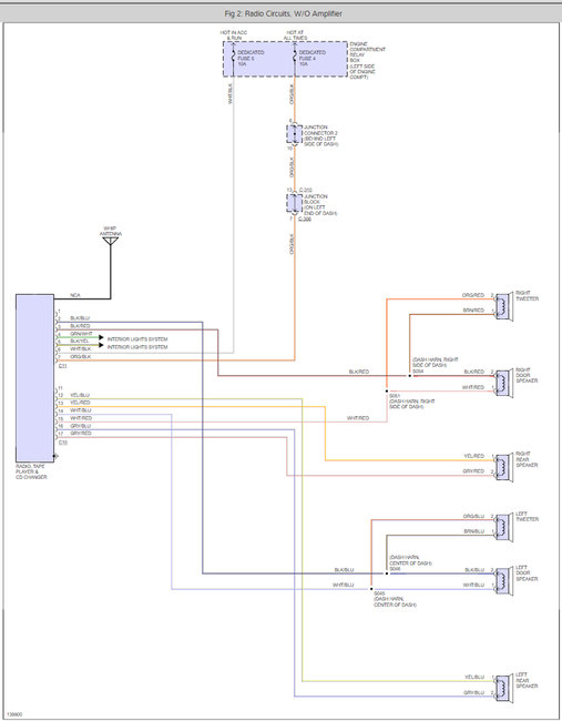
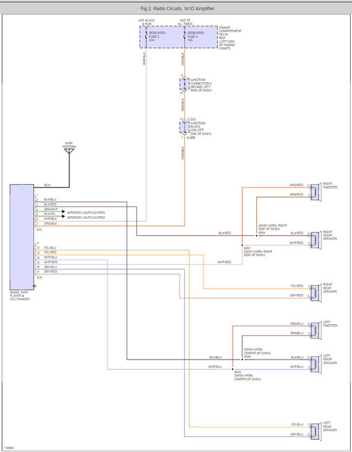
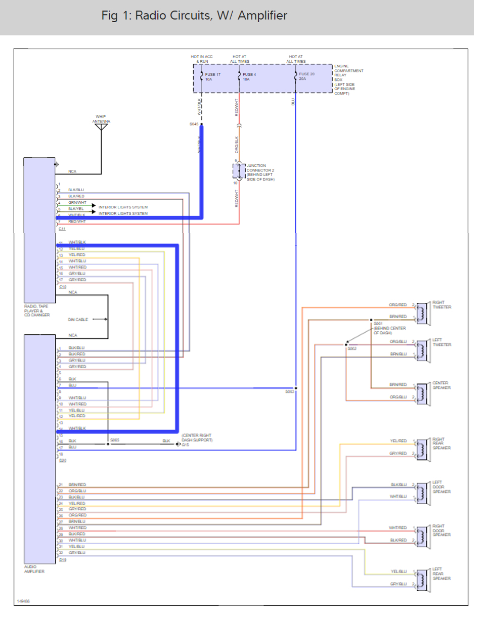
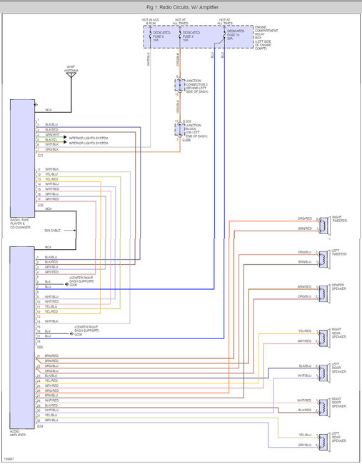
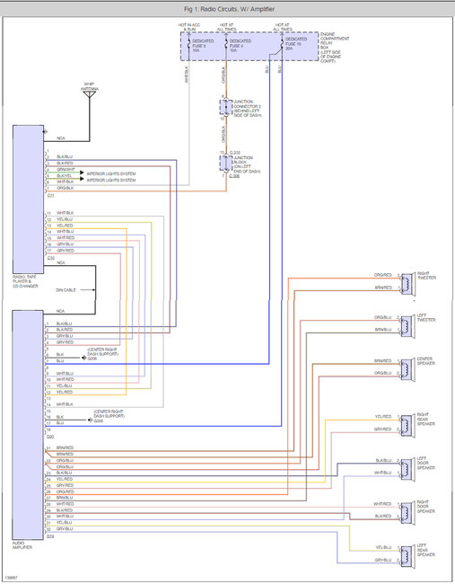
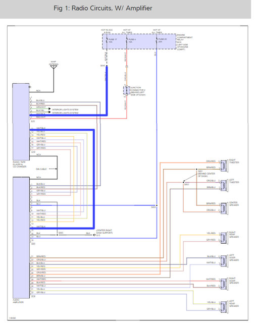
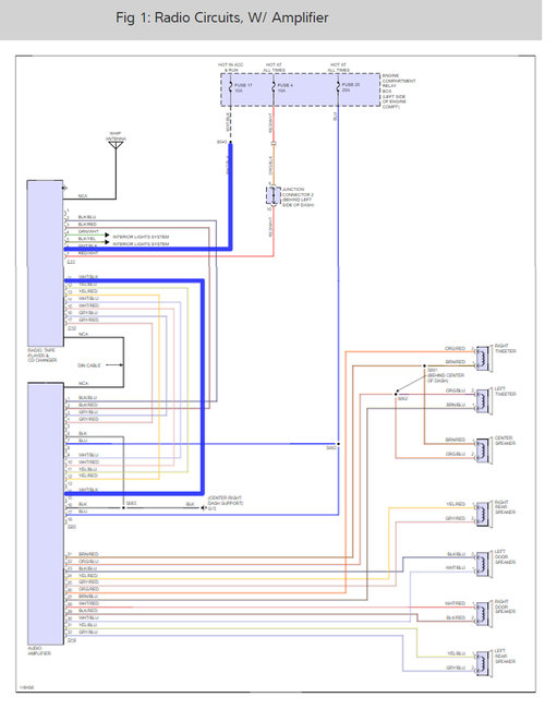
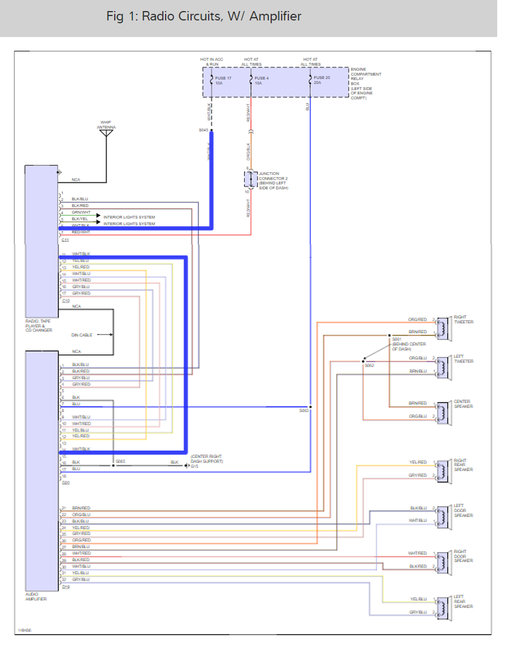
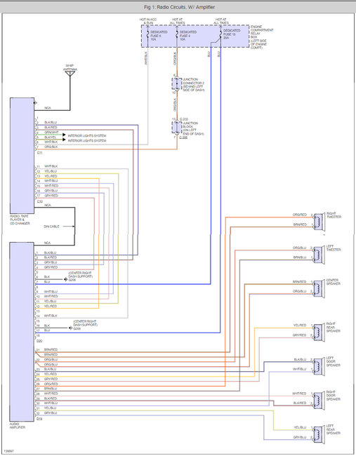
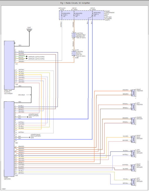
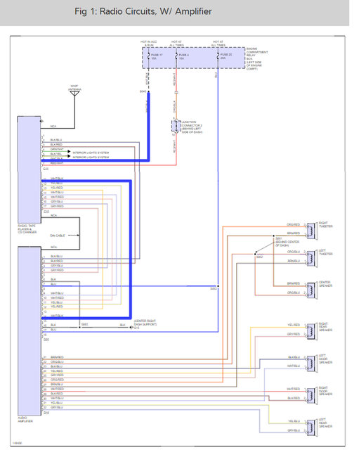
Hello. Thanks for waiting and the information on having an amplifier. It is possible the wire is a little worn or hard to see? Are you sure it is not orange with a black tracer? I show that coming out of the radio, thus, the main plug. That goes to the junction block on the left end of the dash. Then to another connector and is the dedicated fuse number 4, 10A at the engine compartment relay box left side of the engine compartment. It is hot always. It is the one that keeps the memory for the radio when the car is shut off.

Besides the orange with black tracer, it looks like you have an orange/red tracer going to the right tweeter, orange/blue tracer going to the left tweeter and another orange/blue all going to the amplifier. So, you might look at the amp, and locate those, then again, sometimes the tracers are hard to see.

Try taking a meter and put on the orange, then pull the fuse. If power drops, then there you go. That is your constant power to keep the memory of the radio. Let me know how it goes.

I have attached several pictures for you as well.
Was this
answer
helpful?
Yes
No
+4
Tuesday, December 26th, 2017 AT 1:50 PM
Tiny
FOXBODYJ
  • MEMBER
  • 9 POSTS
Thanks so much, I will let you know how it goes.
Was this
answer
helpful?
Yes
No
+1
Tuesday, December 26th, 2017 AT 2:18 PM
Tiny
FOXBODYJ
  • MEMBER
  • 9 POSTS
Well, ends up that the red/white wire is constant twelve volts, white/black is switch, green/white is illuminate, black/yellow is dimmer. I used a meter to check the others and when using the ohm setting the white/black registers, no others do. Would this be for the factory amp turn on and if so how is that connected at the stereo plug? Should the dimmer be capped since I do not have a dimmer connection on the stereo?
Was this
answer
helpful?
Yes
No
-1
Tuesday, December 26th, 2017 AT 7:39 PM
Tiny
IMPALASS
  • MECHANIC
  • 3,112 POSTS
I apologize up front, I may not understand what you are saying, so please understand my questions are to make sure I do. Also, I don’t have the Radio Plug side to view, only the vehicle side. So, we are saying the same thing, when I say BLK/BLU, to mean that means the wire is a solid color black with a blue tracer on it. I underlined what you were saying on the wires in my answer. What model radio did you get?

“I used a meter to check the others and when using the ohm setting” To check for 12V you need to have the meter on DC, volt. That way you know the hot. As you know, Ohm is only read with no power.

This is what I see on the vehicle side connector C11
Pin 1 Blank not used
Pin 2 BLK/BLU Goes to the amplifier
Pin 3 BLK/RED Goes to the amplifier
Pin 4 GRN/WHT - “green/white is illuminate” - Hot when the lights are turned on for illumination.
Pin 5 BLK/YEL - “black/yellow is dimmer” - Hot when the lights turn on for illumination.
Pin 6 WHT/BLK - “white/black is switch” - This should only show 12V with key on as you have.
Pin 7 ORG/BLK - Hot all the time so this will show 12V with the key off.

This is what I see on the vehicle side connector C10 to C20 that goes to the amplifier.
Pin 11 WHT/BLK To the amplifier
Pin 12 YEL/BLU To the amplifier
Pin 13 YEL/RED To the amplifier
Pin 14 WHT/BLU - To the amplifier
Pin 15 WHT/RED - To the amplifier
Pin 16 GRY/BLU - To the amplifier
Pin 17 GRY/RED - To the amplifier

“red/white wire is constant twelve volts” I don’t see a red/white wire, I show a white/red WHT/RED wire that goes from one of the radio connectors to the amp. I think you are reading the amp wire

Let me know if this helps. I want to make sure we are looking at the same thing.
Was this
answer
helpful?
Yes
No
Wednesday, December 27th, 2017 AT 4:33 PM
Tiny
IMPALASS
  • MECHANIC
  • 3,112 POSTS
I may have understood the information you sent on you used Ohm to check the wires, so I attached this just in case.

https://www.2carpros.com/articles/how-to-use-a-voltmeter
https://www.2carpros.com/articles/how-to-check-wiring
Was this
answer
helpful?
Yes
No
Wednesday, December 27th, 2017 AT 4:53 PM
Tiny
IMPALASS
  • MECHANIC
  • 3,112 POSTS
Hello-was doing a follow-up to see how things were progressing
Was this
answer
helpful?
Yes
No
Friday, December 29th, 2017 AT 2:25 AM
Tiny
FOXBODYJ
  • MEMBER
  • 9 POSTS
Hello, sorry it took so long to respond.
You were correct about how I listed the wires, here's what wires I have in the stereo cavity again; black w/red tracer, black w/blue tracer, white w/black tracer, white w/red tracer, yellow w/red tracer, yellow w/blue tracer, grey w/blue tracer, grey w/red tracer, red w/white tracer (checked 12V constant), green w/white tracer (checked illum.), Another white w/black tracer (checked 12V switch), black w/yellow tracer (checked as dimmer), white w/blue tracer. I tried to attach a video but wouldn't allow me too. I am 100% positive that the wire colors listed above are accurate as well as the list itself, ie 2 white w/black tracer wires, no orange wire period. Car should be listed as 2002 Sebring LXI hardtop coupe, factory infinity surround with factory amp, 3.0 Mitsubishi motor & Mitsubishi stock stereo. Hope this clears everything up & hopefully gets us the info I'm so desperately needing! Thank you again
Was this
answer
helpful?
Yes
No
+1
Saturday, December 30th, 2017 AT 7:44 PM
Tiny
IMPALASS
  • MECHANIC
  • 3,112 POSTS
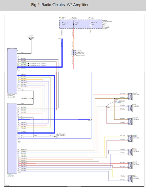
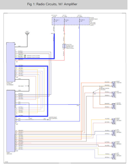
Hello I apologize if you were getting frustrated and it has dragged out. Looks the same.......99%. I attached the pic we have in the manuals. Yes, you are correct... No orange going into the radio connector.

If you look at the pic comes out of the fuse RED/WHT, changes to ORG/BLK, not sure why, then out of that junction box back to RED/WHT. So as far as I can see and what you are saying, you should be good.

Earlier you asked about: ”Should the dimmer be capped since I do not have a dimmer connection on the stereo?” For me, any wire not used needs to be. I clip the very end, so no bare wire is hanging out. Then either put tape or heat shrink to seal the end. That way when the car is bouncing around there shouldn’t be any chance of anything touching.

Hope this gets you there and have a Happy New Year.
Was this
answer
helpful?
Yes
No
+2
Sunday, December 31st, 2017 AT 11:56 PM
Tiny
FOXBODYJ
  • MEMBER
  • 9 POSTS
Glad we got that situated, one more question & hopefully the last lol. The 2nd white w/black wire, what is its function? I'm guessing it's the factory amp turn-on, if so does it get hooked to the switch with the aftermarket remote also?
Was this
answer
helpful?
Yes
No
Monday, January 1st, 2018 AT 9:57 AM
Tiny
FOXBODYJ
  • MEMBER
  • 9 POSTS
Hello,
Was wondering if you had made any further dicoveries on our wiring issues & if you were able to find out anything about my last inquiry? Hope your having a good start in this new year as well. Thanks
Was this
answer
helpful?
Yes
No
Thursday, January 4th, 2018 AT 11:57 AM
Tiny
IMPALASS
  • MECHANIC
  • 3,112 POSTS
Hello Yes if you look at the attachment The highlighted blue shows that it does go to the amp. For the second part of your question, I am not sure. I will ask one of the other members to see if they can assist.
Was this
answer
helpful?
Yes
No
Thursday, January 4th, 2018 AT 5:34 PM
Tiny
CARADIODOC
  • MECHANIC
  • 34,490 POSTS
Hi guys. I'm here to save the day, ... I hope! Part of the confusion stems from there were two version of this car model, and I always get them mixed up. One is a 100 percent Mitsubishi car with Chrysler's name on it. As I recall, that is the hardtop / LXi model. The other is a Chrysler-built product that is a convertible. Other than being a convertible, it is a twin to the Stratus and Cirrus. The base radio for the domestic version was an AM / FM / cassette radio or a low-end Chrysler-built AM / FM / CD player. The high-end radio in both car models was a Mitsubishi-built AM / FM / CD / cassette combo radio. That radio is by FAR the highest-quality radio I have ever worked on. If that is what you had in your car, there is nothing you can install that will sound better or be easier to use. I used to sell a lot of these for upgrades when people bought a used car and wanted to upgrade from a cassette player to a factory CD player. Even if you don't own a cassette, this is the radio that is most desirable. The high-end AM / FM / CD-only radio was built by Alpine. Those were high-quality too, but Alpine refused to allow Chrysler to sell us their radio service manuals. I had no trouble getting manuals for Chrysler-built or Mitsubishi-built radios.

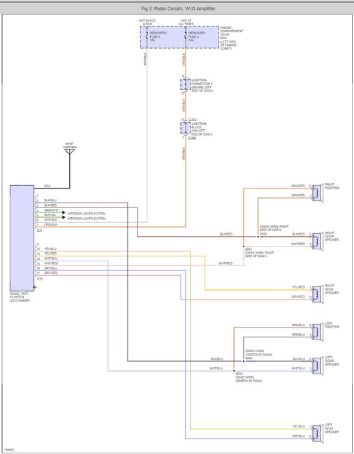
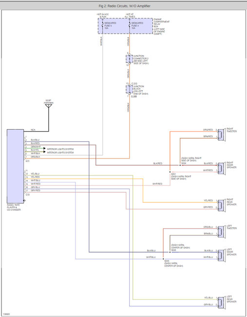
The next part of the confusion, as shown by the four dandy wiring diagrams in the first reply, is 2000 through 2003 is when various car models switched from the common, two-plug radios to the single, white plug with 22 pins. The newer plug has two rows of 11 pins in each row. The older plugs were black and gray, each with seven pins. One pin on the end of each plug isn't used in all applications.

The third variable is the higher-end systems used a remote amp, either under the front passenger seat, as you found, or individual amplifiers mounted on four of the speakers. With GM and Ford systems, when a radio is used with a remote amp, it must be used with an amp, otherwise the volume will be way too low to hear, and when their radio is not used with a remote amp, it can't be used with an amp. GM and Ford have dozens of different radio model numbers every year that look the same but have slight differences inside to match their tone response to the shape of the vehicle. Your chance of getting the correct radio model from a salvage yard is pretty low. The wrong radio will work fine, but a purist can tell the tone response isn't quite right.

All Chrysler radios will work in any vehicle they plug into, regardless if it has an amp or not. Chrysler amps do not increase volume or power. They are strictly for tone conditioning for the shape of the specific vehicle. There are only a few radio model numbers each year. One of the biggest differences is with the mounting ears. By far, the most common had one ear on the right side, near the top, and on the bottom, near the left side. One less-common version was used on '93 - '95 Jeeps, and an even less-common version was used on the Stratus / Cirrus. 2003 was the last year for this style radio with the two plugs, used on the full-size vans. A few car models switched to the newer 22-pin plug in 2000, and all the car models used that by 2004.

Chrysler didn't vary much in the colors of the wires they used over the years. I don't now if that holds true for Mitsubishi-built cars. I've snipped dozens of plugs from cars in salvage yards to use on my display boards, and have never found anything other than red and pink wires for the two 12-volt feeds. I was surprised to see a white / black shown in these diagrams for the 12 volt switched, and orange / black for the 12 volt memory. It would appear all four of these diagrams are for the Mitsubishi-built cars. These drawings down below are of the two plugs with the typical domestic wire colors. I hand these out at old car show swap meets. Note that the numbering for the gray plug is backward on Chrysler radios compared to Mitsubishi diagrams, but the locations within the plug are the same. You will find there was a wire in terminal number seven on the black plug in your car. That gets 12 volts switched onto it by the radio when the radio and the ignition switch are on. That is the turn-on signal for the remote amplifier. There can be a second wire there for the "up" signal for an optional power antenna.

If you're going to "down grade" to a "one-size-fits-all" aftermarket radio, the remote amp will not be used. It will need to be bypassed if you want to use just the new radio to run the original speakers directly. Remember, that amp is just for tone conditioning, but that only applies to the tone response of the original radio. Chrysler radios meant to be used with an amp put out very little bass. That is made up in the amplifier. Those are referred to as the "Infinity" systems. If a non-Infinity radio, including aftermarket radios, is used with an amp, there will be too much bass unless that tone control is turned way down. Too much bass is not natural, and sounds muddled.

Most higher-end aftermarket radios have normal amplifier stages built in to run speakers directly, but when you need a suitcase-sized amp in the trunk, they usually have a pair of RCA cables that will plug into those amps. The radio still uses the volume control, but this would be like the GM and Ford systems that must be used with a remote amp somewhere. The RCA cables come off before the radio's built-in amp, so without the unit in the trunk, the sound won't be loud enough to hear.

To address your problem of cut wires, it sounds like that is irrelevant because you aren't going to be using the original amp, speakers, or speaker wiring. If your original radio used the two 7-pin plugs, there will be two 12-volt feed wires in the dash. Sounds like you found those already. There is no ground wire in there. That was made with a braided ground strap or a black wire clipped to the back of the radio. You'll need to attach that to the new radio. Run new audio cables to the new amp, then run new speaker wires to your new speakers.

If your original radio used the newer 22-pin plug, that only has the 12-volt memory wire, but it does have a ground wire in it. Two if I remember correctly. The radio was powered through the memory circuit, but it got its turn-on signal from a digital signal on the pair of data buss wires. If that applies to your car, you'll need to run a new 12-volt switched wire from the fuse box or some other circuit that gets turned on through the ignition switch. Disregard the two data buss wires. IMPALASS is right about sealing the ends of unused wires. The two data buss wires are what all of the multiple computers use to share information back and forth. They originate in the Body Computer, which puts six volts on each one. That computer protects itself in case either wire becomes grounded or they become shorted together, but that will prevent the computers from sending data to each other. That will result in a crank / no-start condition, and on newer cars it can cause a totally-dead electrical system.

The two illumination wires won't work with aftermarket radios. One gets 12 volts switched onto it when the tail lights are turned on. That tells the display to dim. The other one comes from the dash lights. That tells the display how much to dim, and it runs the face plate's back lights. The dimming is done through "pulse-width dimming" which turns the lights on and off about 400 times per second. The ratio of on-time to off-time is varied to adjust the overall brightness. This is a very efficient system that reduces wasted power, but no aftermarket radio I'm aware of is designed to use this system. These wires should be sealed with heat-shrink tubing. I don't like electrical tape because it can unravel into a gooey mess on a hot day. If the dash light wire grounds to the radio's case, it will kill all the dash back lights and other lights tied to that circuit, such as for the shift lever, head light switch, heater controls, and possibly the green or yellow lights in the power window switches. It also has the potential to burn out the dimmer control, which is a small computer module. If the dimming wire grounds out, it will pop the fuse for the tail lights and front running lights. On most models that is also the circuit that feeds the dash light dimmer module, so you'll lose the dash lights too.

For my final comment of value, let me repeat there is no ground wire in the black and gray plugs. That is a separate clipped-on wire or bolted-on ground strap. A lot of people use an ohm meter to find what they think is the ground wire in those plugs. They mistakenly find one or both illumination wires because they read very low resistance to ground through all of those multiple bulbs. When the tail lights are turned on, that fuse blows because current finds its way to ground through that wire being attached to the radio's case, then through the outer shield of the antenna cable. In the event the antenna has a poor ground, the tail light fuse won't blow, but the radio will only work when it gets a ground through all the tail light bulbs. Once the lights are tuned on, the radio quits working because it has 12 volts on the ground circuit.
Was this
answer
helpful?
Yes
No
+2
Friday, January 5th, 2018 AT 6:26 PM
Tiny
IMPALASS
  • MECHANIC
  • 3,112 POSTS
Thank you very much CARADIODOC for the assist with our customer.
Was this
answer
helpful?
Yes
No
+1
Friday, January 5th, 2018 AT 6:44 PM
Tiny
CARADIODOC
  • MECHANIC
  • 34,490 POSTS
Shirley. I mean, "Surely"! I'll pop back if you need me.
Was this
answer
helpful?
Yes
No
+1
Friday, January 5th, 2018 AT 6:48 PM

Please login or register to post a reply.