Factory radio wiring harness cut, wiring diagram needed?

Tiny
ADRIAN N CARLOS
  • MEMBER
  • 2004 CHEVROLET TRAILBLAZER
  • 4.2L
  • 6 CYL
  • 2WD
  • AUTOMATIC
  • 200,600 MILES
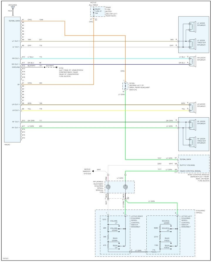
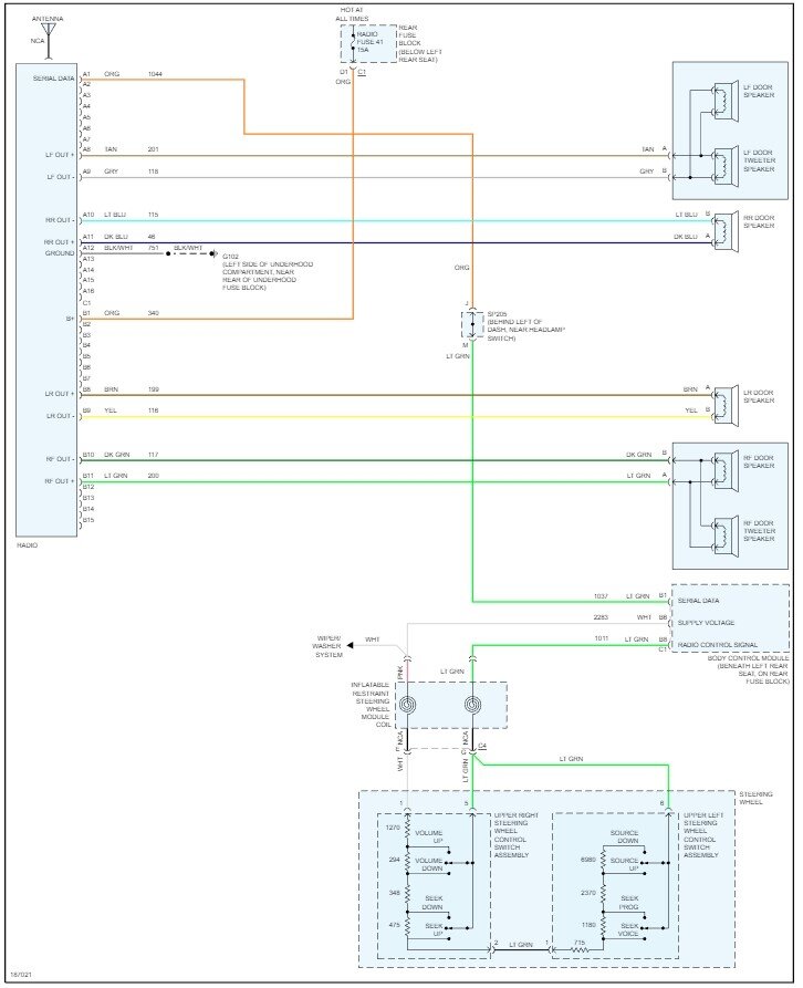
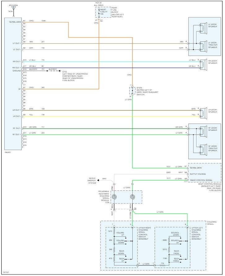
How can I tell which color wire means what and connects to what wires on my afternoon stereo?
Sunday, June 4th, 2023 AT 2:49 AM

1 Reply

Tiny
STEVE W.
  • MECHANIC
  • 15,688 POSTS
You can get an adapter harness that will just plug in and give you the wire information without cutting any wiring. If the wiring is already cut these are the base and mid-level radio diagrams. However, it will depend on the aftermarket unit you use as to what needs to be connected. If it has the base level unit there are fewer connections.
Was this
answer
helpful?
Yes
No
Sunday, June 4th, 2023 AT 9:08 PM

Please login or register to post a reply.