Factory radio does not turn on after I had a line output converter installed

2018 NISSAN ALTIMA
67,000 MILES • 2.5L • 4 CYL • 2WD • AUTOMATIC
Avatar
MF109306
  • MEMBER
  • 2 POSTS
It has the same place, remove the loc and put things back as they had it. I’ve checked the two fuses for radio in the passenger compartment. The radio illumination cuts in and out and I can turn radio illumination back on shortly by turning headlights off then back on. The radio is good. I learned how to do bench test. Now I can use some guidance please.
Feb 9, 2022 at 8:29 PM
Repair Safety Notice: This information is for general instructional purposes only. Vehicle repair can be dangerous. Verify all information, follow manufacturer service procedures, use proper tools and safety equipment, and consult a qualified repair shop when needed.
Advertisement
Avatar
STEVE W.
  • CAR REPAIR CONTRIBUTOR
  • 15,148 POSTS
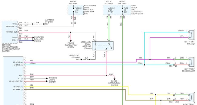
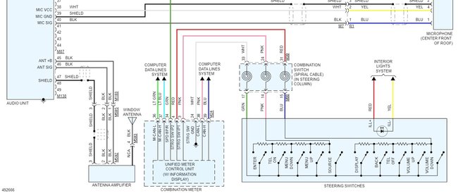
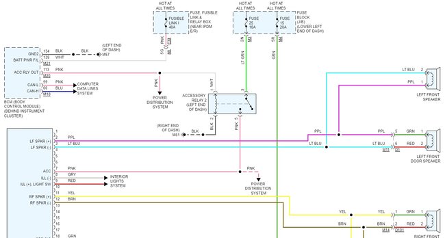
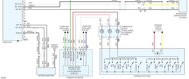
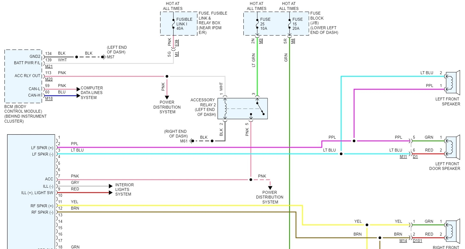
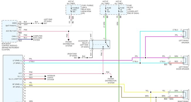
Which radio do you have, the base radio, the Bose with Nav, Bose w/o nav, Stereo without Bose with or without navigation? All are a bit different. You say you bench tested it and it works, how are you bench testing it? When you say it doesn't turn on, the only thing that does come on but then shuts off are the lights? Nothing else? Do you know the item or kit that was used on the converter? From the description I suspect the kit may have been wired in wrong and may have damaged the BCM or the security section of the radio, so it thinks it was stolen. Did it work for a while then stop or was it working, they installed the converter, and it hasn't worked since then?

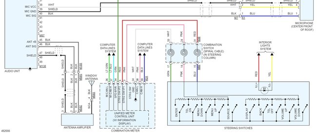
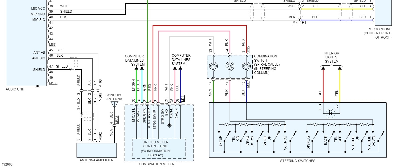
Probably the first thing would be to scan it with a higher end scan tool and see if the radio and BCM are on the network and able to communicate. All versions are connected and it's possible that the scan would show at least if the data lines work.

https://www.2carpros.com/articles/can-scan-controller-area-network-easy
Feb 10, 2022 at 6:23 AM
Advertisement
Avatar
MF109306
  • MEMBER
  • 2 POSTS
Base radio. I removed the radio from the car and connected it to a battery I have in my garage. When I turned my power switch on, the silver Nissan logo appeared! That was exciting by the way. Connected to Bluetooth, wired a speaker in and working fine. I wasn’t sure if the orange illumination lights could be wired directly to the battery, so I didn’t test that. Plus, they do turn on when I turn my headlight on like they should, turn off and when at random intervals if I don’t interfere. The harness I don’t what the name brand was but it looked like a pigtail of a 70-552 and a 71-552 and loc wired in with a remote wire. Worked normally for the next few weeks. Then I noticed like a quiet buzzing, I guess, maybe hum. Took it back and was told everything was okay. I asked them to take it out. Radio worked fine and then no more.
Feb 10, 2022 at 8:37 PM
Avatar
STEVE W.
  • CAR REPAIR CONTRIBUTOR
  • 15,148 POSTS
From that I would say they didn't reconnect it properly. If it works with power on the bench it should work in the car. Unless something they did triggered the security system to shut it off. As it doesn't power up in the vehicle even the radios onboard diagnostics won't help.
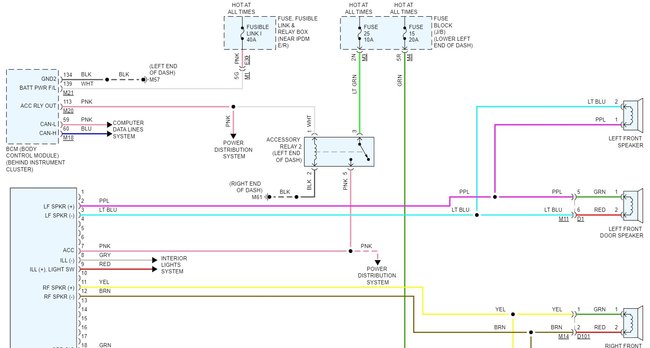
First check the power and ground to the radio from the car. Hopefully one of those is the problem. If you can at least get it to power up in the car then we have a starting point.
Feb 10, 2022 at 11:14 PM