ESC and check engine lights are both on

2014 CHRYSLER 200
62,000 MILES
Avatar
LALLEY7
  • MEMBER
  • 3 POSTS
We have already replaced the brake sensor, front wheel bearing and cleaned wheel sensors. Still throwing both codes.
Feb 10, 2019 at 8:36 AM
Repair Safety Notice: This information is for general instructional purposes only. Vehicle repair can be dangerous. Verify all information, follow manufacturer service procedures, use proper tools and safety equipment, and consult a qualified repair shop when needed.
Advertisement
Avatar
MOTOR MASTER
  • CAR REPAIR CONTRIBUTOR
  • 279 POSTS
Hello my is Dave.

Do you know what the codes are? This would be of great help in helping guide you to a solution. Please check out this guide and video.

https://youtu.be/rTtAnsOlZU4

and

https://www.2carpros.com/articles/checking-a-service-engine-soon-or-check-engine-light-on-or-flashing

Please run down these guides and report back.
Feb 11, 2019 at 4:24 AM
Advertisement
Avatar
LALLEY7
  • MEMBER
  • 3 POSTS
The codes is P0571
Feb 12, 2019 at 3:55 AM
Avatar
STRAILER
  • CAR REPAIR CONTRIBUTOR
  • 54,223 POSTS
That code if for the brake light switch not working right. Can I ask if the brake lights are coming on?
Feb 15, 2019 at 10:57 AM
Avatar
LALLEY7
  • MEMBER
  • 3 POSTS
yes, i have brake lights and we have already replaced that switch six days ago. then thought the wheel bearing was bad on driver side. replaced that and cleaned the wheel sensor. here is what it keeps doing: Two day ago etc indicator came on, turned car off started back up, couple hours later it came back on again, shut car off started back up and the check engine light was on, giving same code. later that evening started the car and no check engine light. yesterday drove car all day with no lights or codes. now today it did it again, esc indicator came back on.
Feb 15, 2019 at 11:27 AM
Avatar
STRAILER
  • CAR REPAIR CONTRIBUTOR
  • 54,223 POSTS
Hello

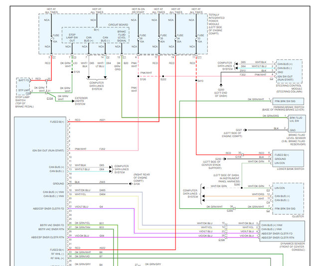
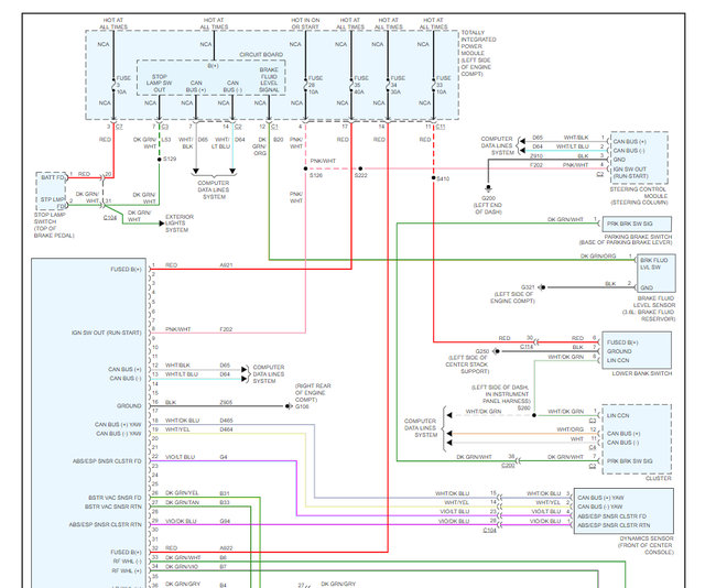
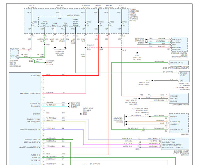
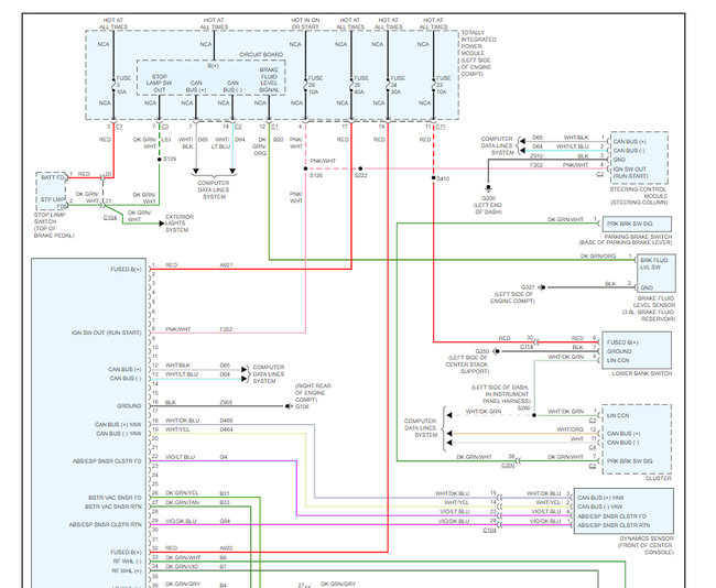
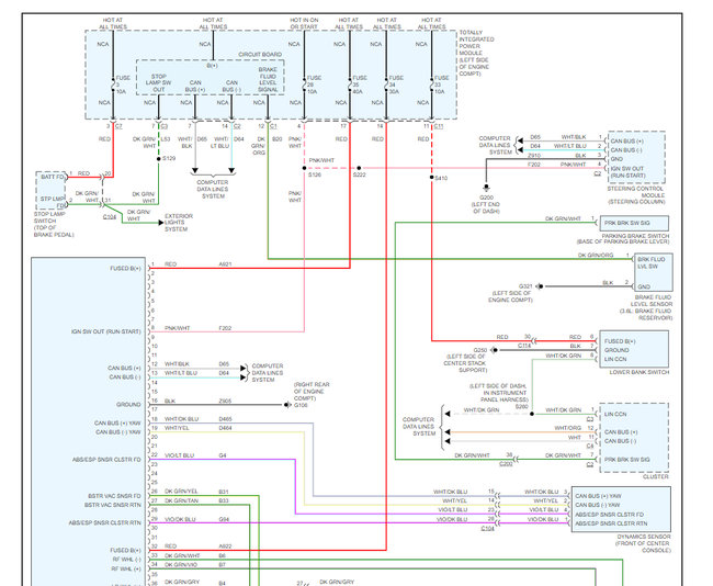
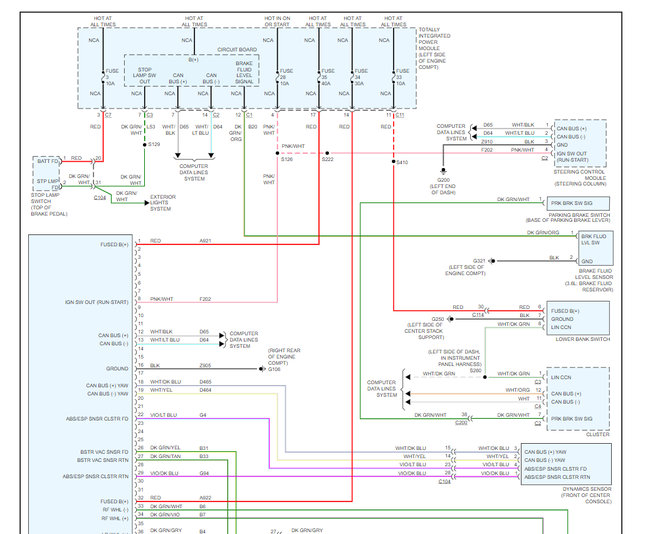
First check the brake fluid level if okay it sounds like the TIPM is going out. but to be sure here is a guide to help check the wiring between the switch and the ABS module and TIPM. Use the wiring diagrams below for reference.

https://www.2carpros.com/articles/how-to-check-wiring

If the wiring is okay I have included the TIPM replacement installation and diagrams as well. Check out the diagrams (below). Please let us know what you find.
Feb 18, 2019 at 9:15 AM