Error code with ignition coil B?

Tiny
SMOKEYBEARVII
  • MEMBER
  • 2009 TOYOTA COROLLA
  • 1.8L
  • 4 CYL
  • 2WD
  • MANUAL
  • 51,000 MILES
I have an error code of P0352 in my car, and my question is which coil is B? The car is a four cylinder, and I just do not know if B is the second coil from the left or the second from the right when standing in front of the car?

I have already wasted about three hours on google images and YouTube trying to figure this out, and sadly, I am still stumped.

Please help!

Matt
Thursday, November 6th, 2014 AT 10:49 AM

20 Replies

Tiny
MLDANIELS2000
  • MECHANIC
  • 227 POSTS
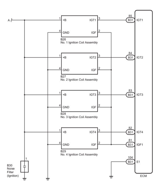
Coil B is the number two cylinder. Second from the front or crank pulley. From left to right is a, b, c, d or 1, 2, 3, 4. B is second from left. Please let us know if you need anything else to get the problem fixed.
Was this
answer
helpful?
Yes
No
+69
Thursday, November 6th, 2014 AT 1:31 PM
Tiny
DANNY L
  • MECHANIC
  • 5,648 POSTS
Hello, I'm Danny.

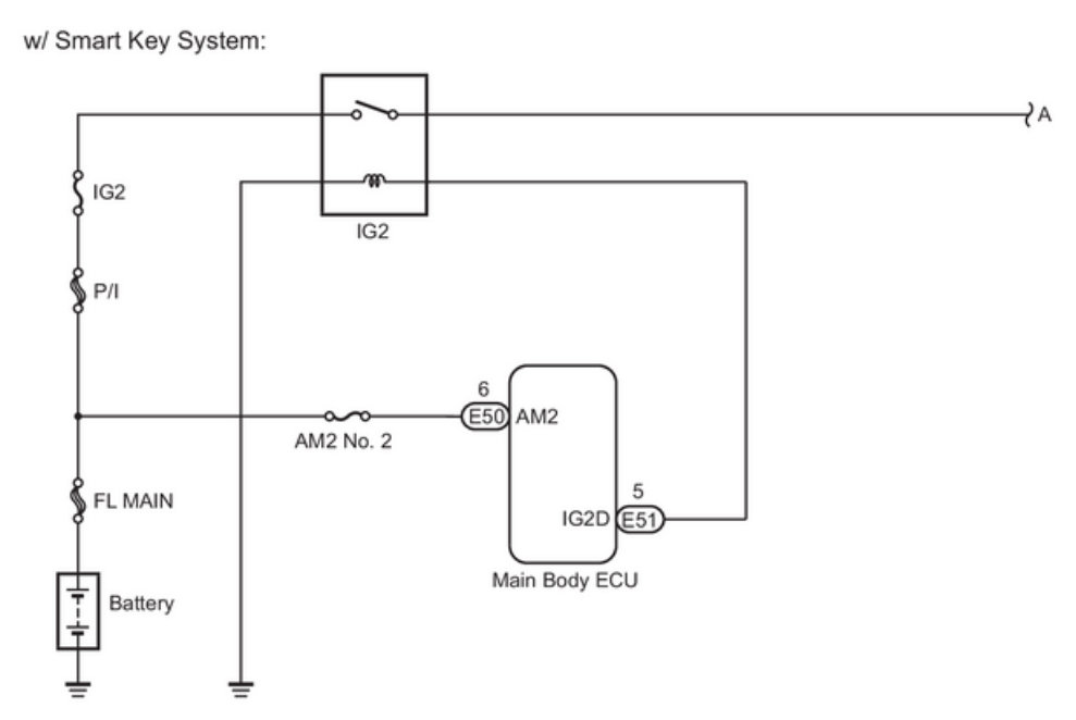
Sorry to hear you're frustrated with this diagnostic code on your car. Here is a tutorial showing how to test wiring it may come in handy:

https://www.2carpros.com/articles/how-to-check-wiring

I've attached all information relating to code P0352 below as diagnostic picture steps for your car. Hope this helps and thanks for using 2CarPros.
Was this
answer
helpful?
Yes
No
-1
Friday, December 25th, 2020 AT 12:59 AM
Tiny
MASONCRIST
  • MEMBER
  • 1 POST
  • 2006 TOYOTA COROLLA
  • 4 CYL
  • 2WD
  • AUTOMATIC
  • 41,500 MILES
My 2006 corrolla is showing a code of P0353 "Ignition coil C Primary/Secondary circuit. Will replacing the coil take care of this error code?
Was this
answer
helpful?
Yes
No
Saturday, December 26th, 2020 AT 12:08 PM (Merged)
Tiny
MMPRINCE4000
  • MECHANIC
  • 8,548 POSTS
Check wiring first, this engine uses individual coils. Buy one, replace coils one at a time until code goes away. It would be best to have code reset prior to testing.
Was this
answer
helpful?
Yes
No
Saturday, December 26th, 2020 AT 12:08 PM (Merged)
Tiny
WAJIH_MALIK
  • MEMBER
  • 8 POSTS
  • 2004 TOYOTA COROLLA
  • 4 CYL
  • FWD
  • MANUAL
  • 100,000 MILES
Hi m wajih
i have corolla 2004.
All the lights are comming on the dash board I checked the wiring, fuse box, ecu but all these things were ok.
But the problem is the current is not comming into ignation coil we checked coil junction but theres no problem in these junction so u can tell me the problem
Was this
answer
helpful?
Yes
No
Saturday, December 26th, 2020 AT 12:08 PM (Merged)
Tiny
KHLOW2008
  • MECHANIC
  • 41,814 POSTS
Ignition coil receives its power supply from the Ignition switch when in ON or START position.

If power is not available, the EFI relay and Circuit Opening Relay would not work.

At ignition coil terminal # 1, ( Black/White wire), apply battery voltage to test if vehicle can be started.
Was this
answer
helpful?
Yes
No
Saturday, December 26th, 2020 AT 12:08 PM (Merged)
Tiny
WAJIH_MALIK
  • MEMBER
  • 8 POSTS
Thanks sir
Was this
answer
helpful?
Yes
No
Saturday, December 26th, 2020 AT 12:08 PM (Merged)
Tiny
KHLOW2008
  • MECHANIC
  • 41,814 POSTS
You're welcome. Let me know what you find.
Was this
answer
helpful?
Yes
No
+1
Saturday, December 26th, 2020 AT 12:08 PM (Merged)
Tiny
WAJIH_MALIK
  • MEMBER
  • 8 POSTS
Sir ill check every think that u told me but theres no fault were found. Finally I put the scaner again and checkout and finally find the problem and the problem is crank shaft sensor was dead I replace the new sensor and it works my car is started on one self
Was this
answer
helpful?
Yes
No
Saturday, December 26th, 2020 AT 12:08 PM (Merged)
Tiny
KHLOW2008
  • MECHANIC
  • 41,814 POSTS
Glad to know you have fixed the problem.

Have a nice day.
Was this
answer
helpful?
Yes
No
Saturday, December 26th, 2020 AT 12:08 PM (Merged)
Tiny
WAJIH_MALIK
  • MEMBER
  • 8 POSTS
Sir m also mechanic in pakistan.
But some time these problem makes me mad.
I need helper to guide me so i've got ur web site on google. But I need ur help again in these critical cases hope u help me out sir :)
Was this
answer
helpful?
Yes
No
Saturday, December 26th, 2020 AT 12:08 PM (Merged)
Tiny
KHLOW2008
  • MECHANIC
  • 41,814 POSTS
We are always here to help so anytime you have a question, just pop in and we will get it resolved.
Was this
answer
helpful?
Yes
No
Saturday, December 26th, 2020 AT 12:08 PM (Merged)
Tiny
DAVE1310
  • MEMBER
  • 64 POSTS
  • 2002 TOYOTA COROLLA
  • 1.8L
  • 4 CYL
  • 2WD
  • AUTOMATIC
  • 186,000 MILES
My daughter has a persistant CEL on for over a year, the code that has been registered at 4 different places (including at a Toyota dealer) is PO300 random misfire and mis-fire PO302. I also asked my personal very good mechanic what this could be since the car seems to mis constantly, especially when you put the car in gear. The tranny has been check out thoughly at a transmission shop by running a code check on the PCM. My mechanic is almost certain that it is a coil, I saw all 4 of them on ebay for under $100. My question is will replacing all 4 coils solve the problem

Other wise the car seems to run and drive OK
Was this
answer
helpful?
Yes
No
Saturday, December 26th, 2020 AT 12:08 PM (Merged)
Tiny
CARADIODOC
  • MECHANIC
  • 34,463 POSTS
There's a better way to diagnose this than by replacing parts. Code 302 means cylinder 2 is misfiring. If the car is due for new spark plugs, change them first, then swap the ignition coils between cylinders 2 and 3, and the injectors between cylinders 2 and 4. Erase the fault codes, then see which cylinder sets the next misfire code. If it's still cylinder 2, suspect a valve or compression problem. If the misfire moves to cylinder 3, suspect that ignition coil.
Was this
answer
helpful?
Yes
No
Saturday, December 26th, 2020 AT 12:08 PM (Merged)
Tiny
EAZUCENA
  • MEMBER
  • 1 POST
  • 2001 TOYOTA COROLLA
Shakes or Wobbles problem
2001 Toyota Corolla 4 cyl Two Wheel Drive Automatic

I believe that it is the coil to one of my cylinders(the 1st?). My car shakes as I begin to accelerate from a starting point. If I accelerate slowly, it picks up fine, but a lot slower. If I accelerate at a normal start, my car shakes badly. Is it my coil, could I need a tune up?
Was this
answer
helpful?
Yes
No
Saturday, December 26th, 2020 AT 12:08 PM (Merged)
Tiny
MMPRINCE4000
  • MECHANIC
  • 8,548 POSTS
You should be getting a check engine light if a cylinder is misfiring. I would check the plug first for fouling/gas soaked.
If you have a check engine light, get the PCM scanned at a auto parts store (free).
Was this
answer
helpful?
Yes
No
Saturday, December 26th, 2020 AT 12:08 PM (Merged)
Tiny
JODY007
  • MEMBER
  • 1 POST
  • 1993 TOYOTA COROLLA
Electrical problem 4 cyl Two Wheel Drive Automatic

my corrola is not getting spark. I replaced plugs, wires, cap and rotor? I suspect the coil is bad. How can I test it to find out what exactly to replace?
Thank you
jody
Was this
answer
helpful?
Yes
No
Saturday, December 26th, 2020 AT 12:10 PM (Merged)
Tiny
KEN L
  • MASTER CERTIFIED MECHANIC
  • 55,291 POSTS
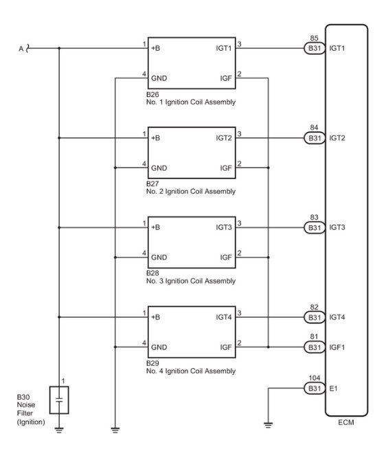
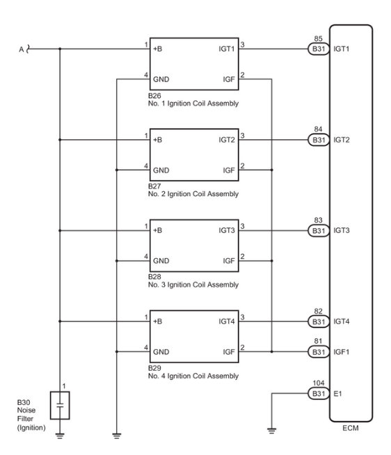
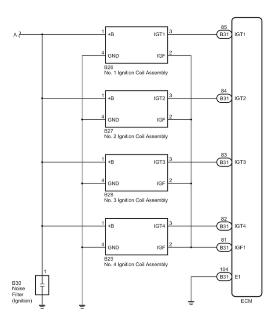
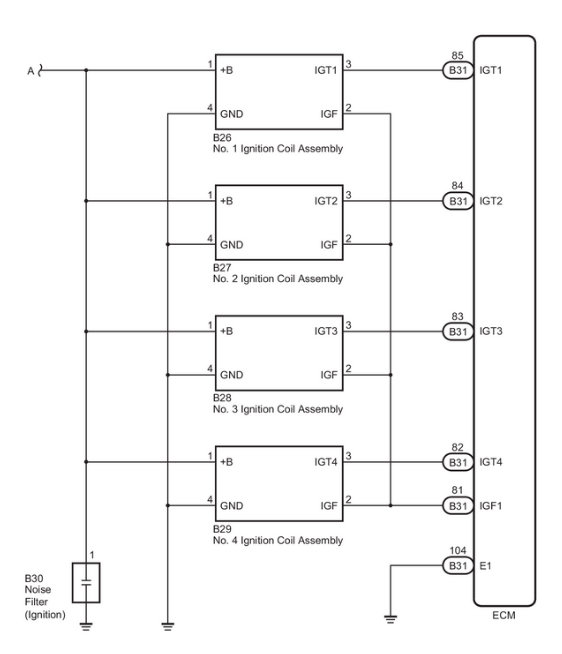
Hello,

Here is a great guide on how to test your ignition coil, This is for a multi coil system but it will work just fine for your car.

https://www.2carpros.com/articles/how-to-test-an-ignition-system

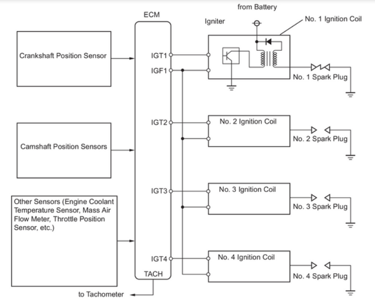
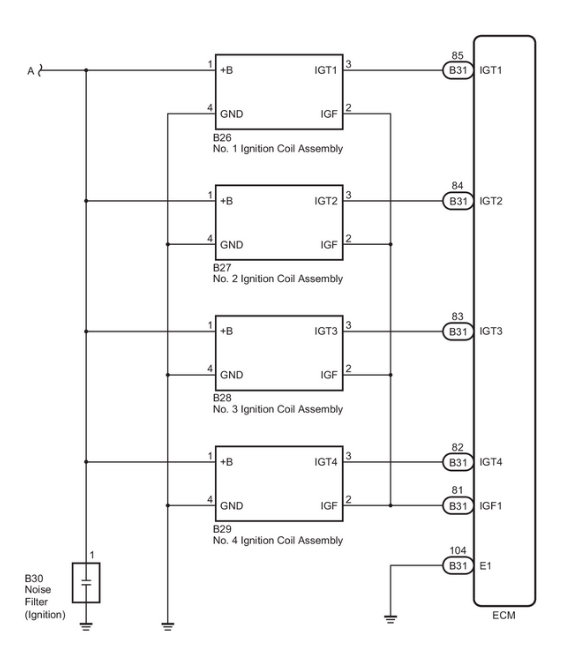
Inspect Primary Coil Resistance
Using an ohmmeter, measure the resistance between positive (+) and negative (-) terminals.
Primary coil resistance (Cold): 1.1 - 1.7 ohms

If the resistance is not as specified, replace the ignition coil.

Inspect Secondary Coil Resistance
Using an ohmmeter, measure the resistance between the positive (+) and high-tension terminals.
Secondary coil resistance (Cold): 9 - 15 k ohms

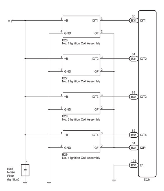
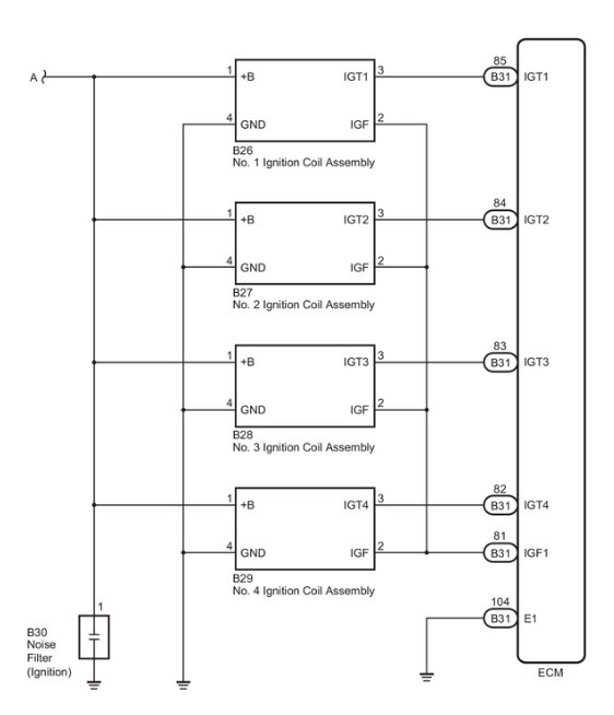
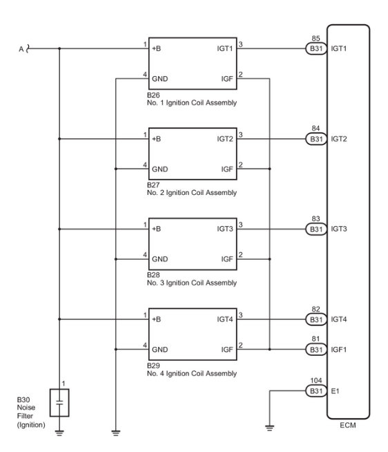
If the resistance is not as specified, replace the ignition coil. diagram (below)

Please let us know what happens.

Cheers, Ken
Was this
answer
helpful?
Yes
No
Saturday, December 26th, 2020 AT 12:10 PM (Merged)
Tiny
CHRIS MORRISON
  • MEMBER
  • 3 POSTS
An not getting nothing on my dash board
Was this
answer
helpful?
Yes
No
Saturday, December 26th, 2020 AT 12:10 PM (Merged)
Tiny
KEN L
  • MASTER CERTIFIED MECHANIC
  • 55,291 POSTS
Can you start a new question and please be as descriptive as possible.

Please post your question here

https://www.2carpros.com/questions/new

Cheers, Ken
Was this
answer
helpful?
Yes
No
+1
Saturday, December 26th, 2020 AT 12:10 PM (Merged)

Please login or register to post a reply.