Error code P1658?

Tiny
DEBIDO88
  • MEMBER
  • 2009 HONDA CRV
  • 4 CYL
  • 2WD
  • AUTOMATIC
  • 170,000 MILES
We scanned my car and it is code P1658.
ETCS control relay on malfunction
TACM relay stuck on

I pulled out the backup fuse hoping it would clear the ets but no.

Can't figure it out.
Wednesday, June 21st, 2023 AT 7:51 PM

14 Replies

Tiny
DEBIDO88
  • MEMBER
  • 8 POSTS
I also want to mention my husband cleared the code with the reader and he drove the vehicle with no problem, no engine light, VSA, or exclamation warning lights.
Turned the car off and back on and warning lights back on and p1658 error code.
Was this
answer
helpful?
Yes
No
Thursday, June 22nd, 2023 AT 8:18 AM
Tiny
JACOBANDNICKOLAS
  • MECHANIC
  • 110,192 POSTS
Hi,

As far as the code is concerned, it is related to the components you mentioned. I have the diagnostics, but they are extensive. However, I would like to at least check the relay itself and its circuit. Pic 3 explains what to check.

Also, here is a link you may find more informative:

https://www.2carpros.com/articles/how-to-check-an-electrical-relay-and-wiring-control-circuit

If you look at the pics below, it explains how to test it. Do this and let me know the results. If you find it is good, I will provide the additional diagnostics, but they do require a scan tool that can communicate with the vehicle and some extensive wire testing.

Let me know.

Joe

See pics below.
Was this
answer
helpful?
Yes
No
+1
Thursday, June 22nd, 2023 AT 9:27 PM
Tiny
DEBIDO88
  • MEMBER
  • 8 POSTS
Hi, my husband is an electrician and switched the etcs relay with other ones and he said it is fine.
Yesterday I filled the tank with gas and drove around for 10 minutes. Got home and restarted vehicle and no warning lights.
My husband went out later and the lights back on. He cleared the code with a different scanner and cleared code and no codes showed.
I went out today and the warning lights back on cleared code. I drove for 15 minutes and got home and restarted vehicle and no warning lights again.
Was this
answer
helpful?
Yes
No
Friday, June 23rd, 2023 AT 11:54 AM
Tiny
JACOBANDNICKOLAS
  • MECHANIC
  • 110,192 POSTS
Hi,

Your husband is an electrician? Excellent! That makes my life easier. LOL

It sounds like the problem is intermittent. Was he able to confirm there isn't a corrosion issue with the connectors or a pushed-in pin?

Let me know.

Joe
Was this
answer
helpful?
Yes
No
Friday, June 23rd, 2023 AT 8:35 PM
Tiny
DEBIDO88
  • MEMBER
  • 8 POSTS
He took the relay out and cleaned it. Also checked the battery. Started the vehicle and no warning lights. Started it 5 times no lights then the engine light, VSA and exclamation point and P 1658.

This is crazy, lol.
Was this
answer
helpful?
Yes
No
Saturday, June 24th, 2023 AT 8:30 PM
Tiny
JACOBANDNICKOLAS
  • MECHANIC
  • 110,192 POSTS
Hi,

I was hoping it was something easy, but it never seems to work out that way. LOL

I attached the full list of the diagnostics below. Have your husband take a look at them and see if he feels comfortable performing. Chances are he will, but if either of you have questions, let me know.

Take care,

joe

See pics below.
Was this
answer
helpful?
Yes
No
+1
Saturday, June 24th, 2023 AT 9:21 PM
Tiny
DEBIDO88
  • MEMBER
  • 8 POSTS
How do you do this?
Was this
answer
helpful?
Yes
No
Sunday, June 25th, 2023 AT 4:31 AM
Tiny
JACOBANDNICKOLAS
  • MECHANIC
  • 110,192 POSTS
Hi,

Basically, you are checking things like continuity and voltages at specific wiring pins at the connectors and at the PCM connector.

https://www.2carpros.com/articles/how-to-check-wiring

Let me know.

Joe

Was this
answer
helpful?
Yes
No
Sunday, June 25th, 2023 AT 8:42 PM
Tiny
DEBIDO88
  • MEMBER
  • 8 POSTS
My husband wasn't able to check wiring.

Today I started it warning lights there so cleared code p1658. Then turned key on and engine light flashed 5 times then went off.
I was wondering if I should change the gas cap?
Was this
answer
helpful?
Yes
No
Tuesday, June 27th, 2023 AT 4:47 PM
Tiny
JACOBANDNICKOLAS
  • MECHANIC
  • 110,192 POSTS
Hi,

The gas cap is tied into the evaporative emissions system and isn't part of the circuits having the issue.

The tests I listed above are what I feel need to be done. The only other thing I can suggest is to try scanning the can-bus.

CAN stands for controller area network. Basically, the different modules are tied together via a few wires. This type of scan will retrieve codes regardless of the module storing them. It does require a scanner that can perform this, but they aren't uncommon.

Here is a link showing how it's done:

https://www.2carpros.com/articles/can-scan-controller-area-network-easy

I guess what I'm saying is there could be something other that could help us narrow it down without the diagnostics above.

Let me know your thoughts.

Take care,

Joe
Was this
answer
helpful?
Yes
No
Tuesday, June 27th, 2023 AT 7:10 PM
Tiny
DEBIDO88
  • MEMBER
  • 8 POSTS
I did a full scan with Blue driver and P1658 comes up also B1177 low voltage battery.
Was this
answer
helpful?
Yes
No
Wednesday, June 28th, 2023 AT 3:49 PM
Tiny
JACOBANDNICKOLAS
  • MECHANIC
  • 110,192 POSTS
Hi,

The battery could be low from testing. I would suggest charging it. You don't want a weak battery because on today's vehicles, voltage is very important.

If I help, would your husband feel comfortable performing the test I listed above? That is where we need to go next.

Let me know.

Joe
Was this
answer
helpful?
Yes
No
Wednesday, June 28th, 2023 AT 9:05 PM
Tiny
DEBIDO88
  • MEMBER
  • 8 POSTS
We changed the battery because it was over 5 years old.
The warning lights are still coming on.
I discovered this, I turn the key on and 3 warning lights, then turn the key off then on again and just engine light and I can drive it without having to clear the code.

Do you have the wiring information for the ETCS?

Thank you for all the great information.
Was this
answer
helpful?
Yes
No
Friday, June 30th, 2023 AT 8:14 AM
Tiny
JACOBANDNICKOLAS
  • MECHANIC
  • 110,192 POSTS
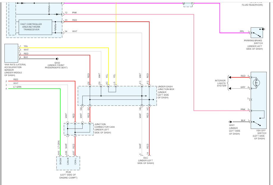
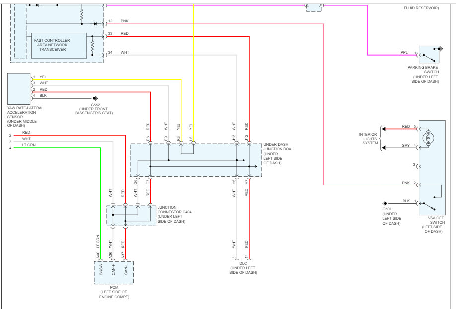
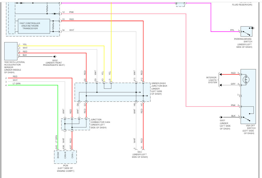
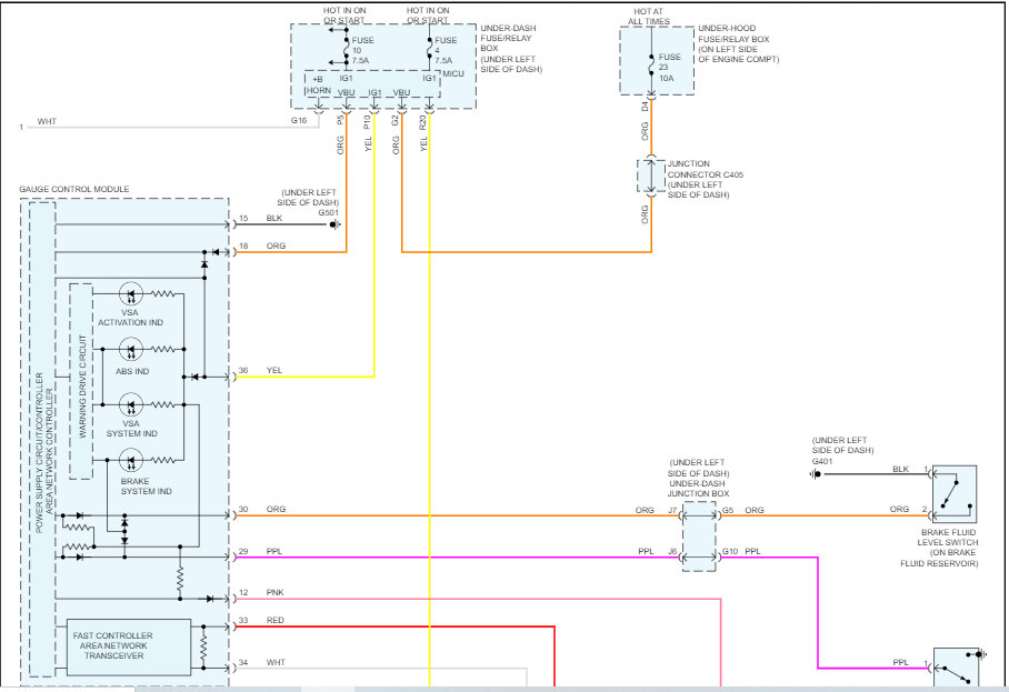
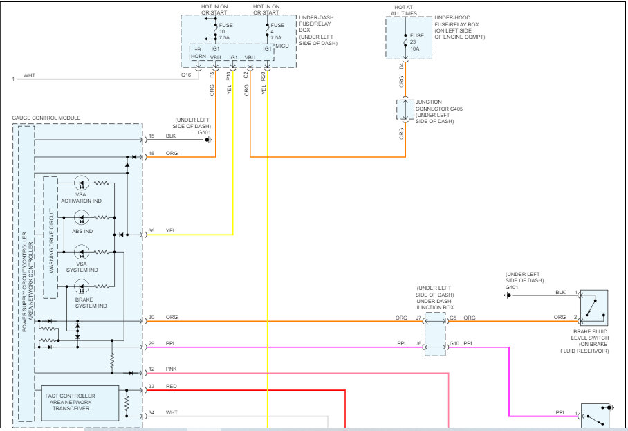
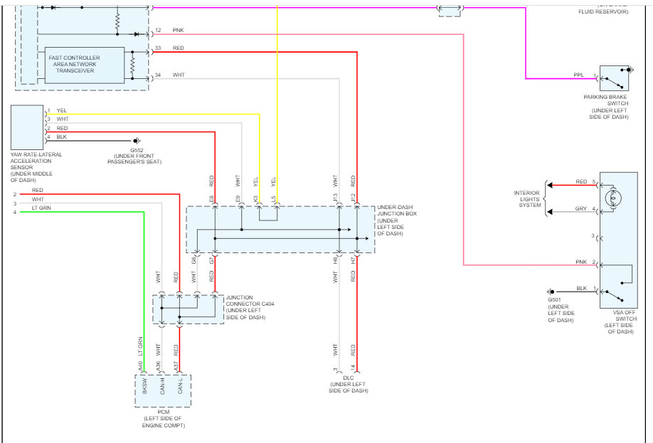
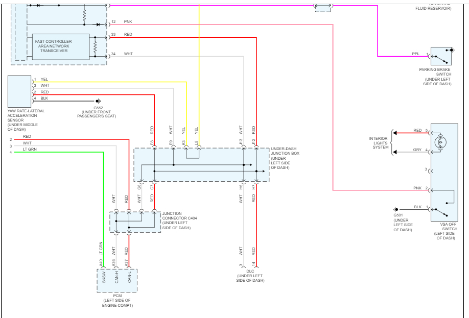
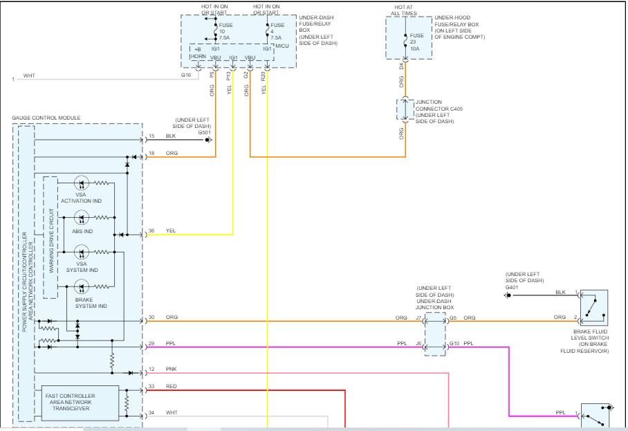
Hi,

I attached the wiring schematics below for the traction control/ABS system. I had to cut each page in half to make them readable, but I did overlap the two so you can follow from one to the next.

I hope this helps.

Take care,

joe

See pics below.
Was this
answer
helpful?
Yes
No
Friday, June 30th, 2023 AT 9:21 PM

Please login or register to post a reply.