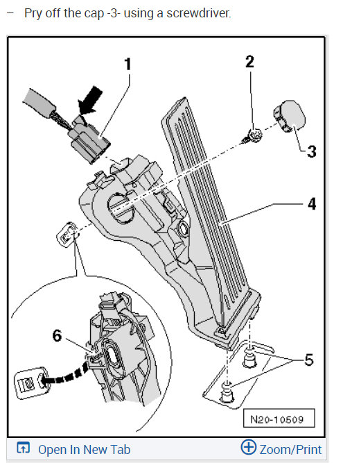
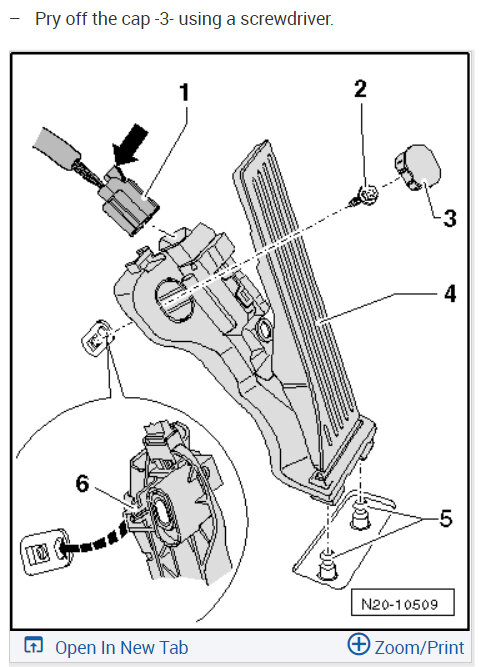
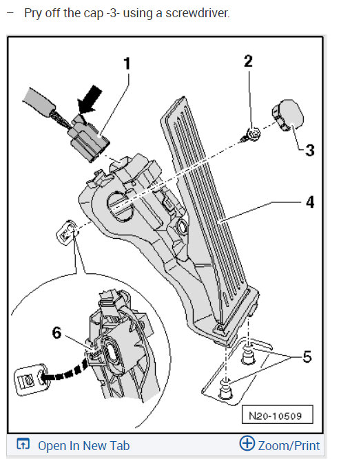
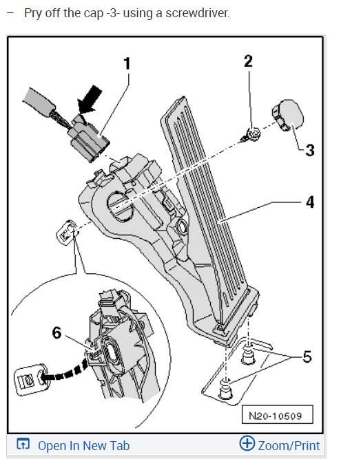
Wednesday, April 10th, 2024 AT 7:16 PM
Hi, I have the vehicle listed above SE model, TSI, with around 66,690 miles. Today I had the EPC light on dashboard 2 times while driving, it did lose power when the light showed up, I had to pull over. I stopped the car for around 5 minutes, it seemed to be normal after that. I'm worried this could happen again, what should I check to prevent this light from coming on again! It is around 66,690 miles, and it did lose power when the light showed up, I had to pull over.








