Friday, March 2nd, 2018 AT 6:27 AM
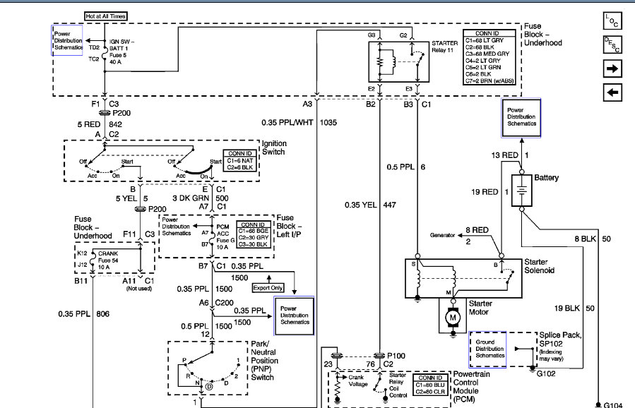
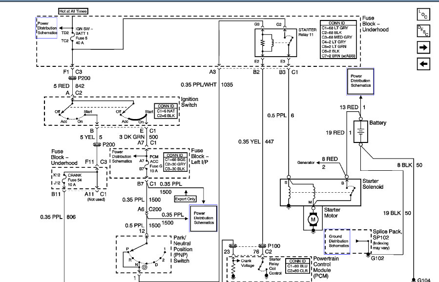
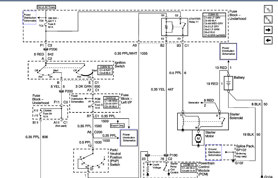
Was driving it did good stoped some it started every time came home. Went out the next morning would not start. Turn the key on acted like it had drained battery. Checked it battery is good. All the lights work and wipers and fuel pump are all working normal. No security light on. Fuses are good, starter relay is good. Any help or advice is much needed as I need it running as soon as I can.


