What was the cold cranking amp capacity In the.

Tiny
SOLDSALERO
  • MEMBER
  • 2004 OLDSMOBILE ALERO
  • 30,000 MILES
What was the cold cranking amp capacity In the battery, ACDelco Ecotec, which originally came with the Olds 2.2 4 cyl.

Reason. Unable to start car with new battery of 700 cc amps when not used a week, Maybe battery's cc are less than original battery.

Note - Car won't start, but still able to play the radio and use the windshield wipers.

Friday, October 26th, 2012 AT 6:54 PM

7 Replies

Tiny
HMAC300
  • MECHANIC
  • 48,601 POSTS
Depepdning on wheteher you have a L61 or LA1 rpo its eitehr 525 amp or 600 amp. A L61 is a 2.2L and a LA1 is a3.4 L V-6
Was this
answer
helpful?
Yes
No
Friday, October 26th, 2012 AT 7:02 PM
Tiny
SOLDSALERO
  • MEMBER
  • 12 POSTS
Given this, my new battery of 700 cold cranking amps is not the problem. The engine won't start, but will still play the radio and have turn the windshield wipers.

Once charged and engine starts I can start and stop to multiple times in 5 hours and never have problem starting the car.

It is only when I let the car sit for a week that it won't start

Someone said if this is the case, it would not be the alternator,

Is this wrong? If not, what else could be the problem

Thanks
Was this
answer
helpful?
Yes
No
Saturday, October 27th, 2012 AT 4:52 PM
Tiny
HMAC300
  • MECHANIC
  • 48,601 POSTS
Next time don't ask what the cca of a battery is just go to the problem, makes it much easier for us. Check for a draw on the battery, the site here explains how to do it. It's under repair or service. That is probably what is wrong it's drawing the battery down to wher eit won't start. There is a fusible link that runs off the starter, it's a rust colored wire to a red wire. If that is bad it may cause your problem they are available at auto stores.
Was this
answer
helpful?
Yes
No
Saturday, October 27th, 2012 AT 5:15 PM
Tiny
SOLDSALERO
  • MEMBER
  • 12 POSTS
Actually, the 1st question had the actual problem in it.

Your information about original cc was very useful. This is what my Haynes manual mentioned checking first

Re, "Check for a draw on the battery, the site here explains how to do it. It's under repair or service"

Your site is extensive, could not find how to do it, Will check my haynes manual about information you gave.

Hopefully I will be able to do myself. Maybe just easier to replace link first.

So long as I disconnect the negative cable from the battery, even a non-mechanic person like myself should be able to do it
Was this
answer
helpful?
Yes
No
Saturday, October 27th, 2012 AT 7:20 PM
Tiny
HMAC300
  • MECHANIC
  • 48,601 POSTS
Step 9 - If no other electrical accessory is causing the battery to drain overnight a manual draw check of the electrical system will need to be performed. What this means is you will be checking the electrical draw the battery has on it when the car is locked up, with the key in the "off" position". First open the hood and disable the under hood illumination light, if equipped. Next, with the key off and the doors locked wait 15 minutes, then disconnect the battery cable on the negative side. (The 15 minute wait allows the computers to go into "sleep mode" and shuts down all electrical).

Attach a test light between the negative battery cable end and the negative battery terminal. The test light should illuminate dimly or not at all. If the test light is on brightly there is a strong electrical draw in the system. To locate this electrical draw start removing fuses one at a time. When the test light goes out the circuit in question has been located. You will need a car repair manual to identify all accessories in a particular circuit, repair as needed and re-check system
this was found under battery and you had to click on it to get it and see all the tings in the list.
Was this
answer
helpful?
Yes
No
Saturday, October 27th, 2012 AT 10:53 PM
Tiny
SOLDSALERO
  • MEMBER
  • 12 POSTS
Did the electrical draw check above and no problems.

1. Car would not start, no indication of motor turning over.

2. Charged battery for a 1/2 hour and motor started after a couple of seconds of cranking.

3. Let engine run for a few minutes, turned it off, car would not start.

4. Charged battery for 90 minutes, engine started for a couple of seconds then turned off. Repeated situation when immediately tried to start again.

In all cases, could play radio and run windshield wipers. Battery charger indicated battery was charged

Reasonably cold day about 32 degrees, but battery has 700 cc amps so that should not be a problem
Was this
answer
helpful?
Yes
No
Sunday, November 25th, 2012 AT 9:17 PM
Tiny
HMAC300
  • MECHANIC
  • 48,601 POSTS
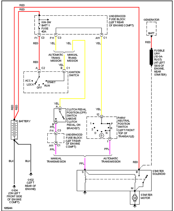
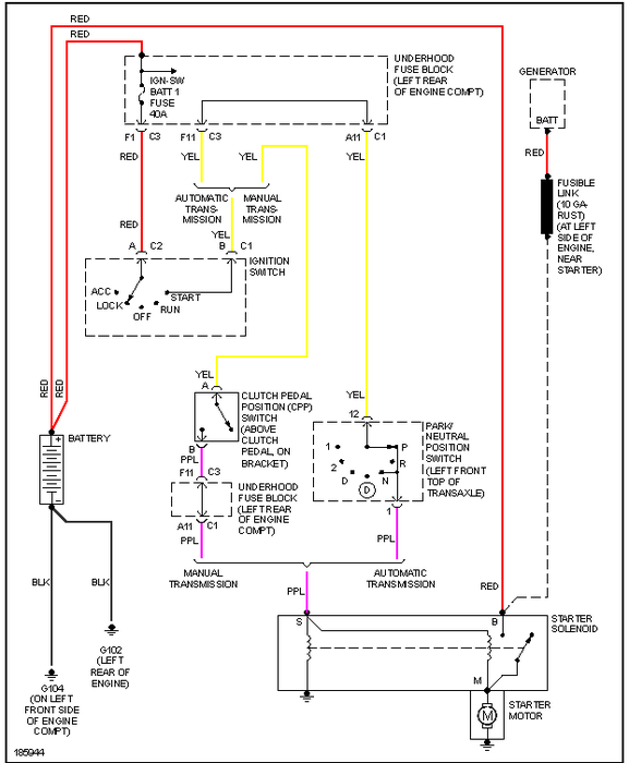
Have the battery and starter checked for draw then check the pcm to see if it issending a signal to the starter relay. Also check the ignition switch as htese have been known to fail as well. It goes from ignition switch to fuse box to nuetral switch to starter. I'm sending diagram along for you to check this could also be a bad starter. If you are getting power to purple wire to starter then check red wire for good voltage as it should be battery voltage without trying to start then drop to no less than 9 volts when attempting to start. If it goes lower than that then it is either a drawing to much power or a cable can be bad. But the battery and starter should both be tested for draw or load test. Just because a battery is new doesn't mean it is any good.
Was this
answer
helpful?
Yes
No
Sunday, November 25th, 2012 AT 11:01 PM

Please login or register to post a reply.