Engine starts but immediately shuts down?

Tiny
JP3256
  • MEMBER
  • 1995 BUICK REGAL
  • 3.8L
  • 6 CYL
  • 2WD
  • AUTOMATIC
  • 155,000 MILES
When started I have to feather to keep running for any length of time. The RPMs jump from 1k to 2k back and forth.
The car ran fine, good acceleration, smooth shifting and good mpg b4 the problem started. One day fine next day doesn't run.
Replaced original fuel pump 12/24 circa 150k.
Also, the new pump now whines loud for 30 seconds after turning the ignition off. It never did that until the engine problems.

Fuel relay good- all ignition system fuses good- injectors have proper resistance- 12 volts to and from injectors- coil packs tested good.

-pressure test results wacky. First test 50lbs when primed, 45-50 when engine is "running".
-next test 10lbs when primed but pressure would jump 10-15lbs to 50 when turning key off then back on.
-now zero lbs at initial prime but jumps up when turning key off and on.

Would a new pump quit so soon? It sounds like the fuel pump, but I want to verify that before I drop the tank to replace the pump.

Thank you in advance.
Saturday, May 10th, 2025 AT 8:07 PM

17 Replies

Tiny
AL514
  • MECHANIC
  • 5,584 POSTS
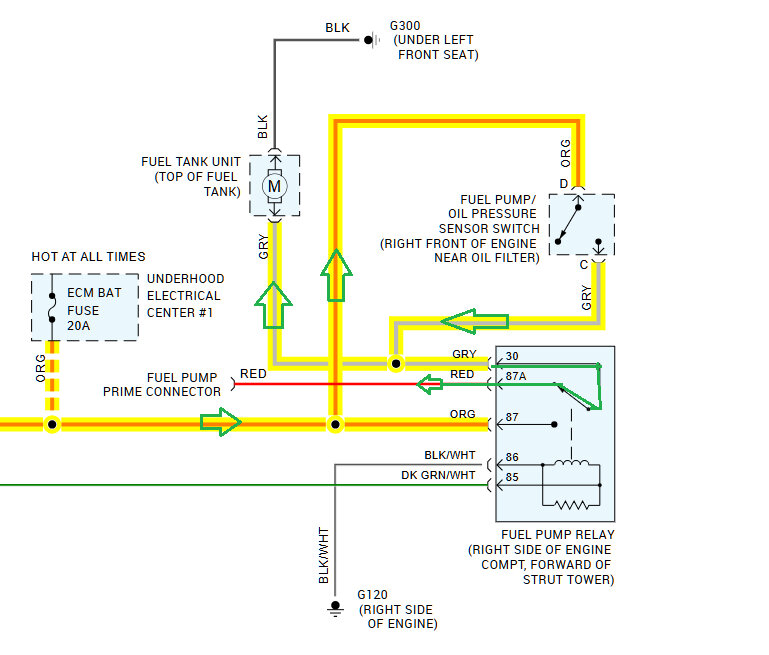
Hello, where did you get the fuel pump from? If it's a cheap pump from amazon for example, it can definitely be a bad pump even though it's new. Or it can be a power or ground issue to the pump. The 2 second prime should get the pump up to spec and hold, it sounds like you're not getting enough pressure/volume from the new pump. But Ill post some wiring diagrams so you can check for any power issues if you have a multimeter.
Was this
answer
helpful?
Yes
No
Sunday, May 11th, 2025 AT 9:00 AM
Tiny
AL514
  • MECHANIC
  • 5,584 POSTS
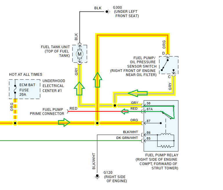
Here are the wiring diagrams for the pump, the fuel pumps operations and the fuel filter info.
Was this
answer
helpful?
Yes
No
+1
Sunday, May 11th, 2025 AT 9:58 AM
Tiny
JP3256
  • MEMBER
  • 11 POSTS
Thanks for the reply.

1. I checked the oil pressure sensor (by the oil filter) and there is oil inside of the connection. I don't think that is the problem but will replace.
2. No check engine light. I don't have an OBD 1 reader so there's that.
3. I've swapped relays between fuel pump and A/C. Nothing.
4. Where is the fuel pump prime connector? I have looked everywhere in the engine bay. I did find the tach connection, a single green wire with clip close to the water temp sensor but no single gray wire (from what I've read) anywhere. Your diagram shows a red wire but no can find it.
5. What source do I use for the 12 volts to test the pump prime connector? Can I use the battery?
Was this
answer
helpful?
Yes
No
Sunday, May 11th, 2025 AT 2:09 PM
Tiny
JP3256
  • MEMBER
  • 11 POSTS
Oops forgot, I bought the fuel pump from O'Rielly's
Precision Fuel Pump - E16029 Part # E16029
Line: PFP
Was this
answer
helpful?
Yes
No
Sunday, May 11th, 2025 AT 2:12 PM
Tiny
JP3256
  • MEMBER
  • 11 POSTS
Oops again. I found a single red wire on the driver's side near the w/s washer pump. I think that's the one. I can't find how to exactly perform the test.
Was this
answer
helpful?
Yes
No
Sunday, May 11th, 2025 AT 2:34 PM
Tiny
AL514
  • MECHANIC
  • 5,584 POSTS
If there is an access cover to the pump without dropping the tank, I would make sure you're getting a full 12volts at the pump connector while cranking, by back probing the connector so it's still plugged in, that way the circuit is loaded by the pump itself. Back probe the connector on the power and ground wires with a multimeter, and make sure you have a full 12-volts there. Also check the Pump Ground which is under the driver's seat and the relay ground G120 (black/white wire) in the engine compartment. The prime connector just bypasses all the wiring from the ignition switch; you can see in the diagram the fuel pump relay has pins 30 and 87A closed when the relay is not energized.
But before putting power to the prime connector, do the basic checks at the pump connector first. The pump shouldn't be making any noise after the key is off, you could put a multimeter lead on the prime connector and see if there is power there after the key is off.
Was this
answer
helpful?
Yes
No
+1
Monday, May 12th, 2025 AT 9:40 AM
Tiny
JP3256
  • MEMBER
  • 11 POSTS
Here we go:
1. Replced oil press switch, noda
2. No volts at prime connector w/key off
3. With key off test light connected +batt to prim connector, 12v (so ground is good) but no pump noise/hum
4. Fuel pump access plug at tank; 4.7v at back prob but 8.7v at power female plug (when disconnected), 5.0v at bck prob with engine "running".
5. Still 40lbs pressure at key on and holds, 45ish with engine "running" and holds after engine off
6. QUESTION; since pump holds pressure well, the pump may not actually be pumping enough fuel but appears to be because pressure is holding?
7. With the pressure tester hooked up and the relief value taped "open", I started car feathered but only a dribble of gas from the vent tube. Does that indicate pump is poo poo?
8. Pump still make 20ish second loud "whine" after key is off.
9. Btw, 6 months ago my key cylinder went up so there was no resistance and the VATS kicked in. I bypassed that with a on/off switch between the starter and solenoid. The key has to be "on" in order to start the engine. That's been working just fine.

Thanks
Was this
answer
helpful?
Yes
No
Tuesday, May 13th, 2025 AT 1:43 PM
Tiny
AL514
  • MECHANIC
  • 5,584 POSTS
Well, you should have battery power at the fuel pump harness plug, 8volts is very low, and when the circuit is loaded by the pump the voltage drops even lower. Since the pump is holding pressure, the check valve in the pump seems to be okay, did you replace the filter as well when doing the pump?
It sounds like there is just low voltage back at the tank. I would check the fuel pump relay, these would corrode from underneath the fuse/relay boxes and cause all kinds of problems, many times the connectors for relays or fuses would just end up breaking off. Since the fuel pump relay is in the engine compartment fuse panel, its exposed to the elements. Pull the relay out and check for corrosion there as well as a voltage reading, see if its low at that point also. With the relay removed there should be one pin that has power all the time, thats the power wire that feeds the pump when the relay is energized, the Orange wire (pin 87) from the ECM BAT Fuse 20amp. If you have full battery power at that location, we can work our way back to the pump from there to locate the problem area.
Theres also going to be a purple wire at the tank connector, that's for the gauge, you want the grey wire (B+) and the black wire. The pump may be making a low frequency noise due to low voltage.
So your test light hooked to B+ and touching the prime connector was grounding through the pump itself.
Technically you could put battery voltage to the prime connector and the pump should run, I'd use a fused wire to do so though. You can also use the prime connector as a test point, with the fuel pump connector unplugged, put power to the prime connector (red wire) and see if you're getting the same voltage reading at the pump's grey wire. If you put 12-volts to it and only get 7-8volts at the pump, you know there's an issue with either the relay circuit or grey wire running to the back of the vehicle. But the low voltage is going to be the reason you didnt get any fuel volume out of the pressure gauge.
Was this
answer
helpful?
Yes
No
+1
Wednesday, May 14th, 2025 AT 12:54 PM
Tiny
JP3256
  • MEMBER
  • 11 POSTS
5/14/25
1. Replaced fuel filter with new pump.
2. Relay 12.4v across pins 30 and 87, good grnd.
3. Ecm batt fuse 11.45v across pins, good ground.
4. With key on, gray wire 0.0v back probed and same with connector unplugged,
unplugged gray to either blk wires or to ground 0.0v
5. With 12.4v to prime connector; 0.0v at fuel connector from grey or purple wires back probed or direct from socket.
6. With pins 30 and 87 shorted and pump running, 0.0v at grey or purple wire at f.T. Connector.
7. Tested continuity of grey wire from fuse box to fuel tank coupler GOOD.
8. No blk/wht wire under either front seats that I can see. All wires go to seat controls.
Was this
answer
helpful?
Yes
No
Wednesday, May 14th, 2025 AT 3:25 PM
Tiny
JP3256
  • MEMBER
  • 11 POSTS
Forgot to mention that I checked the fp relay ground (b/w wire) and it's good.
Was this
answer
helpful?
Yes
No
Wednesday, May 14th, 2025 AT 4:36 PM
Tiny
AL514
  • MECHANIC
  • 5,584 POSTS
If you had pins 30 and 87 jumped out and the pump was running there had to be power on the grey wire, my guess is the probe pin wasnt making contact. Since the grey wire is the only power feed to the pump.
This is the oem wiring diagram, but at key On youre only going to get that 2 sec power and prime, and then power again when you start to crank the engine. Im not sure why you werent getting power from the prime connector back at the pump, its possible something is going on with the relay or the Red prime wire is open circuit. You can check for continuity from the prime connector to the relay 87A pin. Having the meter set on the Ohms setting one of the relay pins should read close to 0 ohms. If not, it isnt the biggest deal.
If you jump pins 30 and 87 do you get full fuel pressure at the fuel rail and then also 12volts on the Grey wire with the FP connector unplugged? So you can get a reading directly from the connector without having to probe the back of the connector. We need to make sure the wiring is good back to the pump. Double check your back probe pin, some can be difficult to make good contact inside connectors.
Was this
answer
helpful?
Yes
No
Wednesday, May 14th, 2025 AT 7:32 PM
Tiny
JP3256
  • MEMBER
  • 11 POSTS
Good morning
1
Was this
answer
helpful?
Yes
No
Thursday, May 15th, 2025 AT 10:14 AM
Tiny
JP3256
  • MEMBER
  • 11 POSTS
Good morning,

1. Continuity from fuel prime conn to pin 87a.
2. Jumped 30 87, pump running 0lbs at rail with key off. 18lbs with engine "running"
3. 12v to grey wire with 30 87 jumped and engine off.
4. 12v to f. Prime, now pump runs (:
(obviously did something wrong the other day)
Was this
answer
helpful?
Yes
No
Thursday, May 15th, 2025 AT 10:44 AM
Tiny
AL514
  • MECHANIC
  • 5,584 POSTS
I'm surprised it runs with only 18 PSI, do you have an amp clamp that can read DC current? But if you read through the service info on the fuel pump, it describes the circuit's operation where if the fuel pump relay fails, the fuel pump can be fed power through the oil pressure switch. You can bring the pump back to O'Reilly's and try a new one or different brand.
The more technical method of testing a fuel pump is to get a current reading and I'll also scope a pumps voltage waveform and from that can calculate the pumps rpm to see if its struggling. For example, theoretically if there was a restriction in the fuel system the pump would be running at a lower rpm because its pushing against that restriction, and without the restriction the pump would be running at a higher rpm because its not being forced to do extra work. This is just an example though. Those pumps would run 4-6 amps or so.
Another test you could do is a voltage drop test between the pumps Grey wire and B+ (ECM BAT fuse 20Amp), and with the pump running see what the voltage difference is between those two points. It should be a very low number (technically 0.5volts roughly), and having the pump running loads the circuit. Any higher number means there is resistance in the circuit somewhere.
Was this
answer
helpful?
Yes
No
Friday, May 16th, 2025 AT 8:22 AM
Tiny
JP3256
  • MEMBER
  • 11 POSTS
Well, it's not the fuel pump ): put new one in with same results, starts immediately dies then with 20 seconds of pump running afterwards.
1. Does that rule out amp draw problems?
2. Sprayed starter fluid into intake same results. So not a fuel supply problem?
3. Had VATS probs last year, tested ECM and ICM, both were OK.
4. Fuel press reg seems good. No leaking no fuel coming out of vacuum line.
5. B4 replacing original pump it made same noise after engine shut down but car still ran good. Replaced with new pump no noise car ran fine until last week.
Okay, but now what?
Was this
answer
helpful?
Yes
No
Sunday, May 18th, 2025 AT 6:36 AM
Tiny
JP3256
  • MEMBER
  • 11 POSTS
Oops, still no engine codes.
Was this
answer
helpful?
Yes
No
Sunday, May 18th, 2025 AT 6:37 AM
Tiny
AL514
  • MECHANIC
  • 5,584 POSTS
You wrote you only had 18psi of fuel pressure with the vehicle running, and 0psi with the relay pins jumped out pump running, how or where are you testing the pressure from? Is your fuel gauge even working? Your testing results are inconclusive. It sounds like your fuel pressure gauge is not working correctly. You said there was barely any fuel coming out of the pressure gauge relief hose and then no voltage at the pump connector, then there was voltage and the pump running. You should have a solid 41-47psi at the rail. Thats the spec.

***Did you do the voltage drop test from B+ to the grey wire at the pump to see if there was any voltage loss on the power circuit? Or use a higher amperage test light like a head light bulb, unplug the fuel pump connector and put the bulb in place of the fuel pump, using the grey wire and the Black wire, does the bulb light up brightly? This is load testing the wiring to the pump.
If the spark plugs are fouled out from cranking the vehicle a bunch of times, it won't do anything spraying starting fluid into the intake.
If you think it's not a fueling issue, then are you losing spark or injector pulse after start up?
The ICM controls spark while cranking the engine, then the PCM takes over and controls spark timing. But you really have to verify the fuel pressure and be positive, it's not the issue.

Do the electrical load test on the fuel pumps wiring. A headlamp or turn signal bulb will pull a few amps at least, it should be enough to make sure you're not dealing with a corroded connector or ground somewhere. Wires can corrode inside the insulation from just a pin hole in the wire, and you won't even see it, hence the reason for load testing high amperage circuits like a fuel pump. They can pull anywhere from 4-9 amp of current, and if the relay can't handle that current once it warms up, you will end up with inaccurate testing results like this.
Here are some guides to help walk you through testing. Double check your fuel pressure testing gauge as well.

https://www.2carpros.com/articles/how-to-check-wiring
https://www.2carpros.com/articles/how-to-check-for-ignition-spark
https://www.2carpros.com/articles/how-to-test-a-fuel-injector
Was this
answer
helpful?
Yes
No
Sunday, May 18th, 2025 AT 10:33 AM

Please login or register to post a reply.