While driving engine shuts off

Tiny
YASIRDAHHAM
  • MEMBER
  • 186 POSTS
You may consider adding another option for the (Was This Answer Helpful? Yes / No / I Am grateful, you cut through a lot of red tape Googling with pinpointed answers, be blessed for the assistance you are providing.
I have this question too, it baffled my electrician and me: The first fuse in the upper row of fuses have a little arrow marking pointing from the second fuse( from right) to the first yet the Airbag +Arrow are not marked under the second fuse but rather in an in-between location (Airbag + Arrow) (Heater A/C), the second fuse has no current rating while the first has ( 3 Amp). There is also another arrow like that in the lowermost row extreme left. Any clarification regarding these ambiguities?
Was this
answer
helpful?
Yes
No
Saturday, June 19th, 2021 AT 11:49 PM
Tiny
JACOBANDNICKOLAS
  • MECHANIC
  • 110,194 POSTS
Hi,

Because of spacing in the box, the arrows are pointing to the fuse identified.

If you look at pic 1 below, I circled the fuses I think you are questioning using different colors.

The two fuses with the red circles are both related to the airbag. The black circle is for the PCM. The green is for cruise control. The blue is for the HVAC.

The second pic below is a list of the fuses.

I hope that helps. Let me know.

Joe

See pics below.
Was this
answer
helpful?
Yes
No
+1
Sunday, June 20th, 2021 AT 7:22 PM
Tiny
YASIRDAHHAM
  • MEMBER
  • 186 POSTS
Thanks to you dear Joe. Last time it was supposed to be the (PCM ERLS) fuse that I have to check for my A/C problem. Today my electrician tried tracking this fuse and it didn't have any relevance to the A/C relay. I somehow tried the fuse that is right beneath it (the 15 Amp fuse that is between two others in the lowermost row- all having no details except for the current ratings) and there it was, it affected the test lamp for the A/C relay. I will double check it using the diagram given here (focusing on the first 25 Ampere fuse of the second row, counting from right- as you had circled in blue.
One question please: Why are the lowermost row of three different rating fuses all with no details other than ampere ratings? How can one tell what circuit or component/relay does each of the 3 fuses here connect to and control?
Was this
answer
helpful?
Yes
No
Monday, June 21st, 2021 AT 5:38 AM
Tiny
YASIRDAHHAM
  • MEMBER
  • 186 POSTS
And one more thing please: My engine is working without any stalling like it used to do before but on condition that I be paying attention to 2 fuses that keep the engine working even after I have just turned the Ignition switch off, I have to pull these 2 fuses out of the fuse panel so that the engine is turned off completely when I am about to leave the car. The attached images are for one other suspicious issue with my wiring that might be causing such a weird case. These are 5 wires here, the colors are a bit pale but I am seeing the followings:

1. Green - light blue : These are currently attached to the coolant temperature sensor with the coolant/engine temperature gauge in the IP working alright showing temperature as usual.
2. (Black- yellow : These two wires are now attached to the Coolant Temperature Sender Unit according to what one diagram you had sent says.
3. Violet: This wire is now attached to the oxygen sensor. Any corrections from your side regarding the Coolant Temperature Sender Unit wire colors? Is my wiring okay?
Was this
answer
helpful?
Yes
No
Monday, June 21st, 2021 AT 8:01 AM
Tiny
JACOBANDNICKOLAS
  • MECHANIC
  • 110,194 POSTS
The three fuses I circled at the bottom are for the following (from left to right). Airbag, PCM, Cruise control.

As far as the wires, I believe they look correct.

Let me know the results.

Joe
Was this
answer
helpful?
Yes
No
+1
Monday, June 21st, 2021 AT 10:09 PM
Tiny
YASIRDAHHAM
  • MEMBER
  • 186 POSTS
This explains it all. It is all about the little arrows, I mistook the description right beneath the last 4-fuses row to be referring to the same fuse and just like this (ERLS PCM) with PCM being typed under ERLS ! Once again, thanks to you for bearing with my inquiries.
Was this
answer
helpful?
Yes
No
Tuesday, June 22nd, 2021 AT 1:16 AM
Tiny
JACOBANDNICKOLAS
  • MECHANIC
  • 110,194 POSTS
You are very welcome. I hope it helps.

Take good care of yourself, and let me know if there is anything I can do to help.

Joe
Was this
answer
helpful?
Yes
No
+1
Tuesday, June 22nd, 2021 AT 6:58 PM
Tiny
DANNY L
  • MECHANIC
  • 5,648 POSTS
Hello again.

Yes, I believe a wiring issue from the coolant temperature sensor circuit would give you a stalling condition. Glad to hear you've finally narrowed the problem done. Let us know what happens as we're always here to help. Thanks again for using 2CarPros.

Danny-
Was this
answer
helpful?
Yes
No
+1
Wednesday, June 23rd, 2021 AT 10:22 PM
Tiny
YASIRDAHHAM
  • MEMBER
  • 186 POSTS
This is the greatest auto diagnosis and maintenance website I had ever been to. You guys take the time to bear with us and treat our issues as if your own. I started with a bundle of issues that had really been narrowed to a few tiny ones, I am grateful to you dear folks.
Was this
answer
helpful?
Yes
No
Wednesday, June 23rd, 2021 AT 11:48 PM
Tiny
DANNY L
  • MECHANIC
  • 5,648 POSTS
You're welcome !
We're here to help. Keep us updated and let us know if the stalling issue is fixed. Thanks again for using 2CarPros.

Danny-
Was this
answer
helpful?
Yes
No
+1
Wednesday, June 23rd, 2021 AT 11:58 PM
Tiny
YASIRDAHHAM
  • MEMBER
  • 186 POSTS
As I was tightening the screws and bolts for my car's dashboard( it gave me irksome squeaking sounds lately) I glanced another aluminum box like the PCM. It is mounted to the side of the car body at a right angle with that where the PCM unit is mounted, what is this one? What does it control? I am attaching 2 images for it plus an earlier image for the PCM to compare the labels may be.
Was this
answer
helpful?
Yes
No
Friday, June 25th, 2021 AT 8:38 AM
Tiny
YASIRDAHHAM
  • MEMBER
  • 186 POSTS
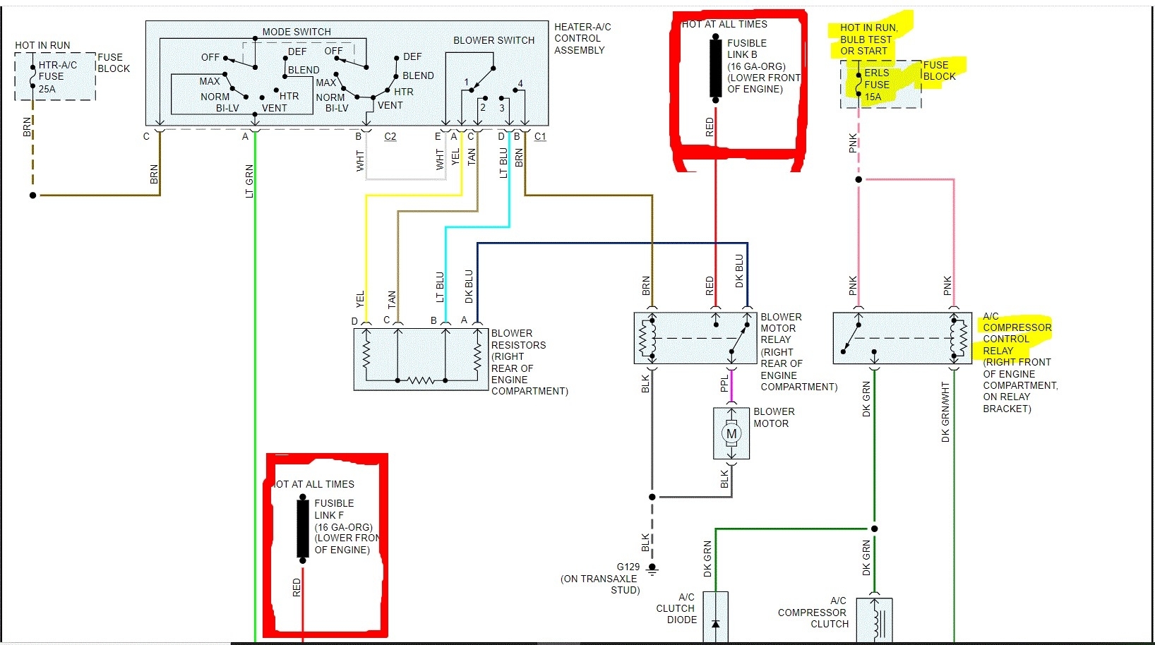
As you can see in the attached image( First one), I stripped the thick harness sleeve lying behind the rear side of the engine to check for any suspicious wire. The red wire (highlighted in yellow) has no voltage in all positions of the Ignition Switch, just a dead wire. Is it the same red wire shown in the schematic I received earlier from you ( Second attachment), the one having a fusible link : either (Fusible Link F 16 GA-ORG Lower Front of Engine) or ( Fusible Ling A 16 Ga-ORG Lower Front of Engine) as described in the attached schematic diagram ( both surrounded by a red rectangular frame? If it is the same wire as I believe, kindly acknowledge: where can I find these fusible links exactly? How does it look on the front side of the engine?
Was this
answer
helpful?
Yes
No
Saturday, June 26th, 2021 AT 5:49 AM
Tiny
YASIRDAHHAM
  • MEMBER
  • 186 POSTS
I also checked my Fuel Pump Relay as per the pins numbers and the colors of the wires attached to each pin. While the diagram received from you ( attached here) gave exact colors for corresponding pins( numbered)( for which I am very thankful to you ), my electrician seems to have gone for an alternate layout and as follows. The following is a comparison of the connection ( actual and as per the document attached):

Pins No. 30, 85 & 86 match your document. Only these two pins/wires have some issues:

1. Pin 87: According to your schematic it should be connected to the (PINK) wire, my electrician paired it with the Pin No. 30 of the adjacent relay of the( Coolant Radiator Fan) because the pink wire used to lose LIVE signs from time to time causing sudden stalling for the engine, so that was his alternative to get the engine going all the time since he couldn't solve that puzzle of frequent stalling.

2. Pin No. 87 A (or B with me): Right now, it is connected to a (gray) wire coming all the way from that 3-wire connector of the Oil Pressure Switch/Fuel Pump Switch ( The Oil Pressure Switch fails to give any oil pressure reading on the gauge within the Instrument Panel, I replaced it twice but the problem is still the same). Again for the GREY wire, the lamp tester lights when the engine runs and it gets positive signal accordingly so the (Fuel Pump Relay) works alright. Needless to say, according to your schematic diagram, it should be connected to the (red) wire, but this wire has no electricity at all( seen in the 3rd attachment here. I am awaiting a clarification from your side to locate those two Fusible Links( shown in the 4th attachment) which may be the reason it went dead (hopefully) since they are part of the (red) wires and might have been disconnecting the circuit.
Was this
answer
helpful?
Yes
No
Saturday, June 26th, 2021 AT 8:15 AM
Tiny
YASIRDAHHAM
  • MEMBER
  • 186 POSTS
Hi dear friends, this is an update worth bringing as I believe. The red wire turned out to be leading to a female clip, one of two clips used for testing the fuel pump and are both located in the left rear side of the engine compartment (Fuel Pump test terminal 490 red according to your schematic drawing attached here). I know now that pin 87B /87A is but for feeding another line/load using the same relay, it is not of any significance to my own case so please skip that part of my earlier post. The second image attached is for the harness that connects the 4 relays corner of the engine compartment to the rest of the compartment. This whole clutter is going to reveal something, hopefully.
Was this
answer
helpful?
Yes
No
Sunday, June 27th, 2021 AT 1:11 PM
Tiny
YASIRDAHHAM
  • MEMBER
  • 186 POSTS
It pleases me to curtail this whole problem exchanges with the good news that I found the cause: The connector for the Injectors lines was found to be severely damaged with the insulation so brittle and missing in many locations. This was after I took off the insulation sleeve( that black serrated hose) near the base of the coolant radiator and brought the whole wires up to be examined one by one. Having done this and having committed to the proper wiring for the Fuel Pump Relay the engine is now working great, no (Check Engine Soon) warning light, no continuation of engine running after I be switching the Ignition Switch "off". I have to provide this testimonial, you were great, you led me right, encouraged me to take the lead and what electricians here always refused to do saying the problem is not due to this part. My earlier queries as per (what is this part?) Are still valid in case you have answers, otherwise, he main problem had been resolved.
Was this
answer
helpful?
Yes
No
Monday, June 28th, 2021 AT 2:25 PM
Tiny
JACOBANDNICKOLAS
  • MECHANIC
  • 110,194 POSTS
Hi,

That is great news. I'm glad to hear you found the problem. Please feel free to come back anytime in the future if you have questions.

Take care,

Joe
Was this
answer
helpful?
Yes
No
+1
Monday, June 28th, 2021 AT 7:47 PM
Tiny
YASIRDAHHAM
  • MEMBER
  • 186 POSTS
Your assistance has been so invaluable, the least detail and the simple schematic to you which was a gift to me. Bless you dear friend.
Was this
answer
helpful?
Yes
No
Monday, June 28th, 2021 AT 10:14 PM
Tiny
JACOBANDNICKOLAS
  • MECHANIC
  • 110,194 POSTS
You are very welcome. I hope you come back in the future if you need help.

You take care as well, my friend.

Joe
Was this
answer
helpful?
Yes
No
+1
Monday, June 28th, 2021 AT 10:48 PM
Tiny
DANNY L
  • MECHANIC
  • 5,648 POSTS
Hello again.

I've re-attached your pictures below of the part you were looking to identify and circled in red. I've attached a picture of what I found below for that part number. I'm glad you were able to find and fix the problem. Hope this helps and thanks again for using 2CarPros. We hope you will use our site again in the future when needed.

Danny-
Was this
answer
helpful?
Yes
No
+1
Tuesday, June 29th, 2021 AT 11:31 PM
Tiny
YASIRDAHHAM
  • MEMBER
  • 186 POSTS
Thanks a lot dear Danny, you contributed much to solving my problem(s). This very unit had been described a few years ago as being a control unit for the automatic transmission of my car. I always avoid going after what they say here and rather base my knowledge on credible sources like you and our friend Joe.
Was this
answer
helpful?
Yes
No
Wednesday, June 30th, 2021 AT 6:21 AM

Please login or register to post a reply.