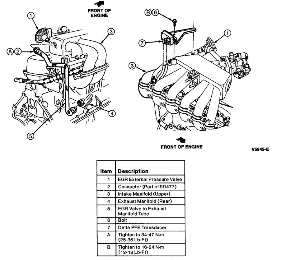
Things I've changed/fixed.
Fuel pump : New
Fuel injectors : cleand not new
O2 Sensors : OLD
Engine mounts : New and Torqd
Vacuum Hoses : All checked no cracks or leaks that I can see
Fuel : New NOT old
Fuel Regulator : New
Fuel Pressure : 35 psi was 15 replaced fuel pump with New one
Gaskets : all new intake/lower intake/heads/exhaust so on
i did Lap the valves and check for leaks with water and a oil test No Leaks I have NOT checked compression yet after new fuel pump I could check that any help would be amazing thank you. Also here is a video to show.
Monday, November 4th, 2024 AT 10:27 AM



