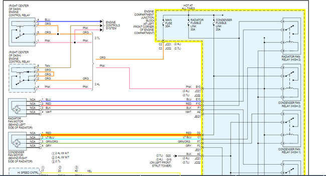
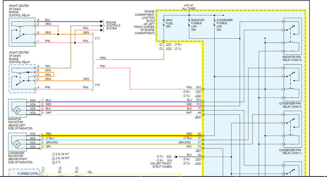
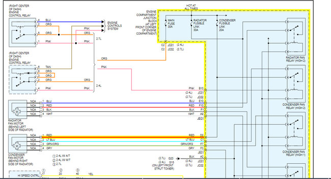
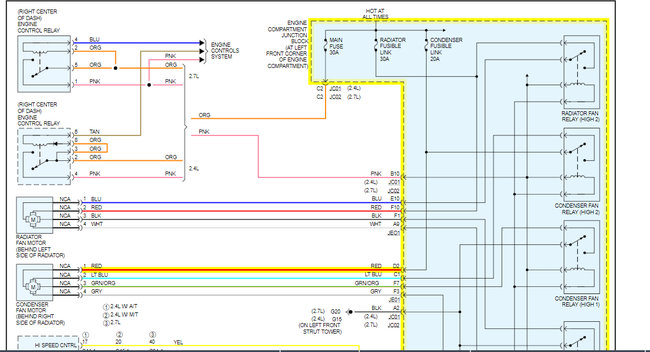
Friday, August 16th, 2019 AT 1:55 PM
I have recently gotten a radiator flush for my car, but my car still is overheating when it is idle. I was wondering what I should do.



