Sunday, October 16th, 2022 AT 7:32 PM
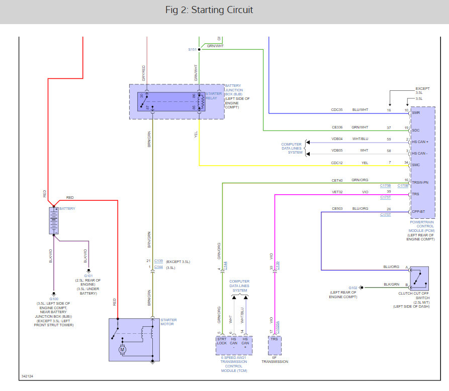
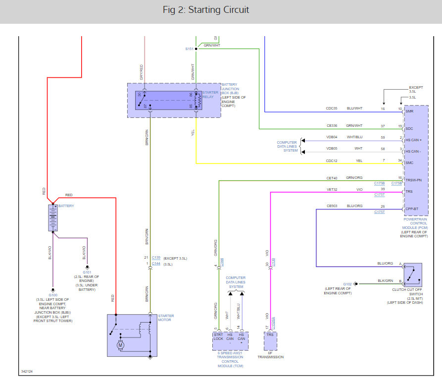
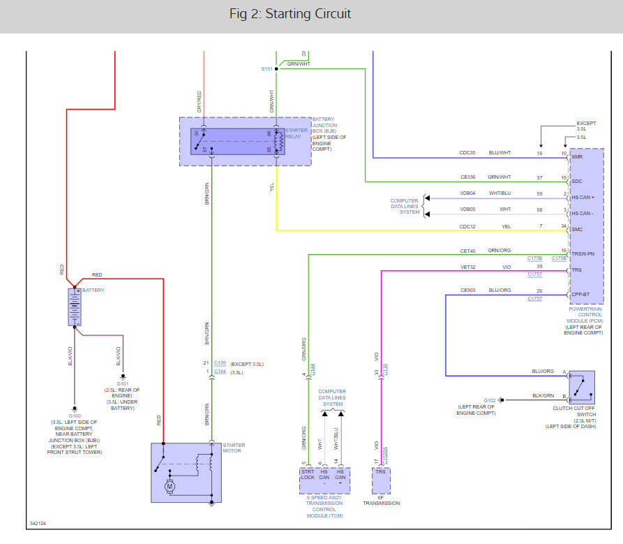
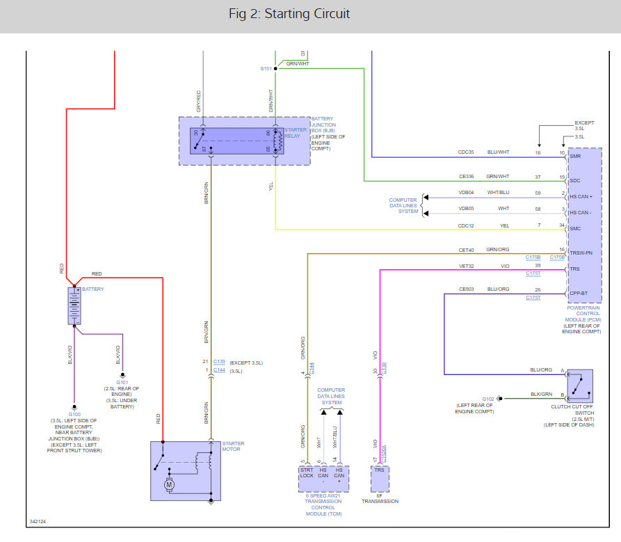
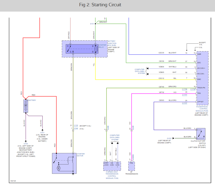
I recently bought the vehicle listed above, I has a keyless start, but the start button only turns on the ignition. I have never spoken to the previous owner, but the car was a steal, so I haven't bothered. To solve the issue of not starting with the onboard computer starting they have put in a separate button wired directly from battery to starter to get it going when you've turned on the ignition. There is no fault showing when I plug in my OBDII computer and everything else works as it should. 277,000 km on the dial approximately 172,000 miles.




