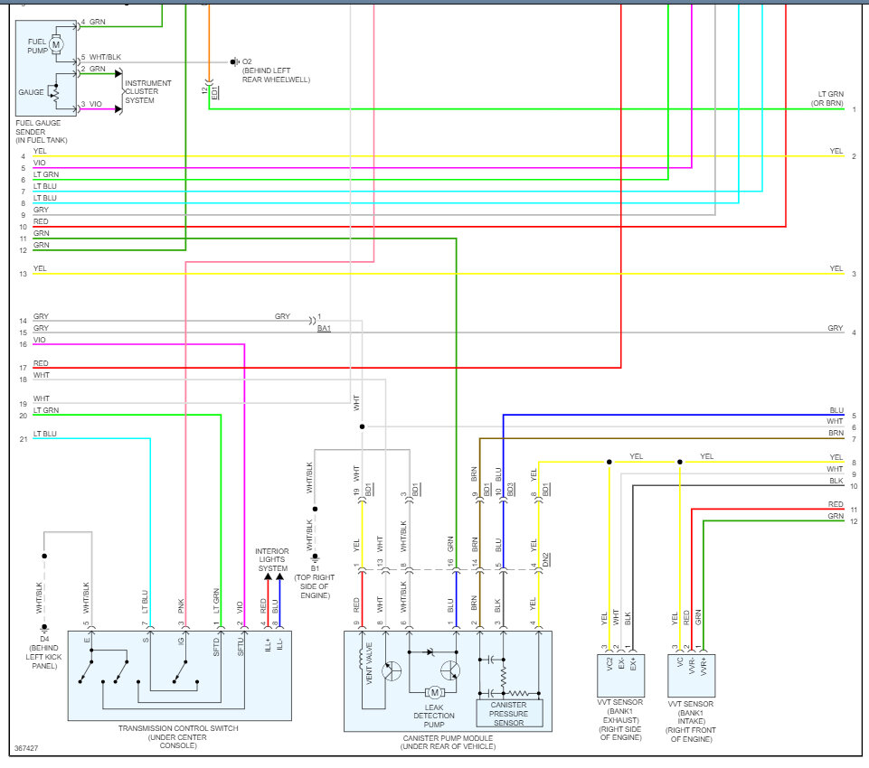
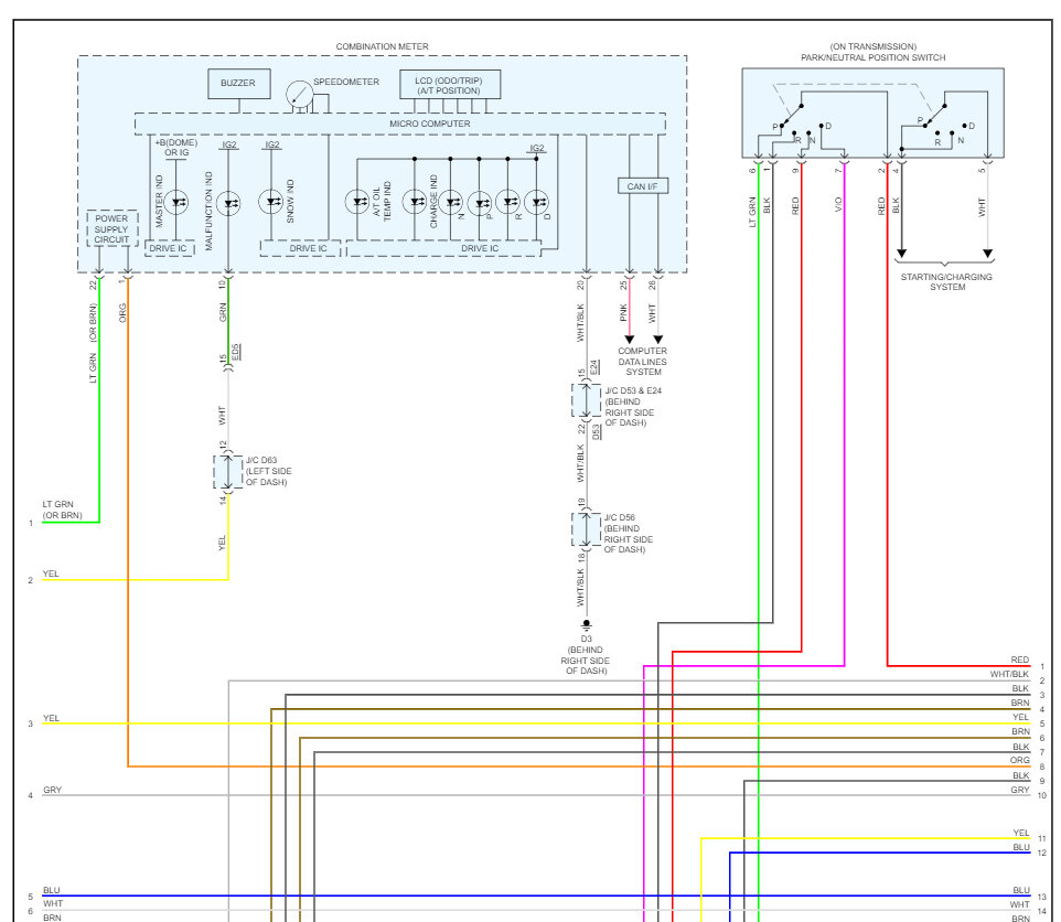
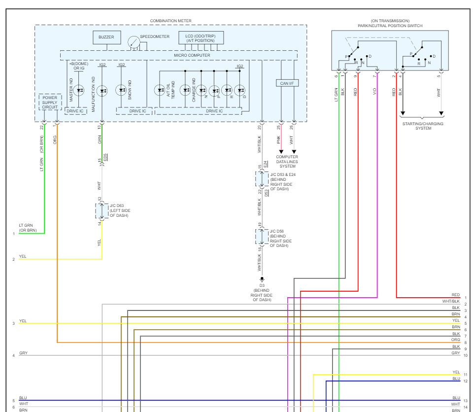
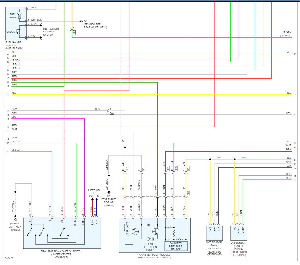
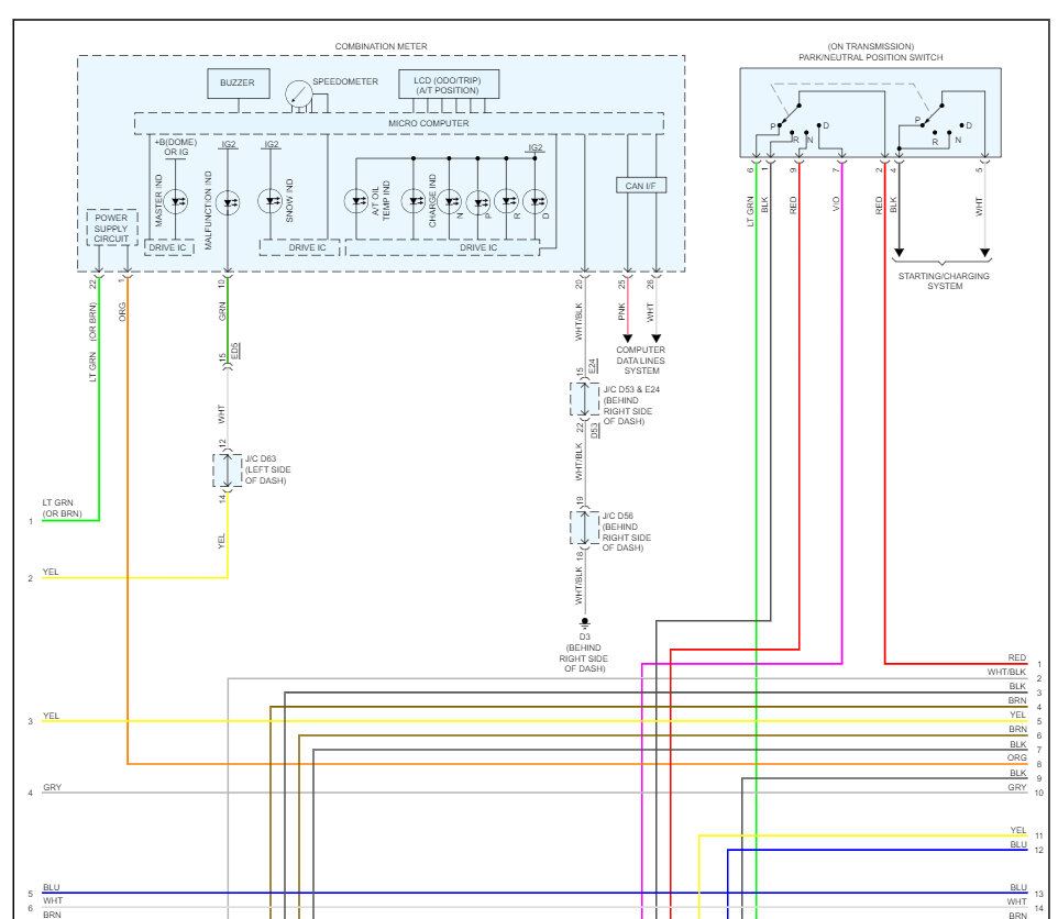
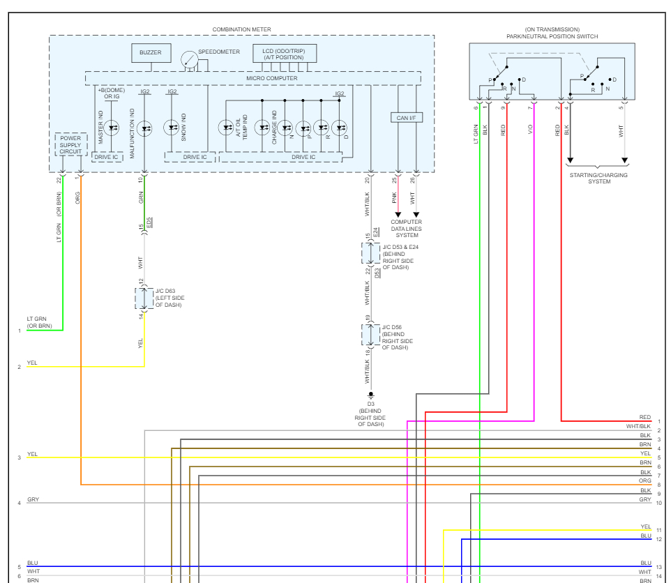
The vehicle had a burnt gasket, the gasket was replaced but it had misfire in cylinder three according to the scanner, it was checked and confirmed because the plug was soaked with fuel. The spark plugs and coil has been replaced but it seems to be the same. The coil is not to fire well. Please could you help me with the Engine Performance Circuit diagram?
Friday, March 3rd, 2023 AT 7:40 PM



















