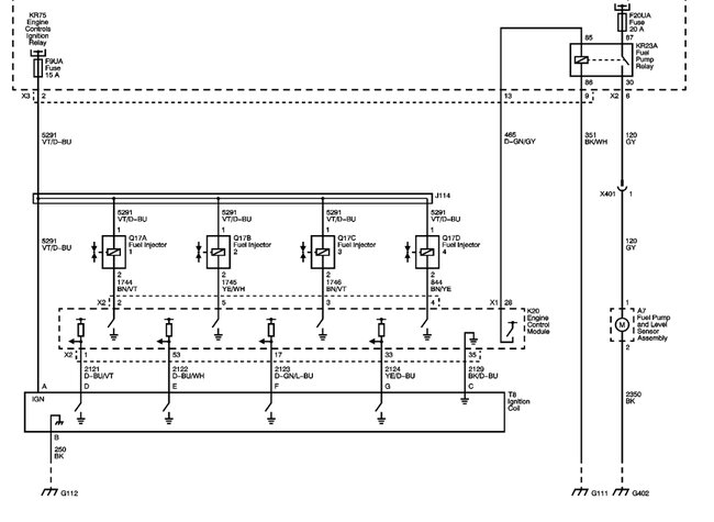
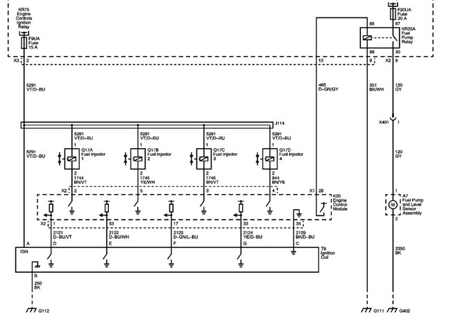
Wednesday, October 4th, 2023 AT 5:34 AM
My mechanic replaced my 2011 holden Cruze engine with 2013 holden Cruze engine. The car runs fine, but all of sudden the engine just shuts off, when you turn on again, it runs as if nothing happened and the same happens again. Any suggestions to fix the issue?











