Engine fans not working properly

Tiny
AHARTLEY
  • MEMBER
  • 1995 OLDSMOBILE 88
  • 3.8L
  • 6 CYL
  • 2WD
  • AUTOMATIC
  • 164,000 MILES
The engine fans come on when I turn the key on whether the car is hot or cold. They go off when I turn the car off.
What is this?
Question 2 (optional) where can I find a decent instruction manual to work on this car?
Wednesday, November 4th, 2020 AT 11:18 AM

14 Replies

Tiny
ASEMASTER6371
  • MECHANIC
  • 52,796 POSTS
Good afternoon,

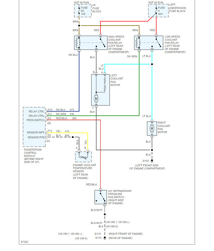
I attached a wiring diagram for you along with the location of the 2 relays that control the fan.

Can you see if the relays click when someone turns on the key? It may be a bad relay or it may be a failed ECM.

https://www.2carpros.com/articles/how-to-check-wiring

https://www.2carpros.com/articles/how-to-check-an-electrical-relay-and-wiring-control-circuit

Roy
Was this
answer
helpful?
Yes
No
+1
Wednesday, November 4th, 2020 AT 11:38 AM
Tiny
AHARTLEY
  • MEMBER
  • 118 POSTS
I have no one to turn the key.
Was this
answer
helpful?
Yes
No
Friday, November 6th, 2020 AT 12:01 PM
Tiny
ASEMASTER6371
  • MECHANIC
  • 52,796 POSTS
Okay, after you turn the key on, to the relays. Remove the relay and re install and see if the relay clicks.

Roy
Was this
answer
helpful?
Yes
No
+1
Friday, November 6th, 2020 AT 12:11 PM
Tiny
AHARTLEY
  • MEMBER
  • 118 POSTS
I've done that. :-) The relays for both the high and low clicked.
Was this
answer
helpful?
Yes
No
Saturday, November 7th, 2020 AT 3:01 PM
Tiny
ASEMASTER6371
  • MECHANIC
  • 52,796 POSTS
Okay, when you remove the relay, does the fan shut off?

Roy
Was this
answer
helpful?
Yes
No
Saturday, November 7th, 2020 AT 3:09 PM
Tiny
AHARTLEY
  • MEMBER
  • 118 POSTS
I'll have to check tomorrow. Thank you. :-)
Was this
answer
helpful?
Yes
No
Saturday, November 7th, 2020 AT 6:28 PM
Tiny
ASEMASTER6371
  • MECHANIC
  • 52,796 POSTS
You are welcome.

Always glad to help.

Roy
Was this
answer
helpful?
Yes
No
Saturday, November 7th, 2020 AT 6:31 PM
Tiny
AHARTLEY
  • MEMBER
  • 118 POSTS
It's a bit past tomorrow, however I pulled the "low" relay and nothing happened, I pulled the high and it kicked down to low.
Was this
answer
helpful?
Yes
No
Friday, November 13th, 2020 AT 3:09 PM
Tiny
ASEMASTER6371
  • MECHANIC
  • 52,796 POSTS
Did both fans go to low or just one?

Roy
Was this
answer
helpful?
Yes
No
Friday, November 13th, 2020 AT 3:30 PM
Tiny
AHARTLEY
  • MEMBER
  • 118 POSTS
I no longer hear the high speed sound but they did not both quit running.
Was this
answer
helpful?
Yes
No
Friday, November 13th, 2020 AT 8:31 PM
Tiny
AHARTLEY
  • MEMBER
  • 118 POSTS
Actually neither quit running, the sound went down though.
Was this
answer
helpful?
Yes
No
Friday, November 13th, 2020 AT 8:32 PM
Tiny
ASEMASTER6371
  • MECHANIC
  • 52,796 POSTS
Okay, based on all these checks, the ECM seems to be the issue. It is constantly grounding the relays to work 100% of the time.

I attached the procedure for you to view. It is under the right side of the dash for access.

Roy

REMOVE OR DISCONNECT

Disable Supplemental Inflatable Restraint (SIR) system.

1. Powertrain Control Module (PCM) connectors.
2. PCM.

Pull bottom of PCM rearward over locking tabs and downward to remove.

INSTALL OR CONNECT
1. PCM into bracket, making sure PCM is up over locking tabs and locks into place.

2. PCM connectors.

Enable SIR system.
Was this
answer
helpful?
Yes
No
Saturday, November 14th, 2020 AT 4:05 AM
Tiny
AHARTLEY
  • MEMBER
  • 118 POSTS
Thank you very much. :-)
Was this
answer
helpful?
Yes
No
Saturday, November 14th, 2020 AT 12:48 PM
Tiny
ASEMASTER6371
  • MECHANIC
  • 52,796 POSTS
You are welcome.

Always glad to help.

Roy
Was this
answer
helpful?
Yes
No
Saturday, November 14th, 2020 AT 1:44 PM

Please login or register to post a reply.