Monday, January 26th, 2015 AT 9:22 AM
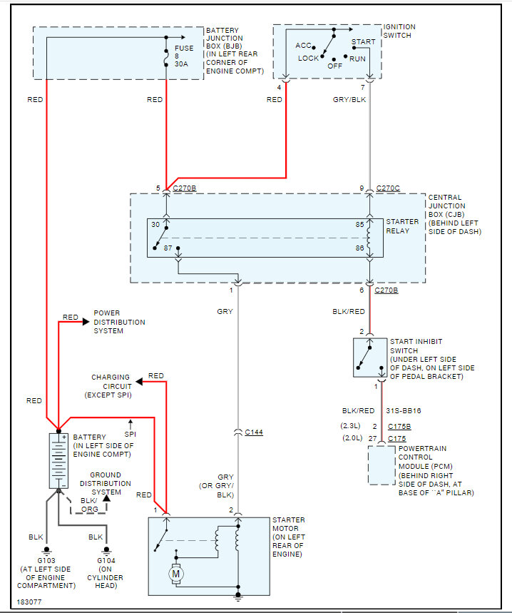
Engine does not turn over with key. I opened the ignition relay and pushed the points together. The engine swings but does not start. Could it be a faulty relay.



