Saturday, October 13th, 2018 AT 1:54 PM
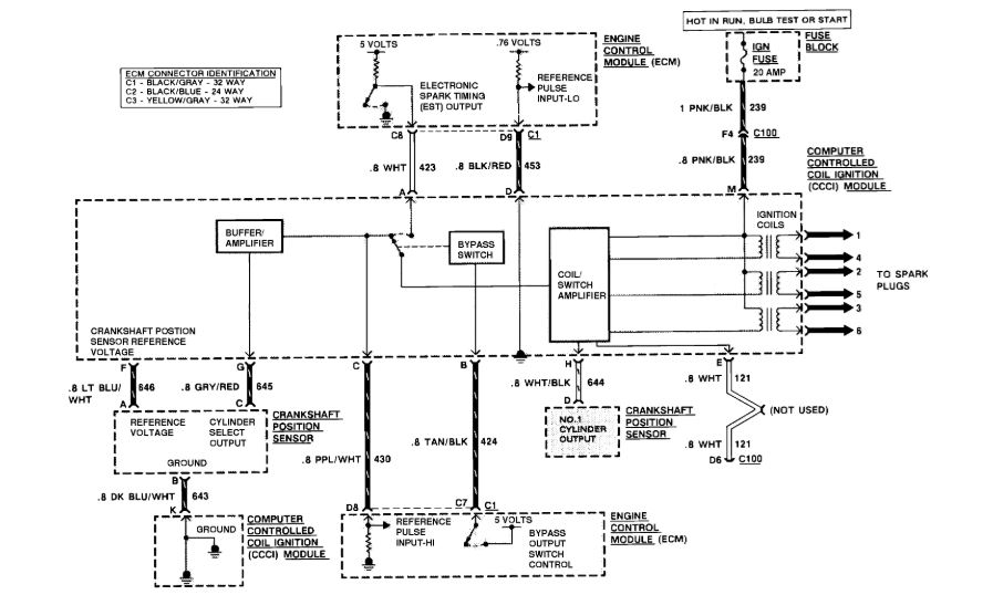
The car ran well when I got it. Soon the car would not start when the engine was hot. When it cooled down, it could be started again. Now, it will not start and no spark to any of the plugs. It will pump fuel. I have replaced about everything to do with the ignition system. I recently got a code reader. Will this give me a code even with the engine not running?






