Engine cooling fans

Tiny
LEWIS WIEMERT
  • MEMBER
  • 1998 OLDSMOBILE CUTLASS
  • 3.1L
  • 6 CYL
  • AUTOMATIC
  • 83,000 MILES
Cooling fan will not run at high speed when the temperature is above half on the guage.
Thursday, June 28th, 2018 AT 12:07 PM

6 Replies

Tiny
STEVE W.
  • MECHANIC
  • 15,682 POSTS
Those fans will not switch to high speed until the coolant reaches 226 degrees. To determine if there is an actual problem you need to know what the ECM is actually seeing as the coolant temperature. For that you need a scan tool that can read live data (most of the mid range ones will do that now). Or you can use a non contact thermometer on the radiator hose right after the thermostat. The scan tool is a better option if you plan on keeping this car or have others as well.
If you want to check a few things you can check that cooling fan two fuse (15 amp) in the under hood fuse box is good.
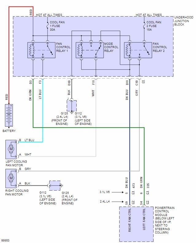
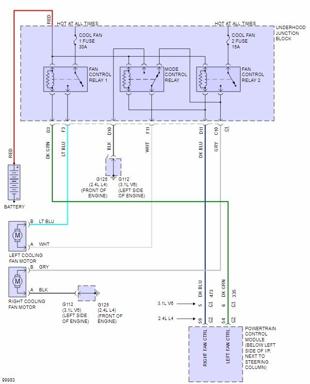
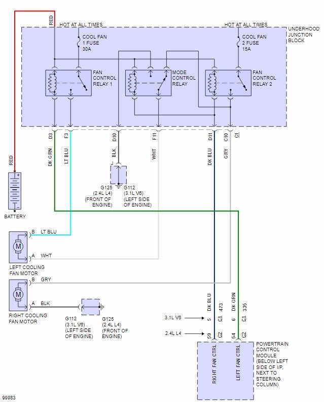
That system works by running 12 volts through both fans in series for low speed operation. If the fans are coming on at low speed both fans are okay. Then when the ECM commands high speed operation it sends a ground signal to all three cooling fan relays. During that phase those relays split them back into two separate fans and sends 12 volts to each and they run at high speed. To test the fan control relays you can swap them. The fan one and two relays are the same, if you get low speed fan with them swapped the relays are both okay.
When you select AC does one fan (right side) come on? If yes then the control circuits are working. Then you just need to know the coolant temperature to determine if there is a problem with the Engine Coolant Sensor.
Was this
answer
helpful?
Yes
No
+1
Thursday, June 28th, 2018 AT 11:05 PM
Tiny
LEWIS WIEMERT
  • MEMBER
  • 2 POSTS
The heat I feel coming from the car coming in the window tells me that coolant is beyond 226 degrees. I have checked the fuses and swapped the relays. There is a line on the gauge in between half and 2600. The needle goes just beyond that line. It never went that high until the last time I had the problem and Alex (mechanic across the street) changed a circuit board under the dash behind the heater controls that was not the HVAC blower resistor. He said it was the "fan mode card". The fans worked fine after that. When they are on high, they are quite powerful. It also solved the AC problem at the time as it blew warm at the light because they were not running fast to keep the condenser cool. The second fan no longer comes on when I turn on the AC. I believe it should whether I have lost the Freon or not. I know currently the compressor clutch is gone because it has that tinny rattle that used to go away when it engaged.
Was this
answer
helpful?
Yes
No
Friday, June 29th, 2018 AT 2:10 PM
Tiny
STEVE W.
  • MECHANIC
  • 15,682 POSTS
The fan mode card is the controller for the interior blower motor. It uses a pulse wave modulated signal to control the interior blower motor speeds.
All of the cooling fan controls are under the hood. The PCM controls them directly based on the engine coolant temperature system and the AC mode switch position and the pressure switch. Those both combine to tell the ECM that you are turning on the AC and that the AC system has enough pressure to work. If the ECM does not see the actual request for AC and the system activation it will not turn on the fan.

From your description either the mode relay has a bad contact when it switches or there is a bad ground to fan 2. The mode relay is not the same as the other two relays. It has both normally closed and normally open contacts. When it is off the N.C. Contacts allow power to flow to fan 2 from fan 1 and you get low speed on both fans. When it turns on the N.O. Contacts close and it switches the fan 2 relay on and now both fans should be on high speed. If it does not switch the system will stay on low speed.
Was this
answer
helpful?
Yes
No
+1
Friday, June 29th, 2018 AT 3:14 PM
Tiny
LEWIS WIEMERT
  • MEMBER
  • 2 POSTS
Okay. As I explained I have moved all three relays with the same number all around. No change. I energized the coils on all three manually to ensure none of them were open/stuck. All three click when power is applied and release when power is removed. They seem fine. Primary fan runs continually on low speed and the second fan runs at low speed at times. When the AC is turned on the second fan does not start. Not sure at this time if the system still has a charge. At the end of last season the AC quit. I believe the clutch failed. The pulley has that tinny rattle that stopped when the clutch was engaged. Now I just have to put up with the noise. Coolant level is okay. I let the car run yesterday while parked and watched the gauge climb higher than I ever did and the fan speed remained low, but constant.
Was this
answer
helpful?
Yes
No
+1
Saturday, June 30th, 2018 AT 4:37 AM
Tiny
KEN L
  • MASTER CERTIFIED MECHANIC
  • 55,322 POSTS
There is no low speed so that is a concern. I would check for 12 volts at the fan motor and also check the system grounds. You could have a bad fan motor causing the issue. Here is a guide to help you check for power and grounds use the wiring diagram Steve W. gave you in the first post.

https://www.2carpros.com/articles/how-to-check-wiring

Please let us know what you find.

Cheers, Ken
Was this
answer
helpful?
Yes
No
+1
Monday, July 2nd, 2018 AT 1:24 PM
Tiny
STEVE W.
  • MECHANIC
  • 15,682 POSTS
If the second fan is intermittent on low speed then the most likely issue will be a failed fan. It still has a good coil as the other fan is grounded through it for low speed. Check the ground as well as Ken stated. If there is no charge in the AC the fan will not switch on in response to the AC switch but it should still come on with high temperature.
Was this
answer
helpful?
Yes
No
+1
Monday, July 2nd, 2018 AT 2:54 PM

Please login or register to post a reply.