Engine cooling fan not working

Tiny
T41M4DG3
  • MEMBER
  • 2011 FORD FIESTA
  • 1.6L
  • 4 CYL
  • 2WD
  • AUTOMATIC
  • 120,000 MILES
Cooling fan does not come on when A/C is on in turn blows hot air from A/C when not in motion.
Sunday, September 22nd, 2019 AT 12:18 PM

1 Reply

Tiny
KEN L
  • MASTER CERTIFIED MECHANIC
  • 55,512 POSTS
Hello,

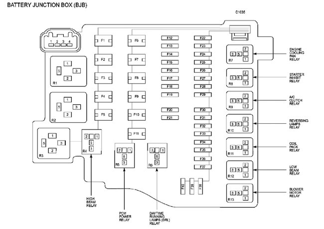
This sounds like the motor or the relay is bad. here are two guides to help us fix the problem with the cooling fan wiring diagrams below with the fuse and relay locations as well with diagrams below to show you your car:

https://www.2carpros.com/articles/how-to-check-an-electrical-relay-and-wiring-control-circuit

and

https://www.2carpros.com/articles/replace-electric-fan-motor

Check out the diagrams (below). Please let us know what you find. We are interested to see what it is.
Was this
answer
helpful?
Yes
No
Monday, September 23rd, 2019 AT 1:02 PM

Please login or register to post a reply.