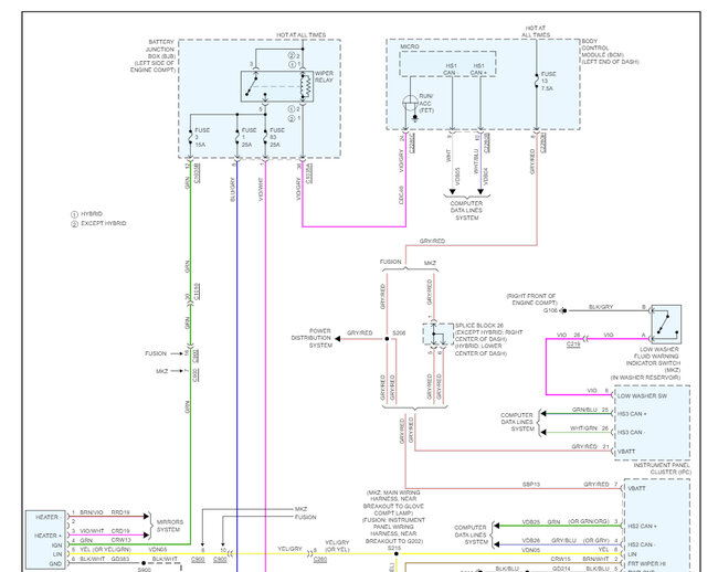
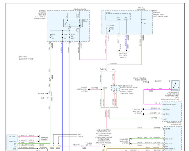
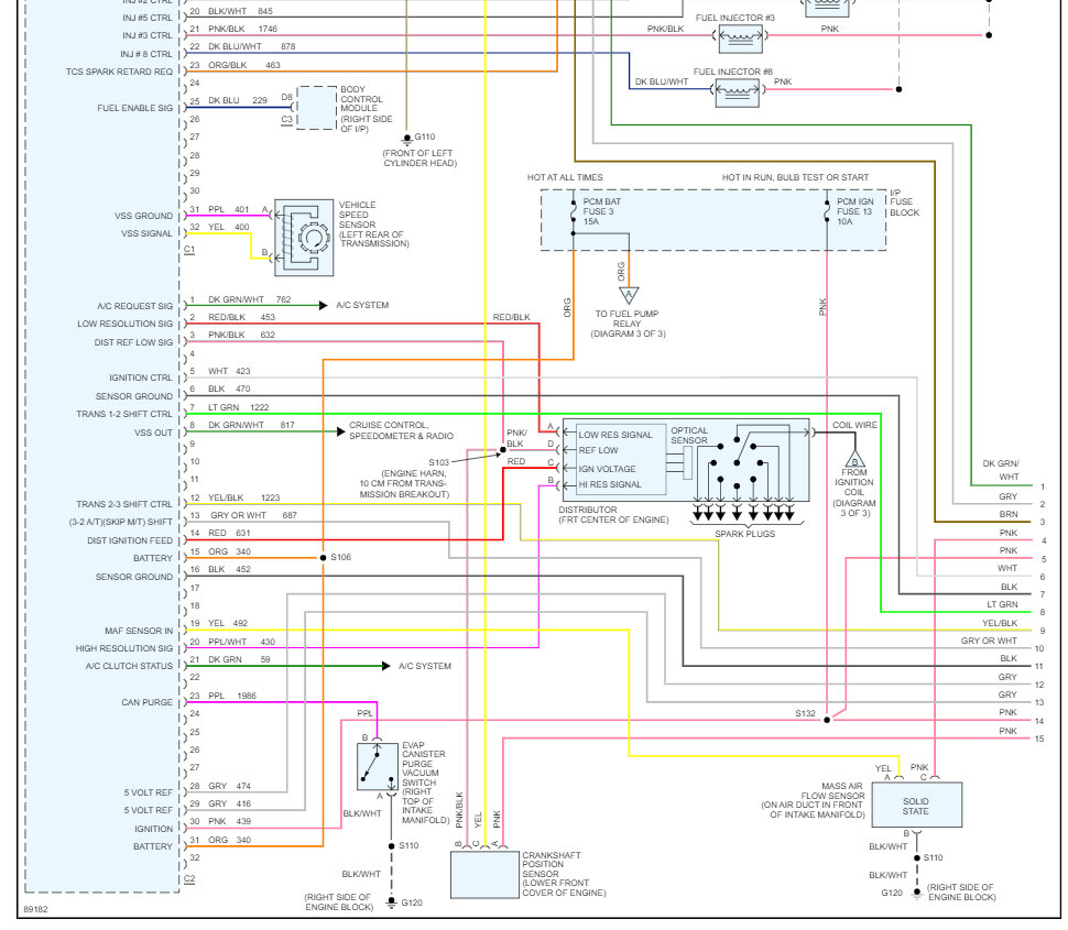
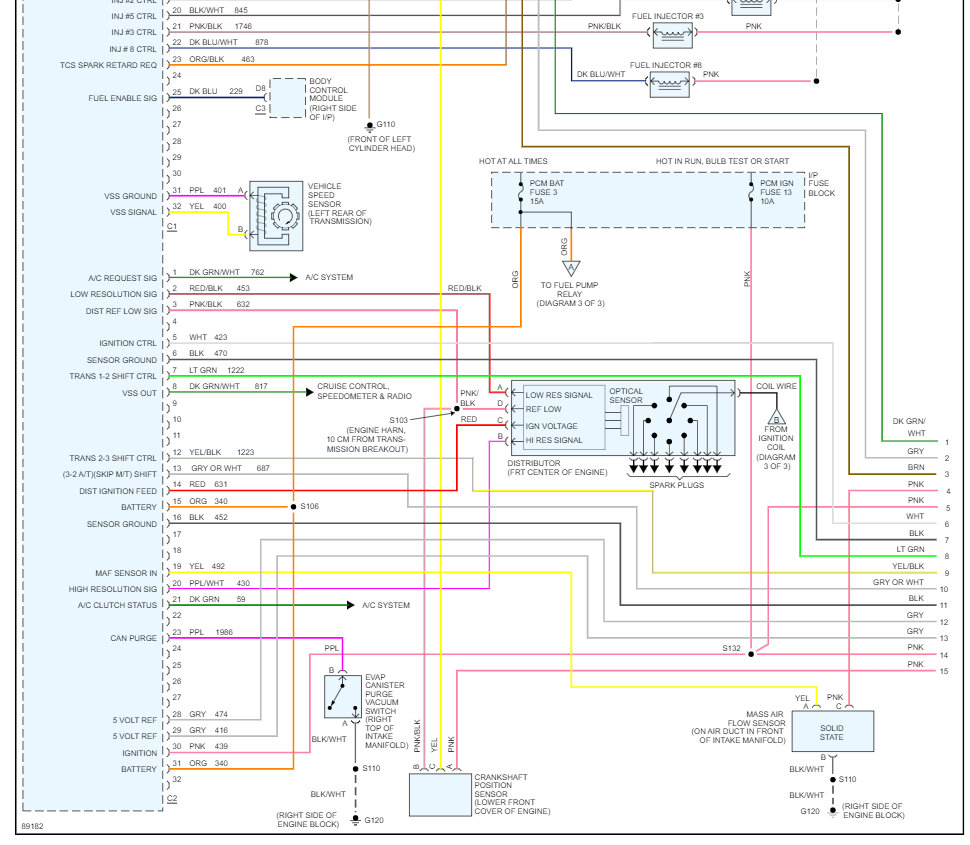
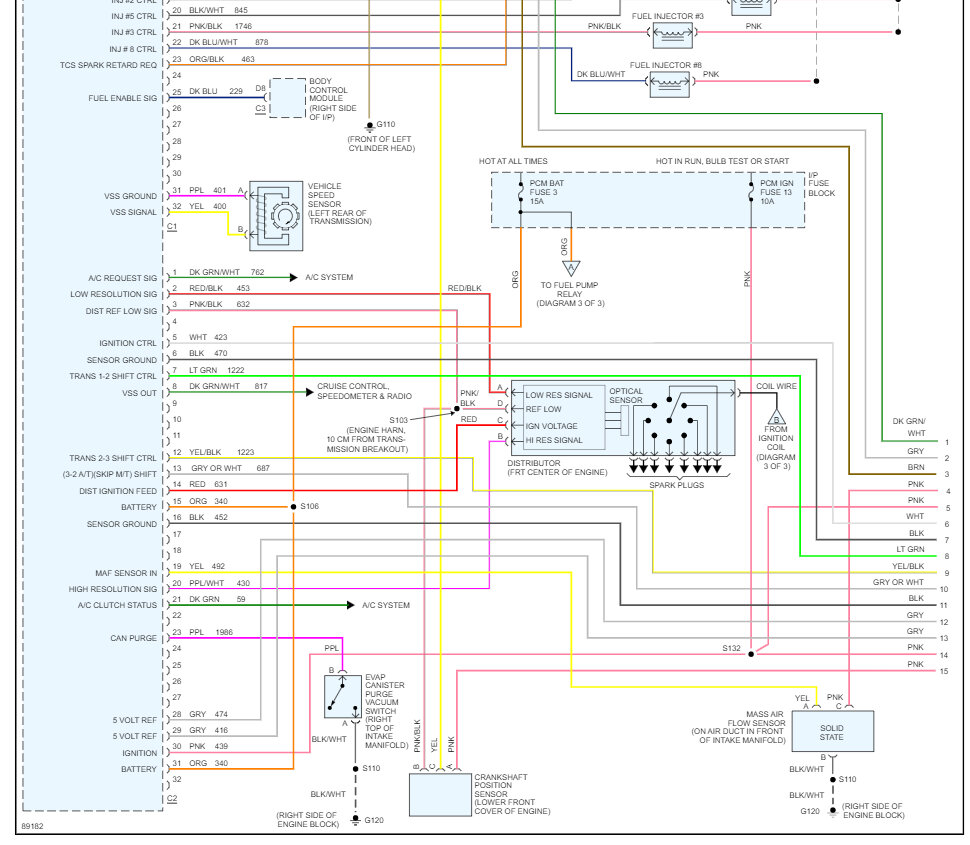
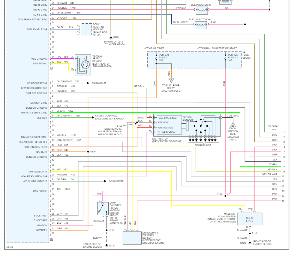
I replaced the distributor, wires, spark plugs, alternator, and water pump. Fuel pump, coil and ignition module.
I noticed that when I cranked the car the eng sensor fuse popped. So, I decided to take off the pigtail off the coil and replace the fuse with a new one. I put the key back to the crank position and the fuses didn't pop, so I decided to put the pigtail back on the coil. Once I put it back on, it pops the fuse right away.
The car was broken into, and the ignition cylinder turns to the start position by itself without a keykey. The car does turn over but doesn't turn one I'm guessing because the eng sensor fuse. Need help please.
Sunday, April 23rd, 2023 AT 5:08 PM








