HVAC electronics and air suddenly stop working

Tiny
SIMPSON2120
  • MEMBER
  • 2008 NISSAN ARMADA
  • 5.6L
  • V8
  • 4WD
  • AUTOMATIC
  • 118,000 MILES
My wife is traveling to Michigan and she calls to tell me that the electronics and air suddenly stop working
Monday, July 20th, 2015 AT 9:45 AM

1 Reply

Tiny
KASEKENNY
  • MECHANIC
  • 18,907 POSTS
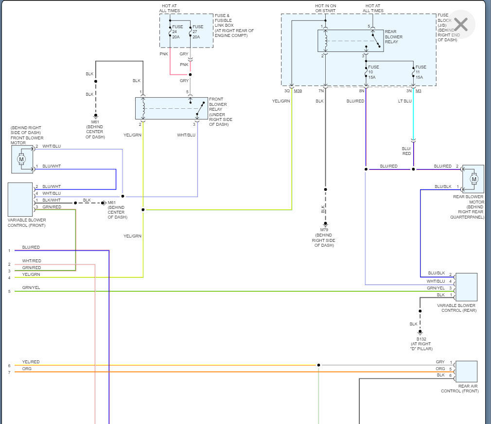
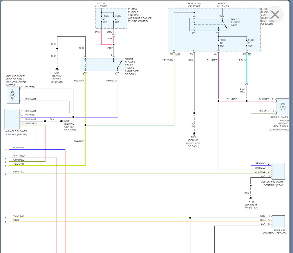
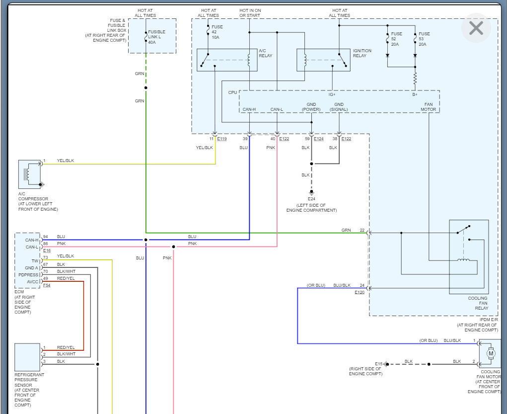
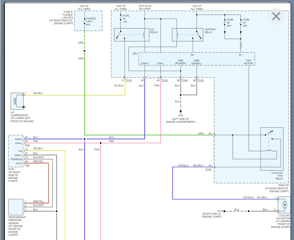
This could be a number of things, so we need to start with checking fuses and power going to the control module.

https://www.2carpros.com/articles/how-to-check-a-car-fuse

However, the most likely reason for this is a failed control module.

So, this means we should check for codes when possible and that will give us a better idea if there are any wiring issues (circuit issues) or other issues that would induce a code to point us in the correct direction.

https://www.2carpros.com/articles/checking-a-service-engine-soon-or-check-engine-light-on-or-flashing

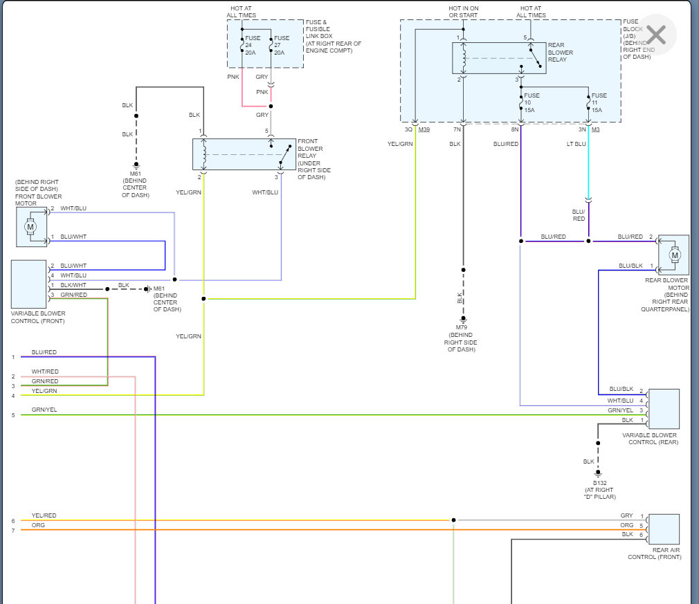
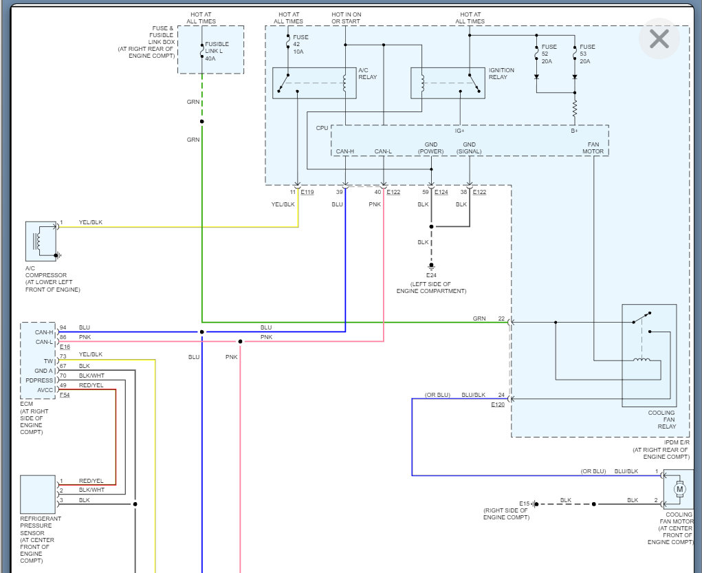
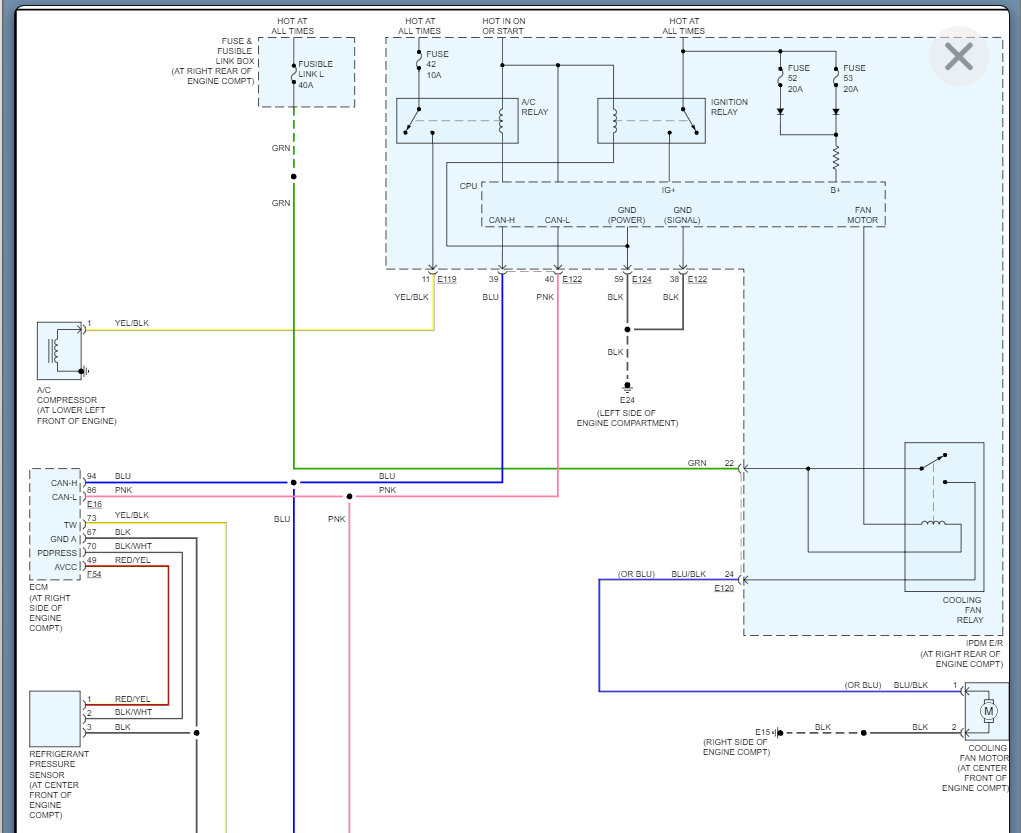
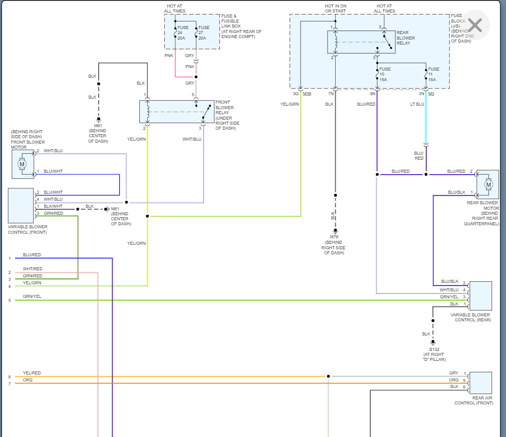
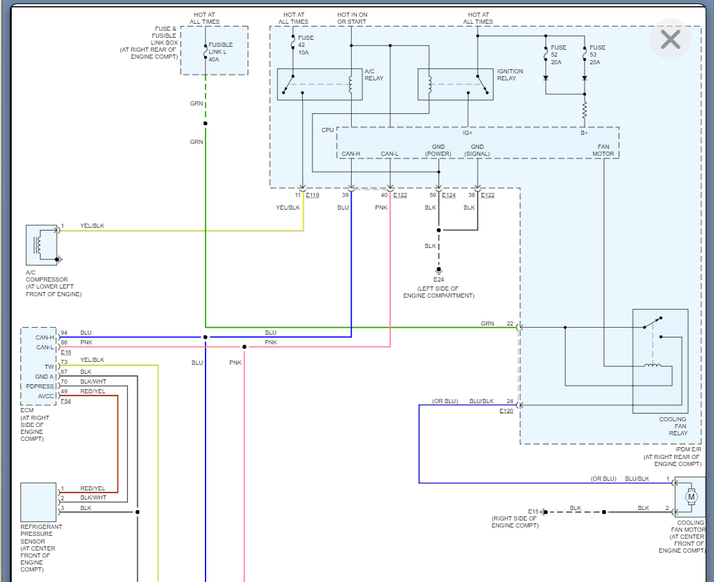
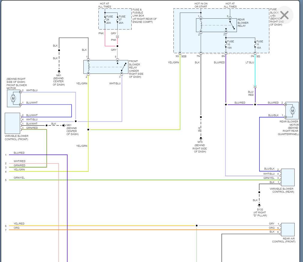
Please see the wiring diagrams below and that will help us test the fuses and wiring.

Let us know what other questions you have, and we can go from there. Thanks
Was this
answer
helpful?
Yes
No
Sunday, October 17th, 2021 AT 8:09 AM

Please login or register to post a reply.