Electrical wiring diagram for front and rear lights needed

Tiny
PAWEL_N
  • MEMBER
  • 2016 DODGE DURANGO
  • 3.6L
  • V6
  • 4WD
  • AUTOMATIC
  • 40,000 MILES
I bought the vehicle listed above from USA market. I live in EU country and I have to do some modification. I would like to know the wiring diagram for front and back lamps. I have change rear turn signal color and add rear fog lamp for EU regulations. I can see that there are 4 bulbs for reverse gear. I would like to know where the wires go to?
Thank you for yours reply.
Have a nice day,
Pawel
Monday, March 28th, 2022 AT 3:37 AM

13 Replies

Tiny
ASEMASTER6371
  • MECHANIC
  • 52,796 POSTS
Good morning,

I attached the wiring for the backup lights, park lights, and headlights.

https://www.2carpros.com/articles/how-to-check-wiring

The body control module is what controls the lights based on the input from the headlight switch. Check out the diagrams (Below). Please let us know what happens.
Was this
answer
helpful?
Yes
No
+1
Monday, March 28th, 2022 AT 12:05 PM
Tiny
PAWEL_N
  • MEMBER
  • 178 POSTS
Dear Roy,

Thank you for your reply. It is okay now. The diagrams are helpful.
But I can't find 4 white bulbs for reverse gear / backup light on rear/lift gate. There is only two wire - Left and Right side. Where is located split/junction point?
Was this
answer
helpful?
Yes
No
Monday, March 28th, 2022 AT 1:38 PM
Tiny
ASEMASTER6371
  • MECHANIC
  • 52,796 POSTS
I don't see any diagram with the 4-wire setup.

I circled the connectors, but they didn't give a location. The one is back by the taillights, but you will need to open the harness to check for that connector and see if it carries the extra wires for the 4-light system.

Roy
Was this
answer
helpful?
Yes
No
Monday, March 28th, 2022 AT 5:14 PM
Tiny
PAWEL_N
  • MEMBER
  • 178 POSTS
Thank you for your help. :-)
Have a nice day,
Pawel
Was this
answer
helpful?
Yes
No
Monday, March 28th, 2022 AT 9:47 PM
Tiny
PAWEL_N
  • MEMBER
  • 178 POSTS
There is on your diagrams the wiring for car hook too. But I cannot see the car hook in my car. Do all Durango have wiring for trailer? The last 8 numbers of VIN's are KC833672 and for the second Durango GC424738.
Was this
answer
helpful?
Yes
No
Tuesday, March 29th, 2022 AT 1:40 AM
Tiny
ASEMASTER6371
  • MECHANIC
  • 52,796 POSTS
No, they do not. It all depends on the harness that is installed on the assembly line.

Roy
Was this
answer
helpful?
Yes
No
Tuesday, March 29th, 2022 AT 4:17 AM
Tiny
PAWEL_N
  • MEMBER
  • 178 POSTS
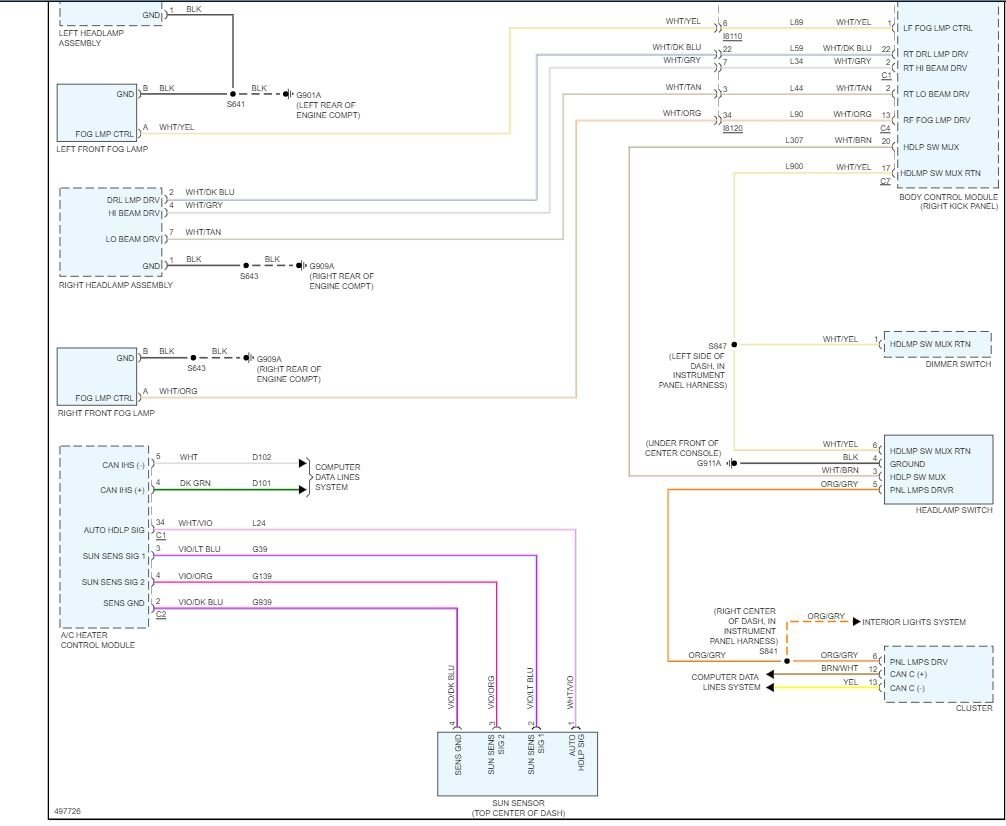
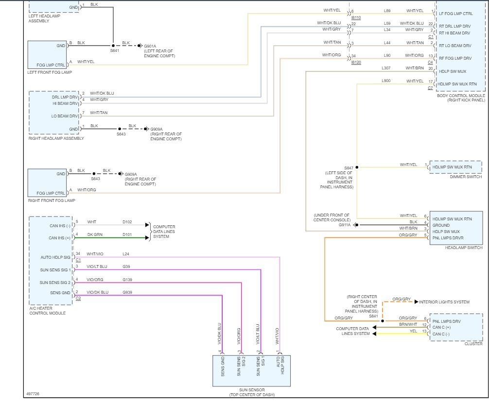
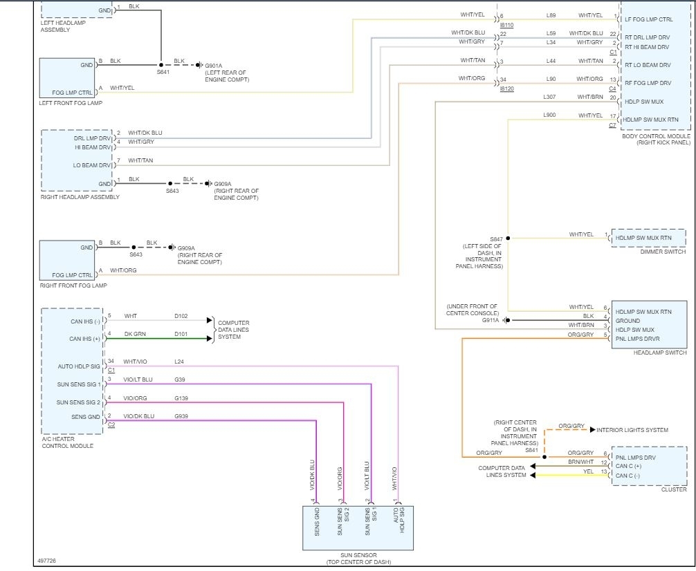
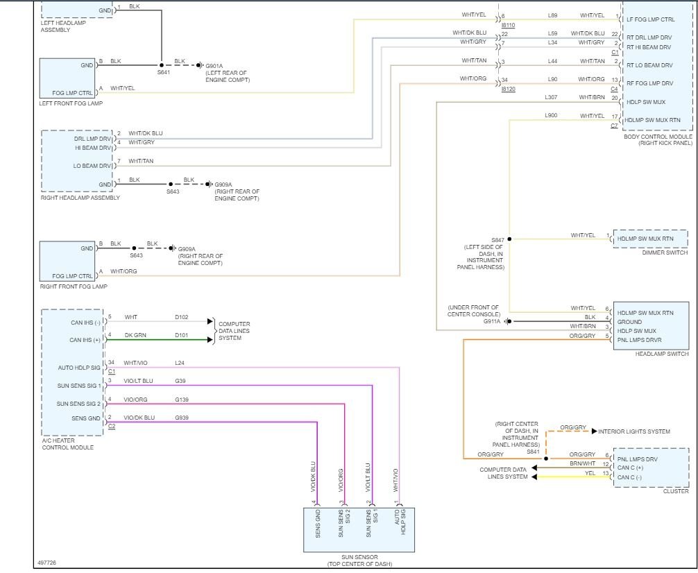
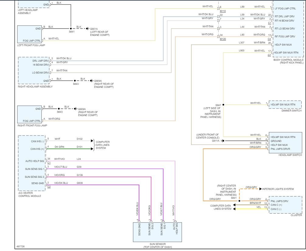
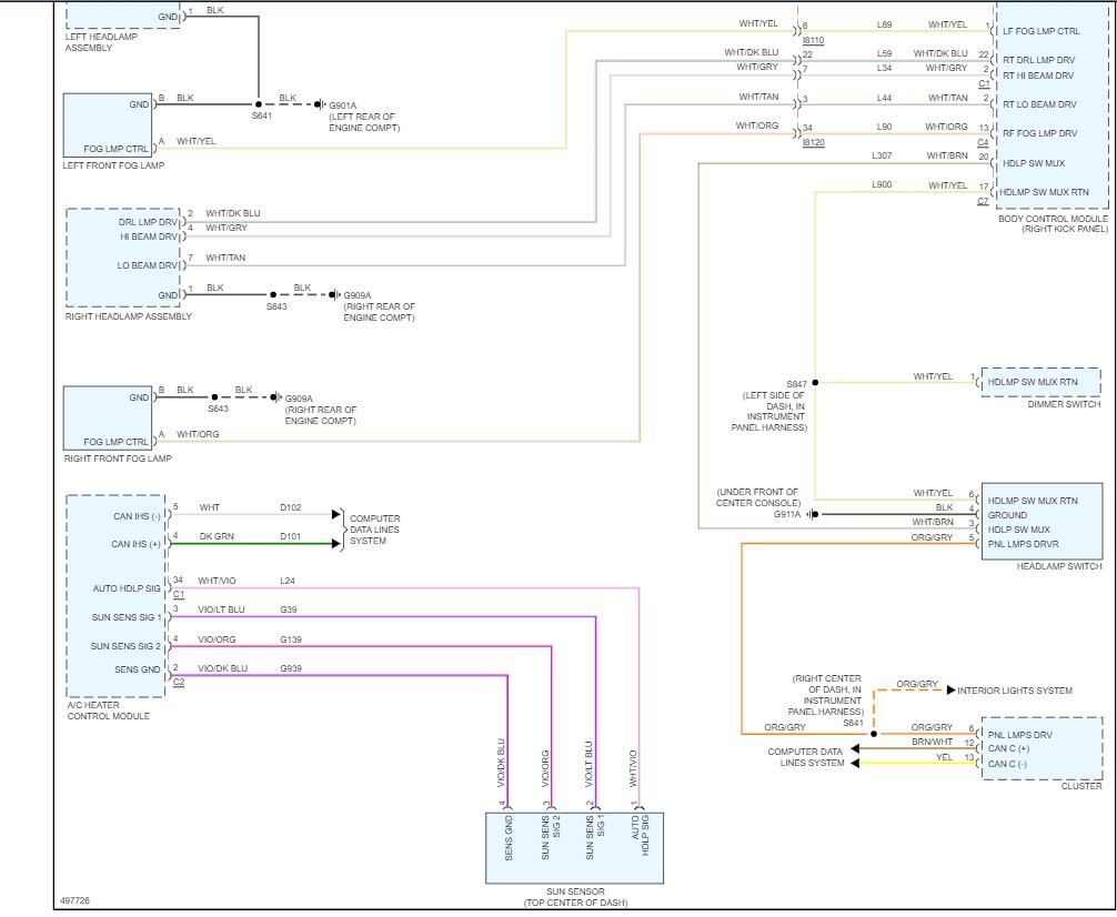
I have done the rear stop and turn lights. I have to add rear fog light. I would like to connect the front fog light with the rear fog bulb. Could you please add diagrams for front fog lamps? And location the proper wire/junction/connector on BCM for fog front lamps.
Have a nice day,
Pawel
Was this
answer
helpful?
Yes
No
Saturday, June 25th, 2022 AT 6:56 AM
Tiny
PAWEL_N
  • MEMBER
  • 178 POSTS
There are both yellow/amber turn signals.
Was this
answer
helpful?
Yes
No
Saturday, June 25th, 2022 AT 10:34 AM
Tiny
KEN L
  • MASTER CERTIFIED MECHANIC
  • 55,440 POSTS
It looks like the fog light are controlled by the BCM. Here are the fog light wiring diagrams you asked for. Check out the diagrams (below). Please let us know if you need anything else to get the problem fixed.
Was this
answer
helpful?
Yes
No
+2
Monday, June 27th, 2022 AT 1:09 PM
Tiny
PAWEL_N
  • MEMBER
  • 178 POSTS
Super :-)
Thank you very much for your reply.
Was this
answer
helpful?
Yes
No
Tuesday, June 28th, 2022 AT 12:37 AM
Tiny
KEN L
  • MASTER CERTIFIED MECHANIC
  • 55,440 POSTS
Good to hear, please use 2CarPros anytime we are here to help.
Was this
answer
helpful?
Yes
No
Tuesday, June 28th, 2022 AT 11:42 AM
Tiny
PAWEL_N
  • MEMBER
  • 178 POSTS
Dear Ken,

Could you please add wiring diagram for horn in this car too?

Thank you
Was this
answer
helpful?
Yes
No
Friday, October 27th, 2023 AT 1:49 AM
Tiny
KEN L
  • MASTER CERTIFIED MECHANIC
  • 55,440 POSTS
Sorry, we only handle one problem per thread, please post your new question here, you must be logged in.

https://www.2carpros.com/questions/new

Cheers, Ken
Was this
answer
helpful?
Yes
No
Friday, October 27th, 2023 AT 8:29 AM

Please login or register to post a reply.