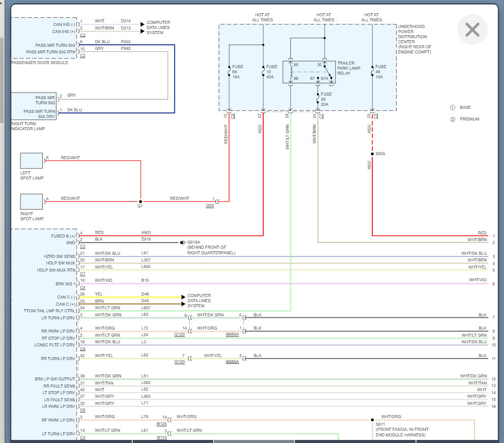
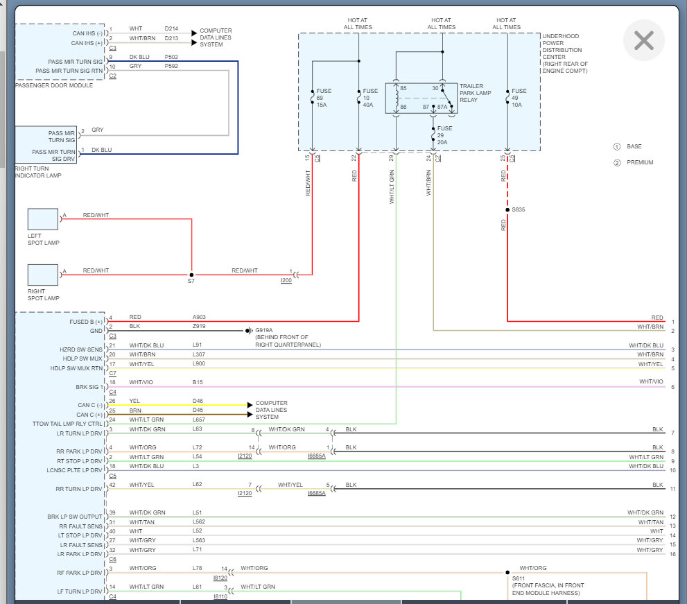
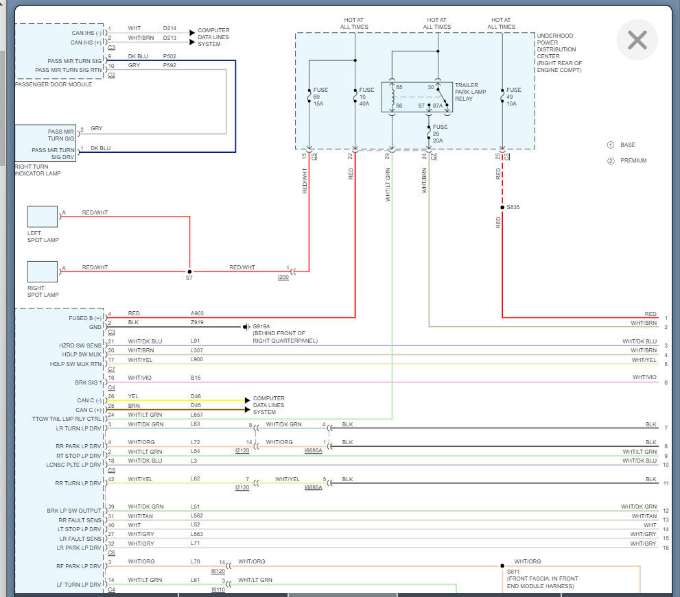
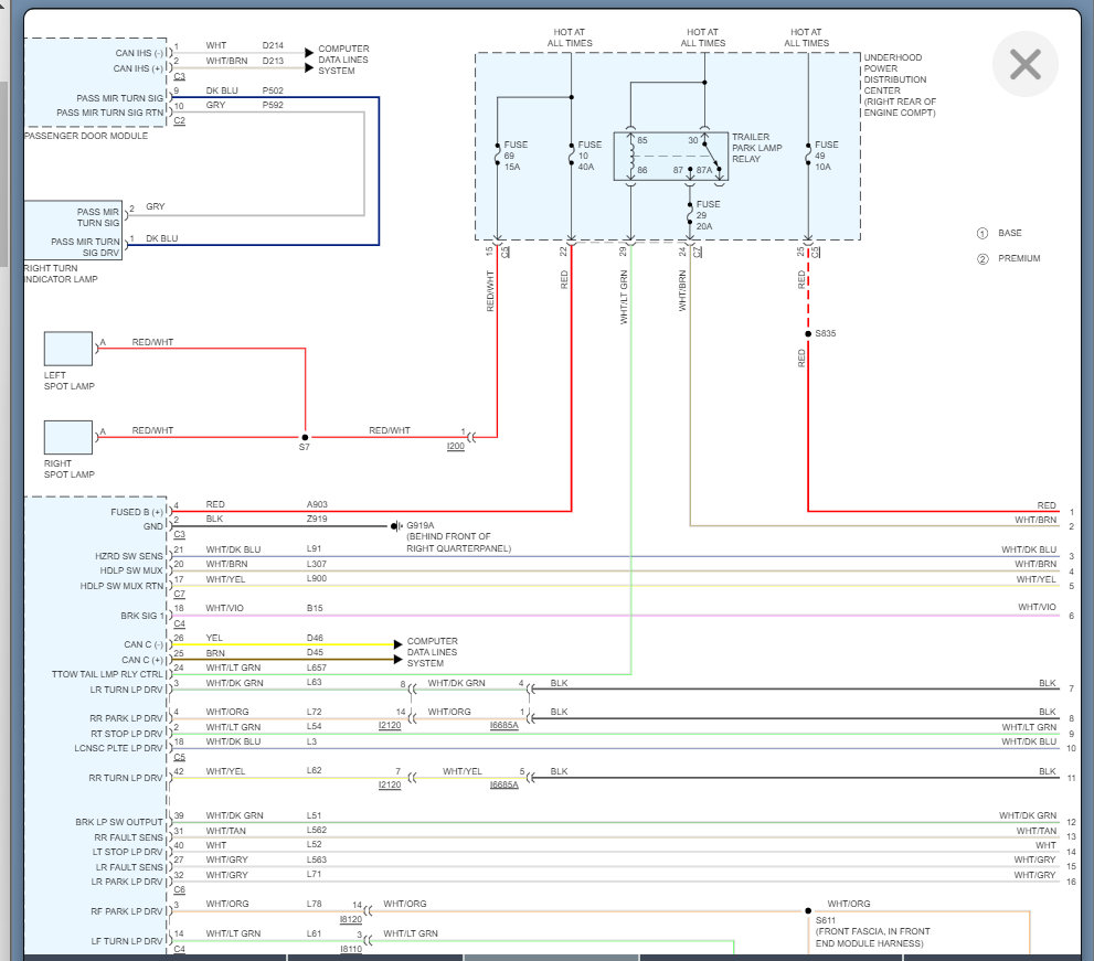
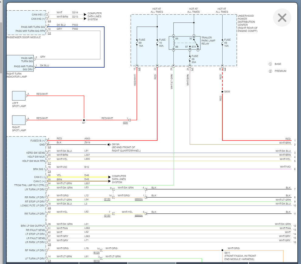
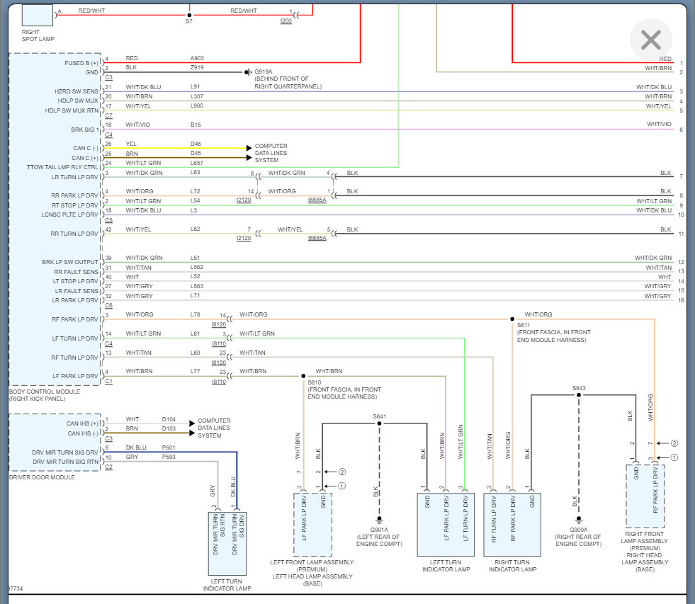
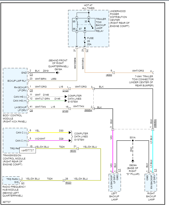
I bought Dodge Durango from USA market. I live in Poland, it is EU country and I have to change the light for EU regulations.
Could you please the Electrical wiring diagram for front and rear lights?
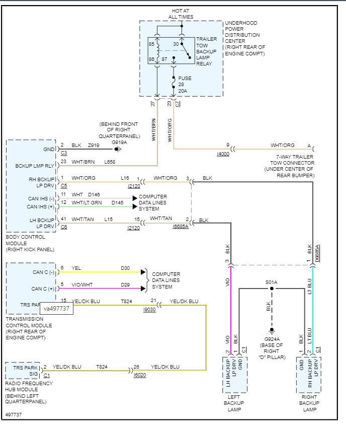
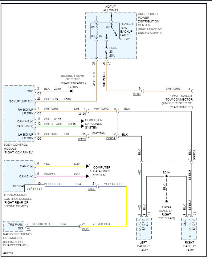
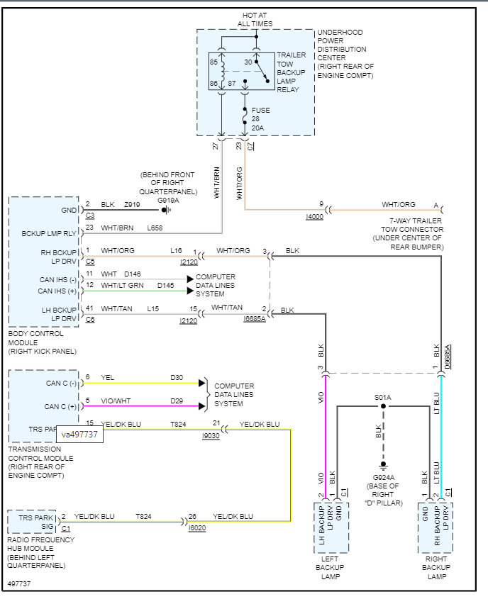
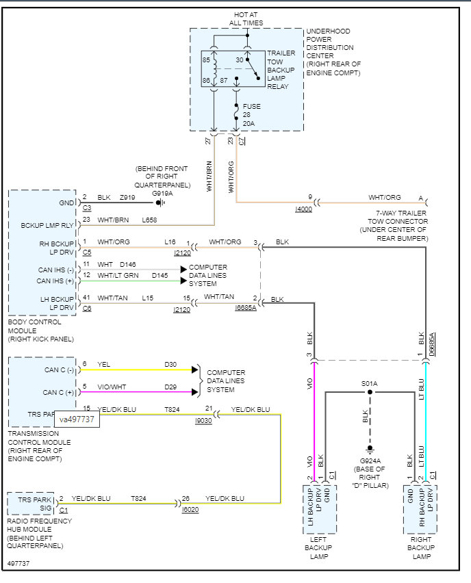
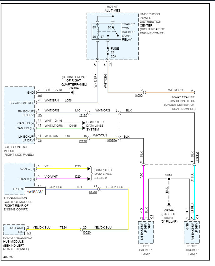
I can see that there is 4 independent bulbs for rear white light for reverse gear. And there are 4 wires for BCM or 4 wires from 4 bulbs go to split point in rear lift/door and the one wire go to BCM?
Have a nice day,
Pawel
Sunday, March 27th, 2022 AT 5:09 AM







