Thursday, February 21st, 2019 AT 12:03 PM
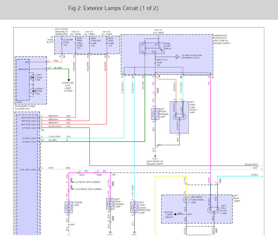
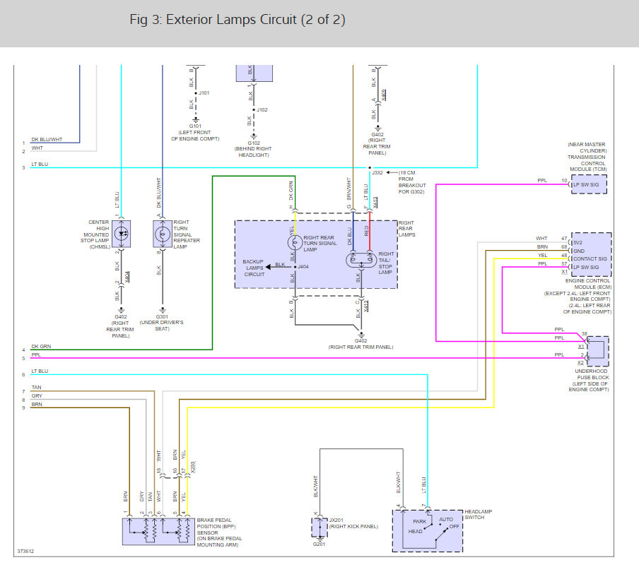
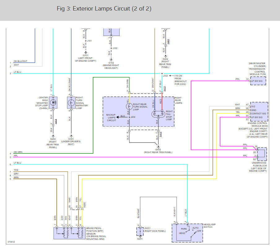
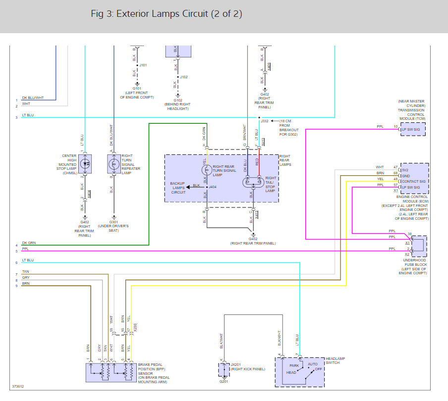
I bought car from a guy and it had a salvage title. Not sure why. Had several electrical issues including no brake lights or back up lights. Power sunroof does not work either. Replaced and flashed the BCM, twice, and still no resolve. One computer says wiring problem, however when jumping the wires, the brake lights come on. Replace fuse box, brake lights stay on, won't go off. Re-programmed, still no fix. Dealer doesn't have an answer, and three mechanics have no answer. Help! One guy suggests possible lightning hit, could main computer have an issue with the BCM?









