HOME
ASK A QUESTION
REPAIR GUIDES
BECOME A MEMBER
LOG IN
Login with Facebook
OR
Remember me
NOT A MEMBER?
FORGOT PASSWORD?
CONTACT US
PRIVACY POLICY
TERMS AND CONDITIONS
☰
Home
Ford
Focus
Exterior Light
Brake Light
Not Working
No brake lights
SIDNEYS
MEMBER
2004 FORD FOCUS
2.0L
4 CYL
2WD
AUTOMATIC
200,000 MILES
No brake lights, no power windows, no heater blower fan, and car will not come out of park.
Saturday, August 26th, 2017 AT 5:34 PM
1 Reply
KEN L
MASTER CERTIFIED MECHANIC
54,137 POSTS
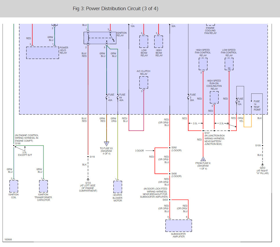
It sounds like you have fuse #1 40 amp that is out. Here is a guide and some diagrams (below) to help you get the problem fixed.
https://www.2carpros.com/articles/how-to-check-a-car-fuse
and
https://www.2carpros.com/articles/how-to-use-a-test-light-circuit-tester
Here are the fuse locations.
Please check it out and get back to me.
Cheers, Ken
Images (Click to make bigger)
Was this
answer
helpful?
Yes
No
Monday, August 28th, 2017 AT 4:56 PM
Please
login
or
register
to post a reply.
Related Brake Light Not Working Content
Brake Light Does Not Work
The Driver Side Brake Light Does Not Work. The Turn Signal And The Hazard Lights Work. Any Ideas On What Might Be Wrong?
Asked by
shawn_laha
·
19 ANSWERS
2 IMAGES
2003
FORD FOCUS
2002 Ford Focus Brake Lights Stay On When Driving
I Just Installed New Front Disc Pads And Front Rotors And Now My Brake Lights Stay On When I'm Driving In Forward And Reverse. I Have 2...
Asked by
greg fahlman
·
1 ANSWER
2002
FORD FOCUS
2002 Ford Focus Brake Lights
My Brakes Lights Are Staying On When I'm In Forward, Neutral, Reverse Driving. You Told Me To Adjust The Brake Switch But It Is Non...
Asked by
greg fahlman
·
1 ANSWER
2002
FORD FOCUS
Brake Lights
When I Apply The Brakes The Front Side Lights Come On.
Asked by
Brian Swinnerton
·
1 ANSWER
5 IMAGES
2006
FORD FOCUS
Front Signal Light Goes On And Off
2005 Ford Focus. Front Signal Light Goes On And Off When Wires Are Moved By Socket. Signal Light Blinks On And Off With Park Lights On When...
Asked by
xmaskid
·
1 ANSWER
2005
FORD FOCUS
VIEW MORE
Ask a Car Question. It's Free!
How to Use a Test Light
Headlight Dim or Dull
Have a Dim Headlight? - Try Replacing This!