Brake lights

Tiny
BRIAN SWINNERTON
  • MEMBER
  • 2006 FORD FOCUS
  • 53,000 MILES
When I apply the brakes the front side lights come on.
Saturday, February 25th, 2017 AT 4:00 AM

1 Reply

Tiny
KASEKENNY
  • MECHANIC
  • 18,907 POSTS
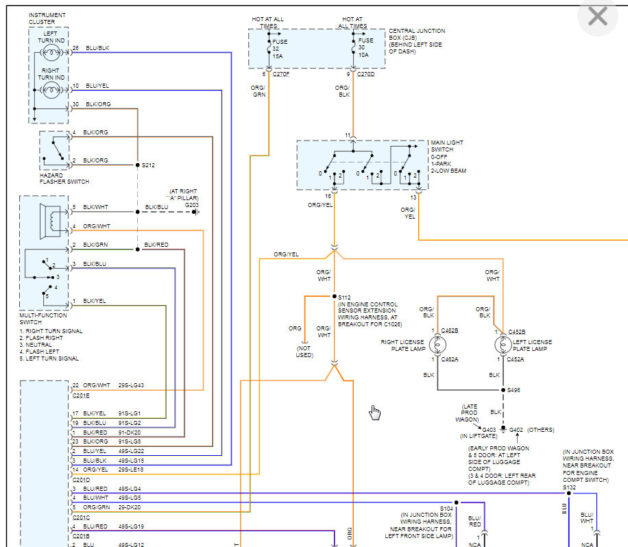
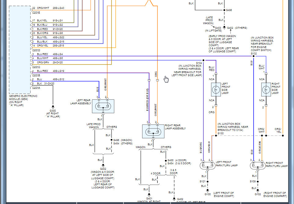
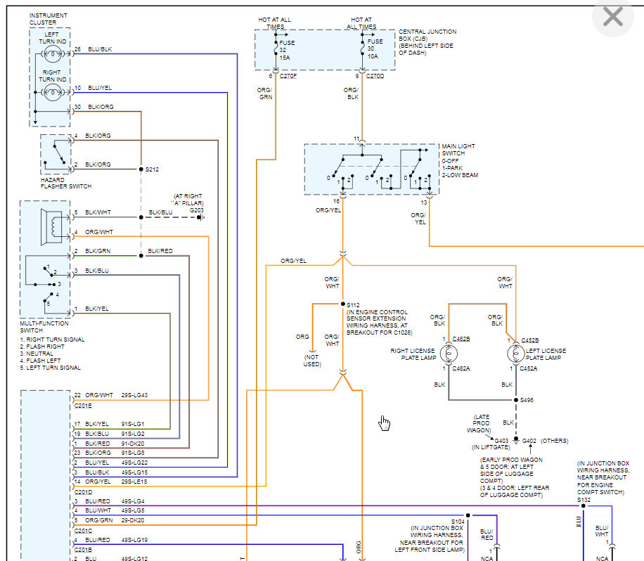
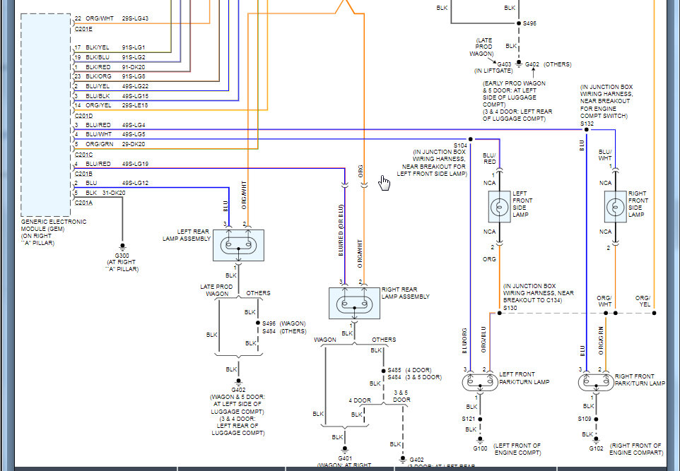
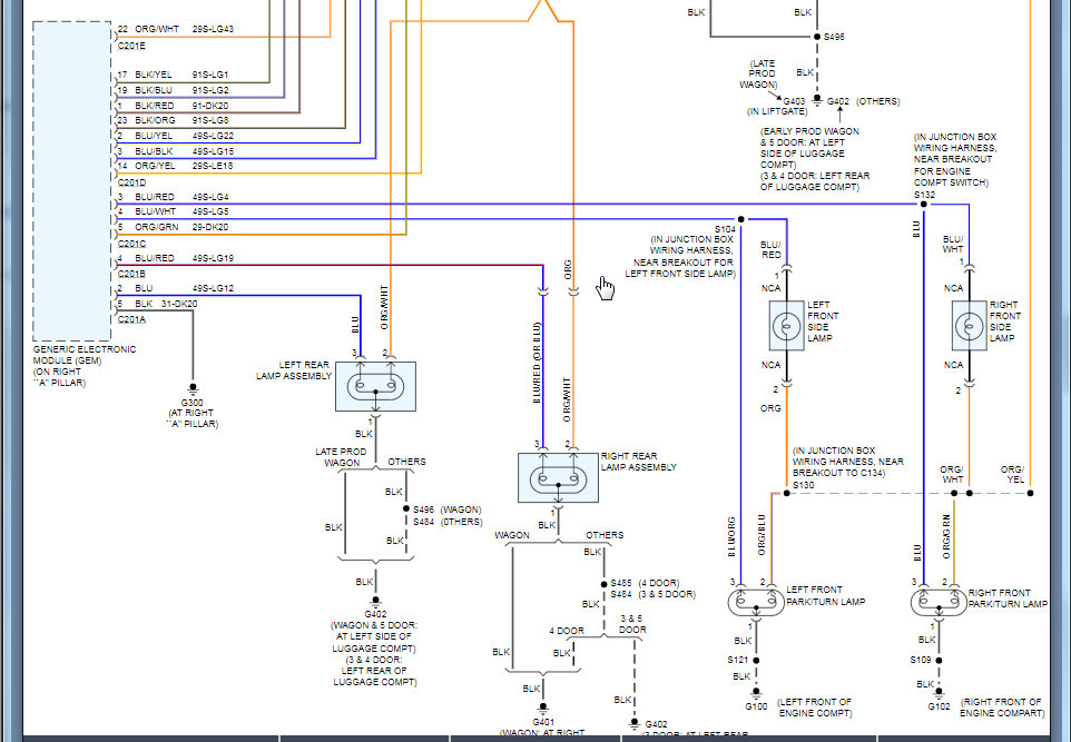
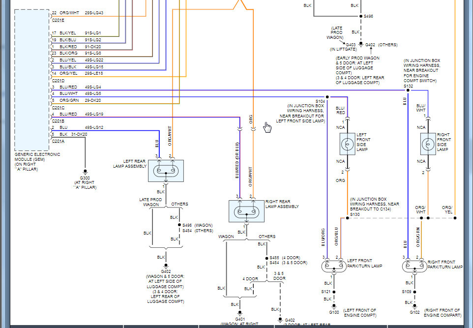
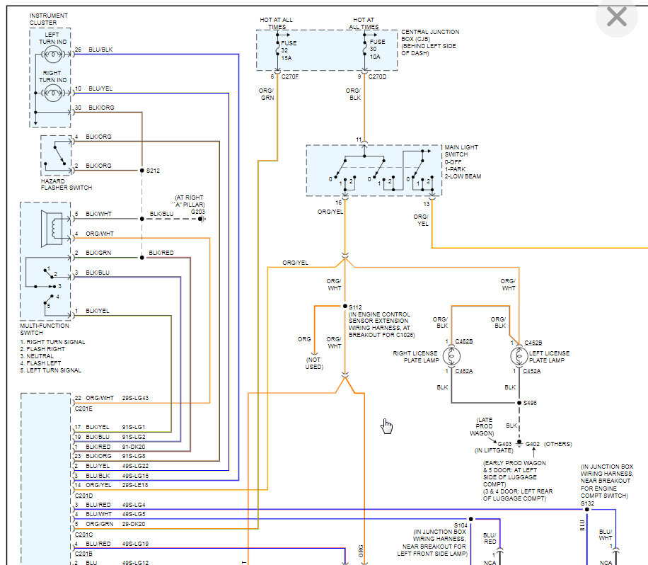
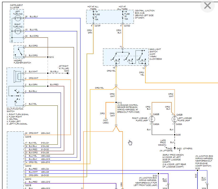
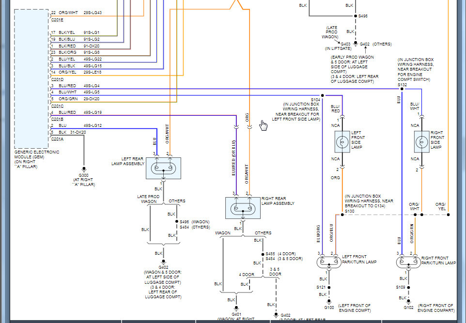
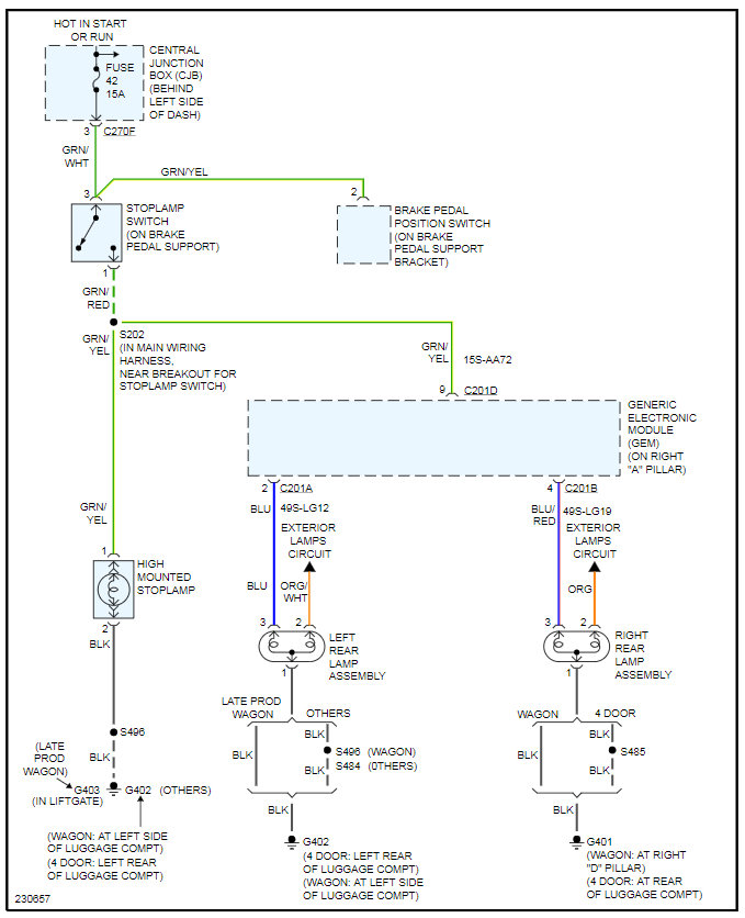
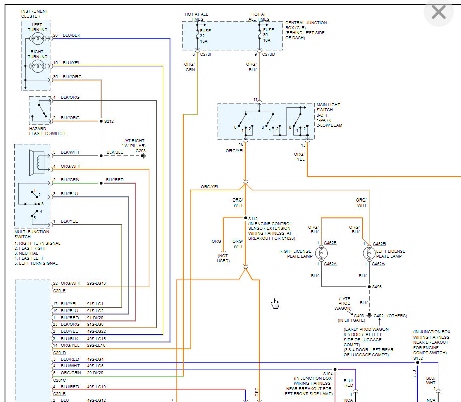
This is most likely due to the generic electronic module (GEM) has failed. The way to confirm this is to go to the GEM and press the brake pedal and measure voltage coming from the GEM to these front lights. Clearly there should not be any and if you are then the GEM has failed.

I attached the process and wiring diagrams below. Here is a guide on how to test this voltage:

https://www.2carpros.com/articles/how-to-check-wiring

Let us know what you find with this and we can go from there. Thanks
Was this
answer
helpful?
Yes
No
Saturday, January 16th, 2021 AT 10:51 AM

Please login or register to post a reply.