Friday, February 26th, 2021 AT 1:25 PM
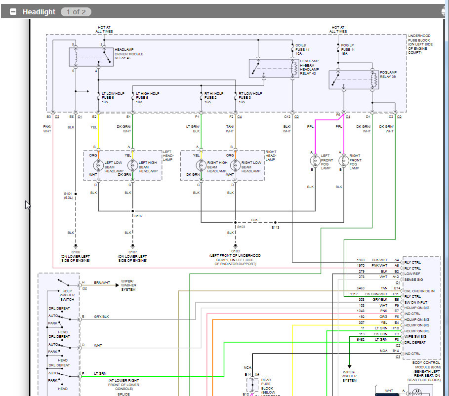
Last night I replaced a burnt out brake light bulb on the driver side and checked that it was working. This was while car was turned off. When I turned on the car a few minutes later, I noticed that the driver side headlight is out, which it wasn't before the brake light bulb swap. I don't know if it is an important piece of information, but the lights are set to auto. Coincidence or something else? Someone suggested to me I might have a "dead short." What is that and how do I find it?

