Tuesday, July 30th, 2024 AT 3:54 PM
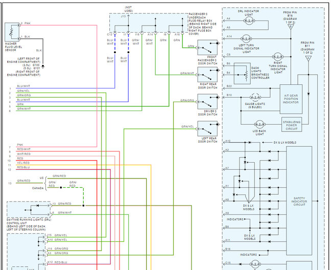
I was coming home from work when all of a sudden, my dash lit up with all the door lights and brake light and battery light came on. I figured probably just needed to clean up some wires and or the battery terminals and connections. Did all that and still the lights are on. I've driven it to and from work like these the past 2 days and my battery is still good with 100% health and 99% state of charge. Any ideas would be very appreciated, thank you in advance.








