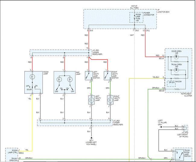
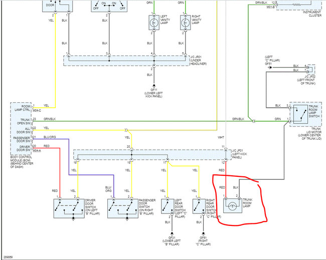
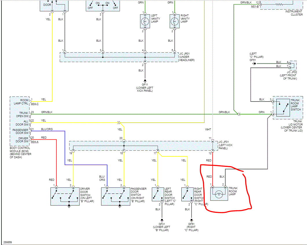
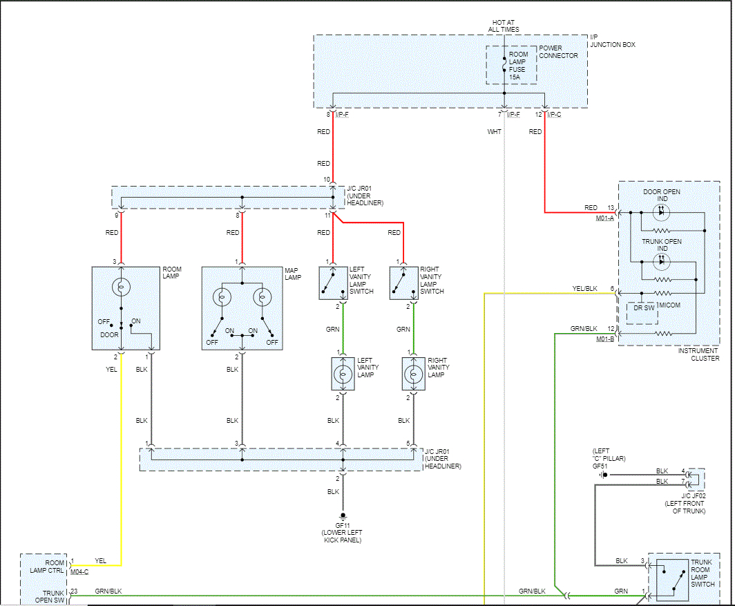
I have bought a bunch of batteries recently as I was thinking things were different each time. The first time I thought it was just a lemon of a battery. Then the second I started to think it was something else, however, I charged it one too many times I believe and burned it out. That's what the shop said at least. And then on to my current one same issue.
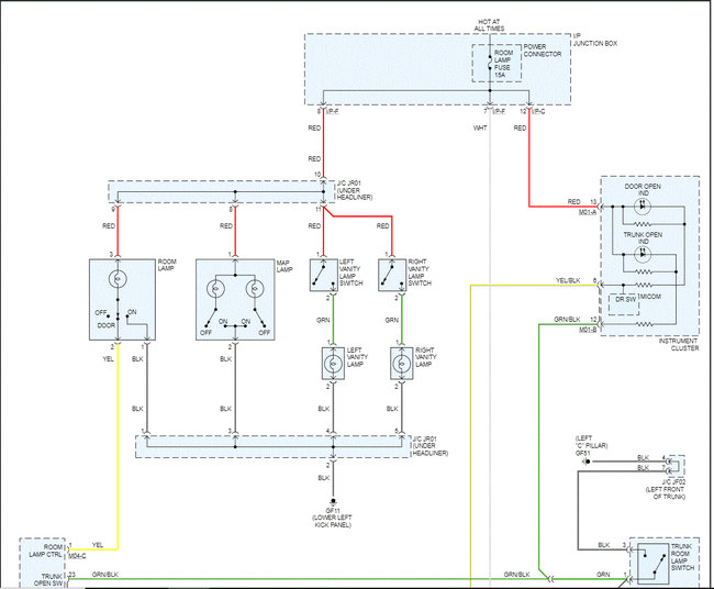
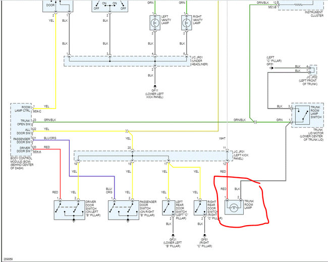
The shop said "cannot find a parasitic drain or leak anywhere, must be a dead battery from charges." They did replace the door jam light switch as they thought was the source and then said, again, cannot find a drain. Figured all was well and that's when I got the current battery. Well, after 2 weeks on the dot of getting it and putting it in, it died again. I have a charger so I changed it. Now going on 5 days on that charge.
So, in the end, whatever it is, the leak is very, very slow. Maybe undetectable with conventional testing tools? I also replaced the positive battery terminal connector on it because the old was worn and corroded. Would that have any bearing on things?
My question really is, any off hand suggestions as to what you think it could be? Again, I have a charger and have a portable jumper, so I have a stop gap in the interim until I can get it to another shop and really figure out what the hell is going on.
Tuesday, January 7th, 2020 AT 10:04 AM


