Headlight and both fuse panel diagrams needed

Tiny
ALEX GATLIN
  • MEMBER
  • 2001 FORD FOCUS
  • 2.0L
  • 4 CYL
  • 2WD
  • AUTOMATIC
  • 10,000 MILES
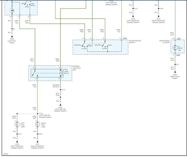
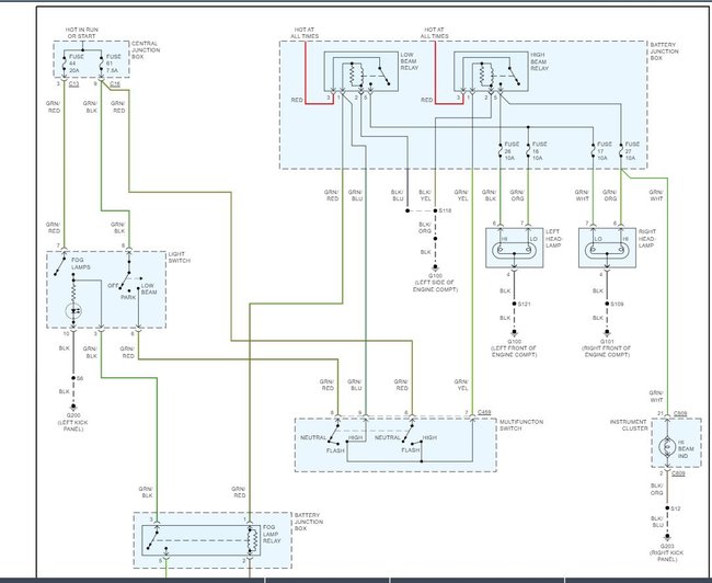
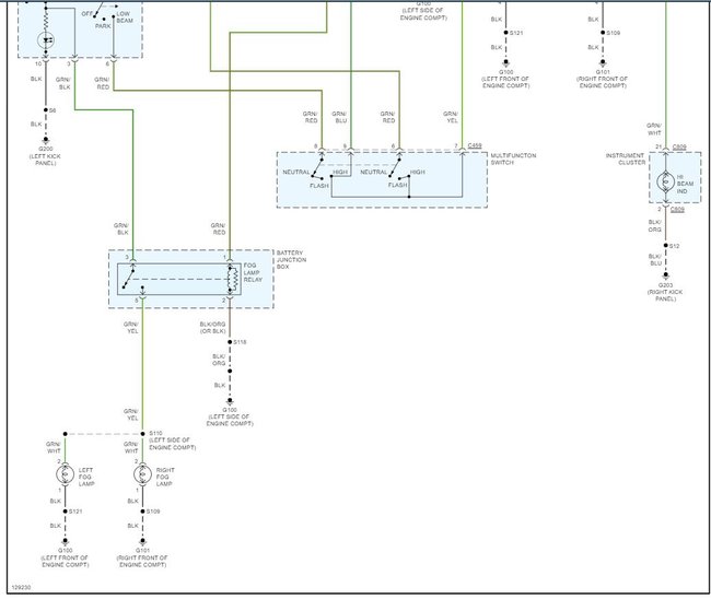
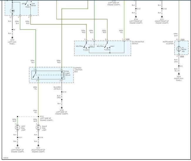
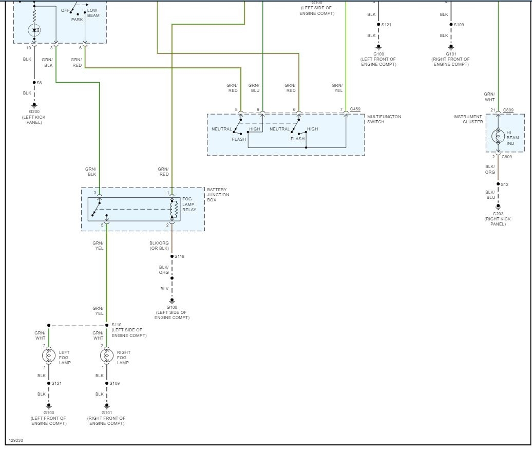
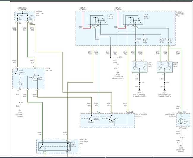
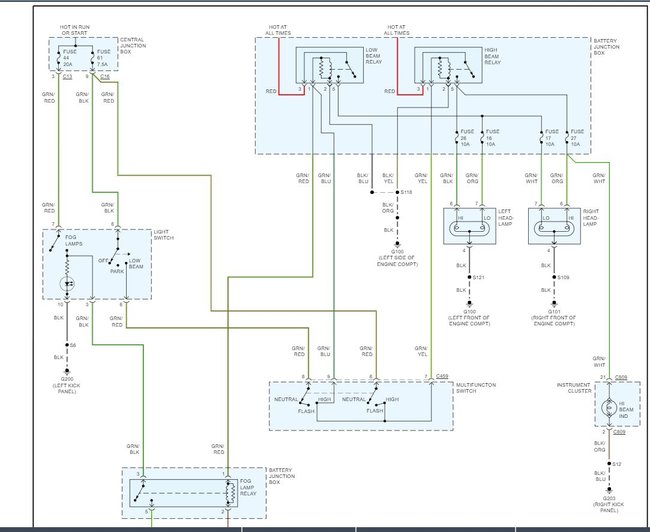
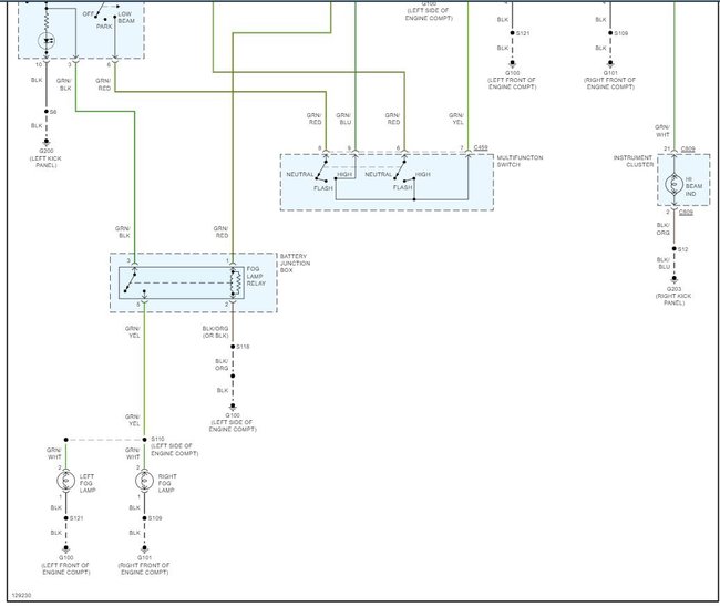
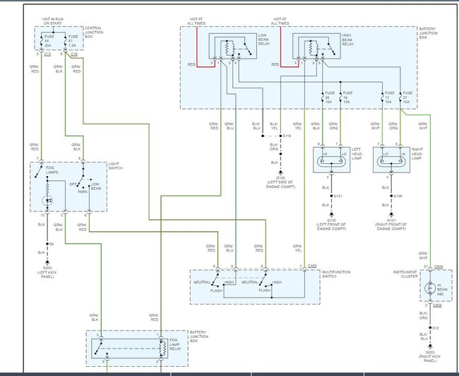
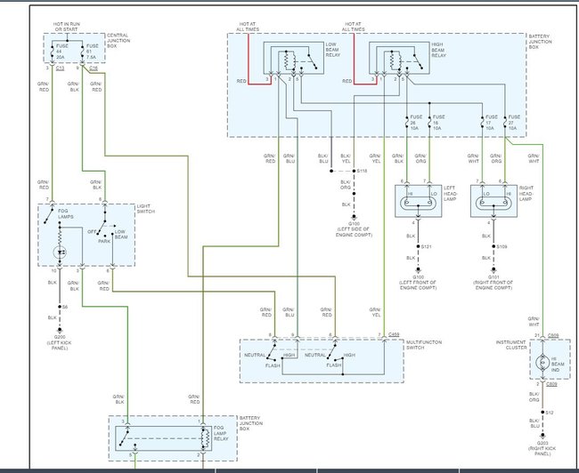
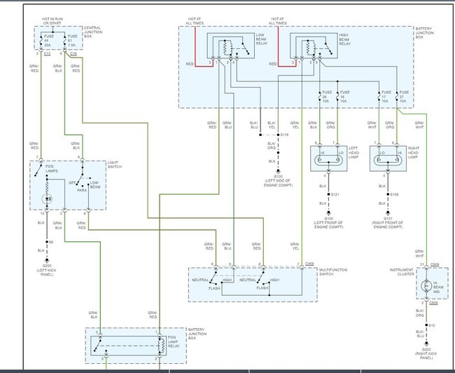
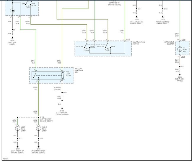
Need the headlight and both fuse panel diagrams please.
Tuesday, March 15th, 2022 AT 7:24 PM

4 Replies

Tiny
ASEMASTER6371
  • MECHANIC
  • 52,796 POSTS
Good morning,

I attached the wiring diagram of the headlights for you as well as both fuse and relay panels as well.

https://www.2carpros.com/articles/how-to-check-wiring

https://www.2carpros.com/articles/how-to-check-an-electrical-relay-and-wiring-control-circuit

https://www.2carpros.com/articles/how-to-check-a-car-fuse

Let me know if you have any other questions.

Roy
Was this
answer
helpful?
Yes
No
+1
Wednesday, March 16th, 2022 AT 6:25 AM
Tiny
ALEX GATLIN
  • MEMBER
  • 47 POSTS
The under-hood high current fuse box lid has a relay for right side low beam, a relay for right side high beam, a relay for left side low beam, and a relay for left side high beam and the spots to put them in. So, my question is, are there two relays, one for low beam and one for high beam or are there four? The relays in the car are 5 pin relays.
Was this
answer
helpful?
Yes
No
Wednesday, March 16th, 2022 AT 1:59 PM
Tiny
ALEX GATLIN
  • MEMBER
  • 47 POSTS
Hello again. Thank you for the diagrams. Please disregard my last question. The cover on the High Current Fuse box was not the original one that came with the vehicle. The problem turned out to be the green and black striped wire from the underdash fuse panel to the headlight switch. It was using 7.6V when I did a voltage drop test on it. Simply ran a bypass wire and bingo, headlamps again. Thank you for the help.
Was this
answer
helpful?
Yes
No
Wednesday, March 16th, 2022 AT 5:29 PM
Tiny
ASEMASTER6371
  • MECHANIC
  • 52,796 POSTS
You are welcome.

Always glad to help.

Let us know if you have any other questions.

Roy
Was this
answer
helpful?
Yes
No
+1
Thursday, March 17th, 2022 AT 6:47 AM

Please login or register to post a reply.