Friday, August 21st, 2020 AT 10:42 AM
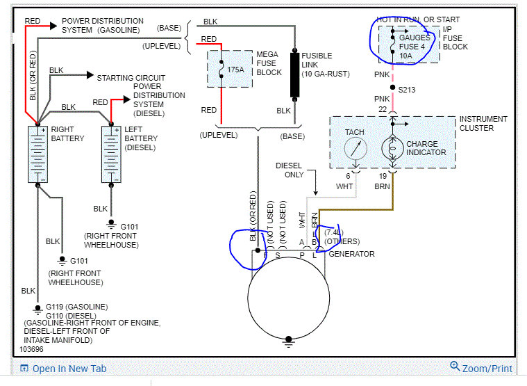
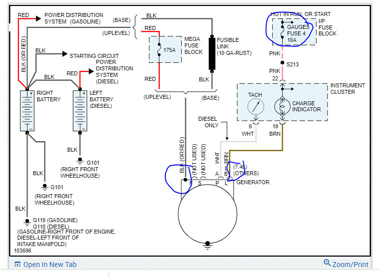
I’m having a issue where my alternator is only putting out about 12.8. I had it tested it said it was good but went ahead and bought a new one still having same issue, so I thought it was battery had the old one tested it tested good, but went ahead and bought a new one still same issue.



