Thursday, October 10th, 2024 AT 2:49 PM
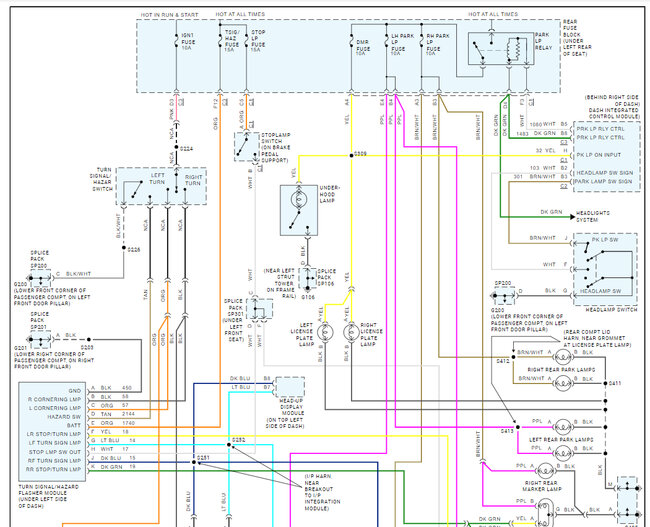
I have no license plate light nor reverse lights. I've checked all the bulbs, they're good, all the fuses their good. I've checked the wiring harness on the connection from the wiring harness from the fuse box under the seat to the harness to the panel on the truck and I have power to all wires except the green wire coming from the fuse box. I'm lost, I don't know what else to do. Can you help please?



