Monday, June 10th, 2024 AT 8:04 AM
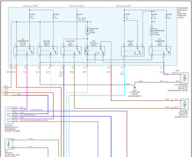
I have the car listed above that I bought used with the A/C not working. But since I live in Texas, I’ve been trying to get the A/C to work. I got my test light and started testing fuses under the hood and by the driver side compartment. Everything under the hood tested fine, but when I got to the fuses inside. I was testing them in the top row was good. The bottom row was good but the middle row you can barely see the light on my test light. Can anybody help me with this issue? I’ve watched numerous videos and can’t figure it out.






