Wednesday, October 12th, 2022 AT 10:01 AM
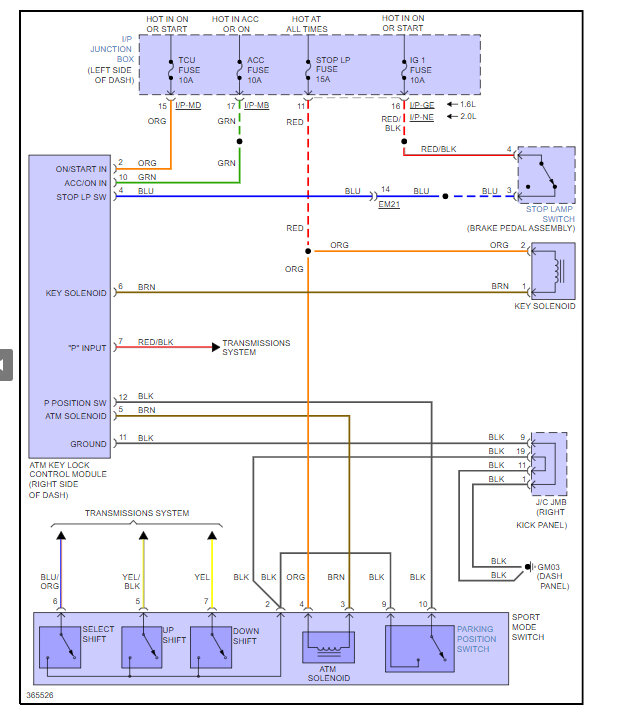
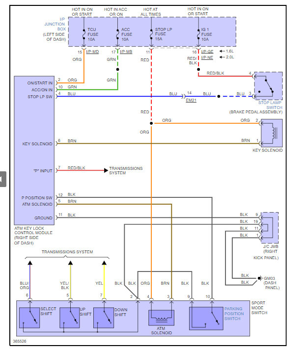
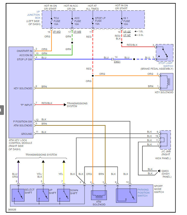
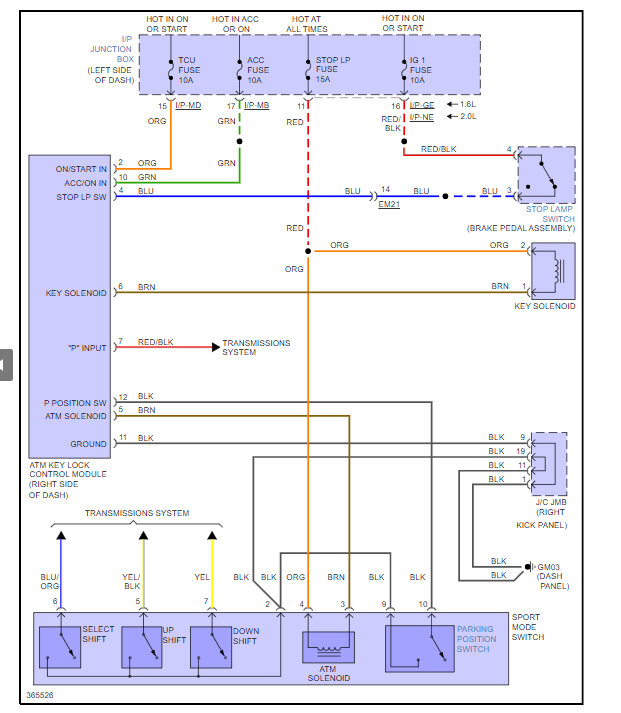
The only gauge that works is the fuel level, the A/C compressor won't engage. The shifter is locked in park. Scanner would not communicate with ECM. Installed a new ECM still the same issues. The engine runs fine and transmission shifts normally. All exterior and interior lights work.









