Running lights not working

Tiny
TAPARKER
  • MEMBER
  • 2000 DODGE RAM
  • 5.9L
  • V8
  • 4WD
  • MANUAL
  • 220,000 MILES
My dash lights and running lights went out. The head lights, brake lights, blinkers, cab lights all still come on. I checked all the fuses and they are fine except for the O2 sensor, I replaced it but it popped again.
Saturday, September 16th, 2017 AT 8:57 AM

1 Reply

Tiny
KEN L
  • MASTER CERTIFIED MECHANIC
  • 55,335 POSTS
It sounds like you have a headlight switch that has gone out but to be sure.

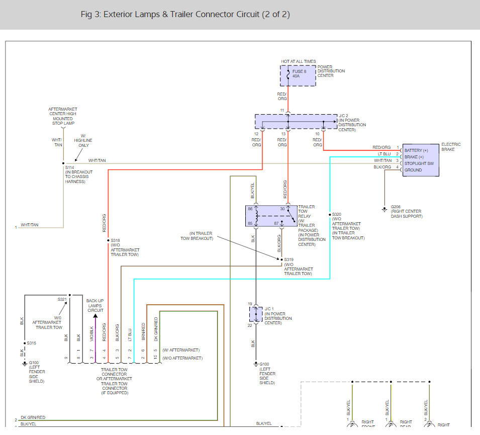
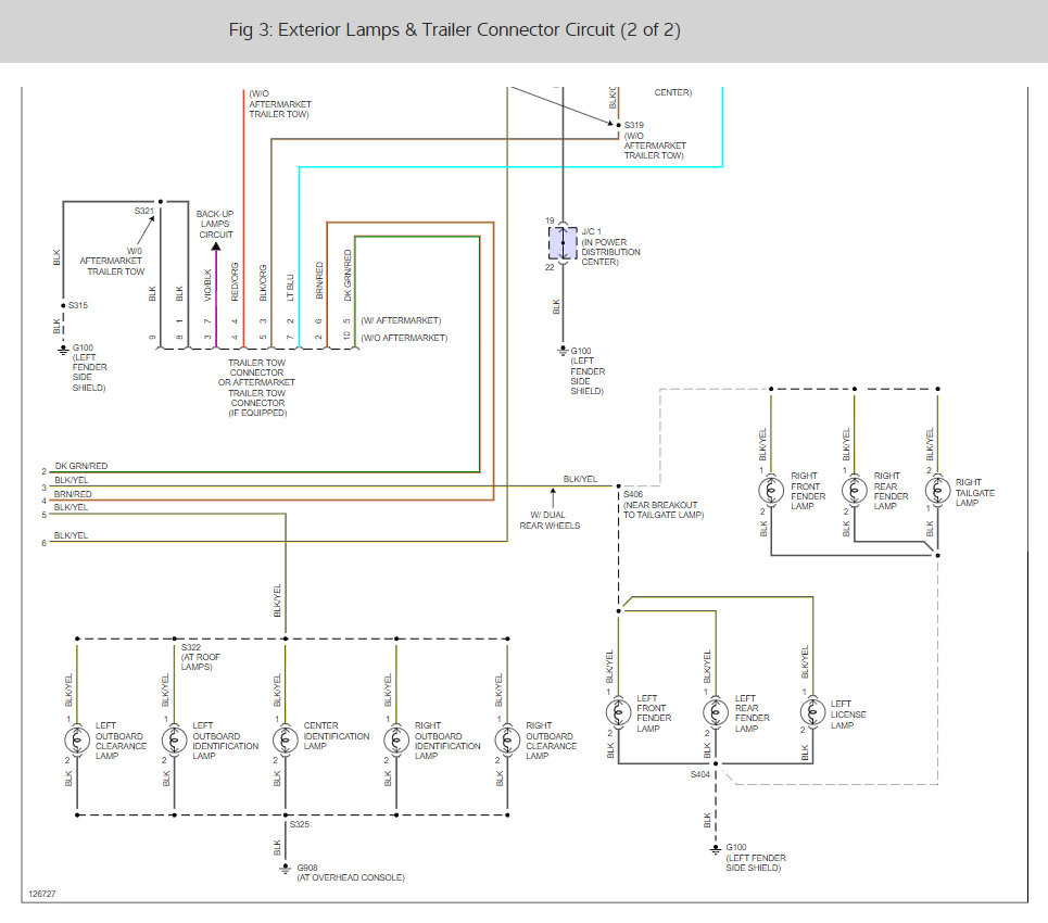
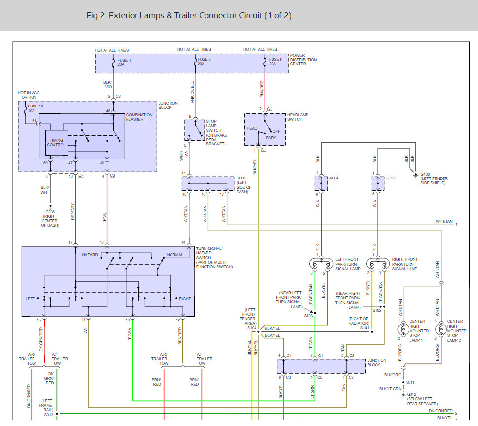
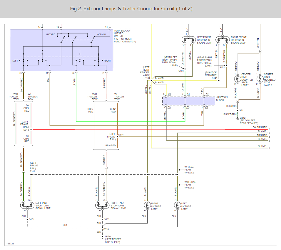
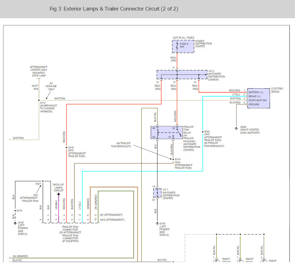
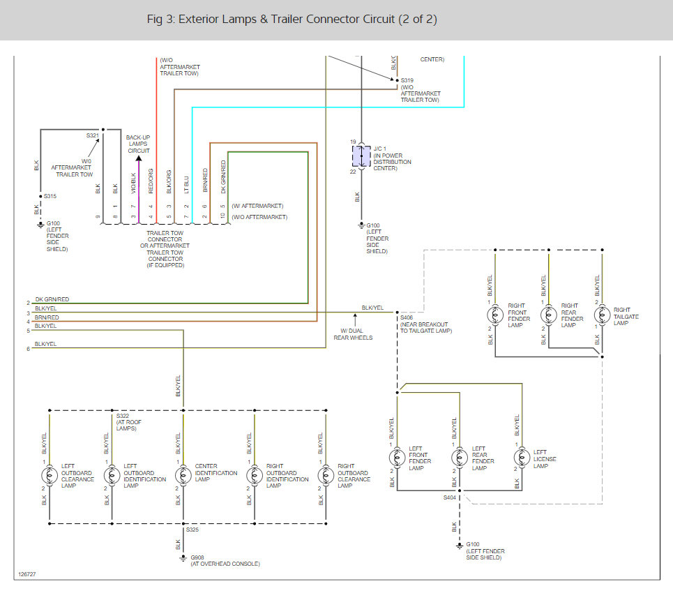
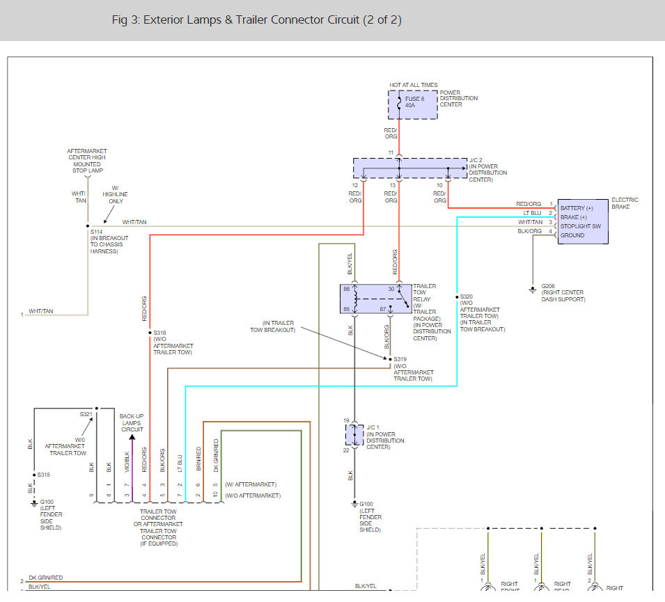
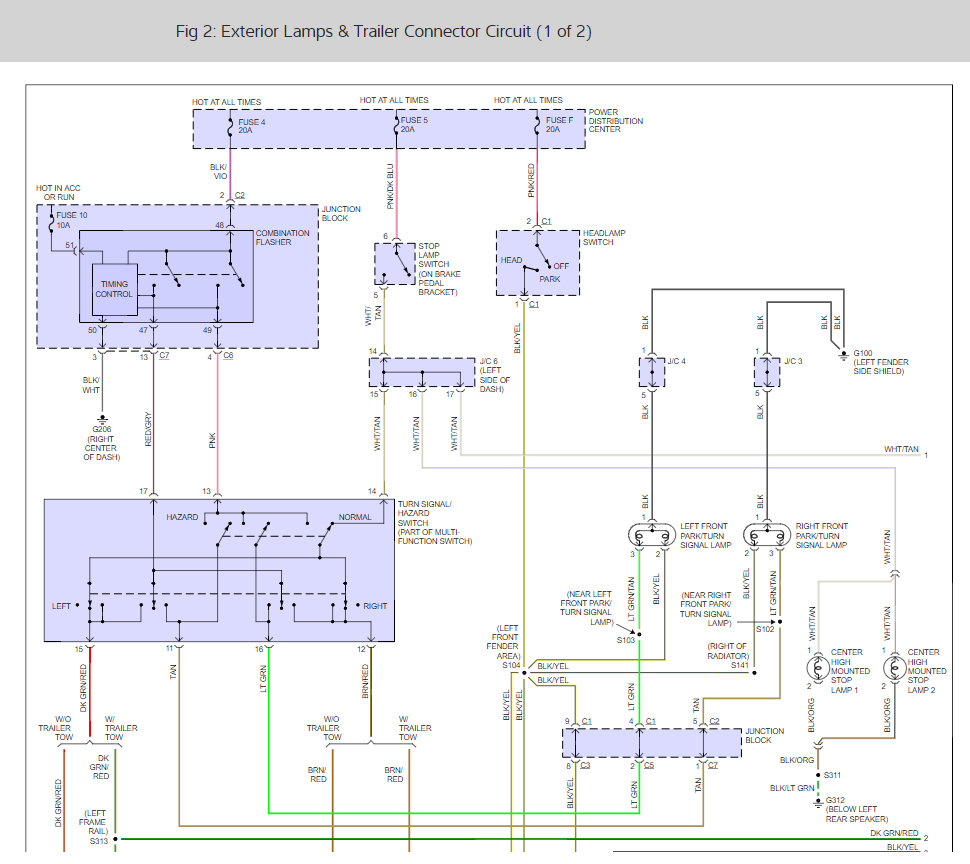
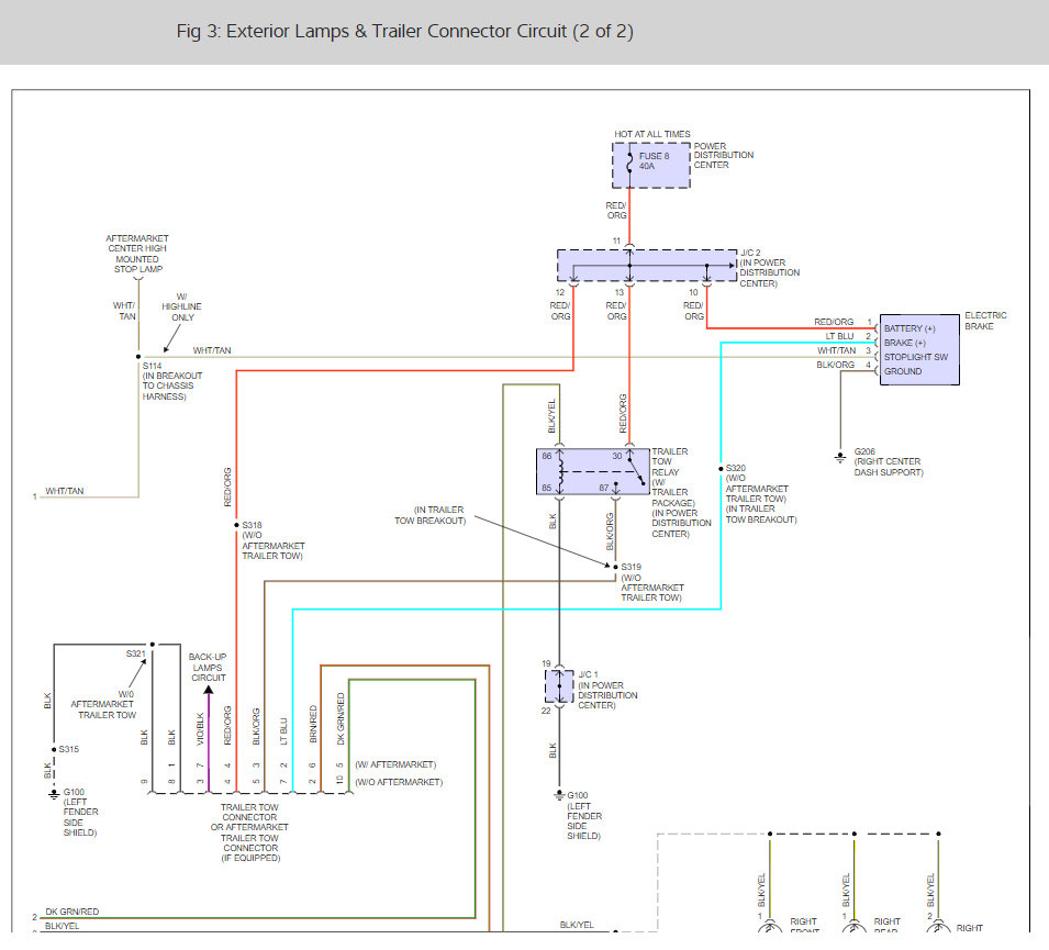
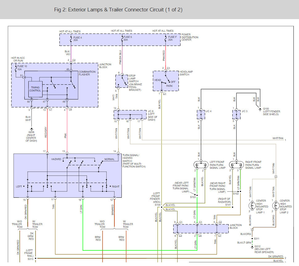
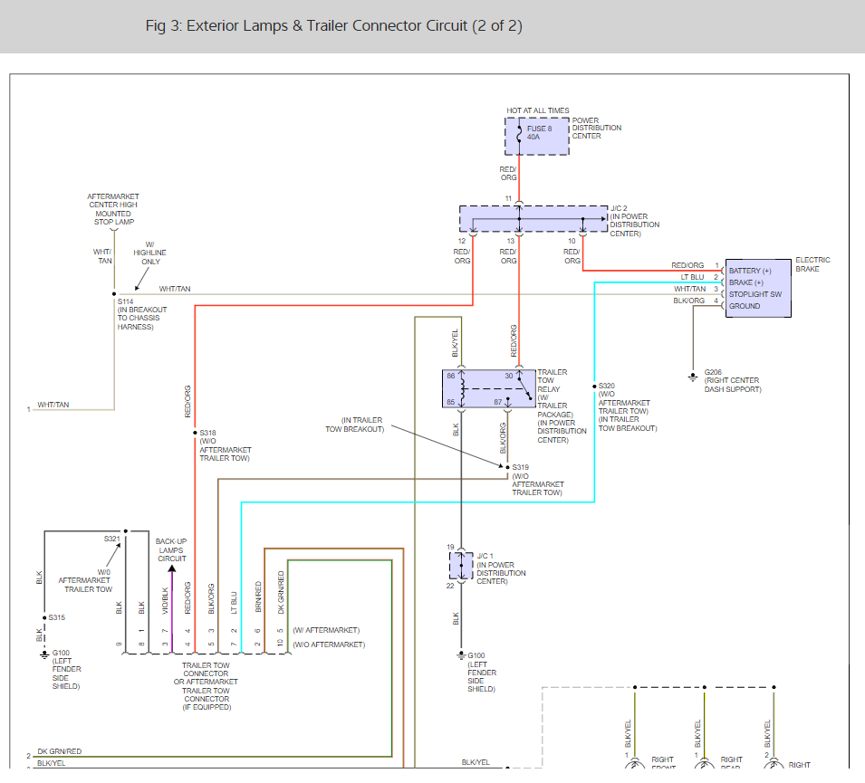
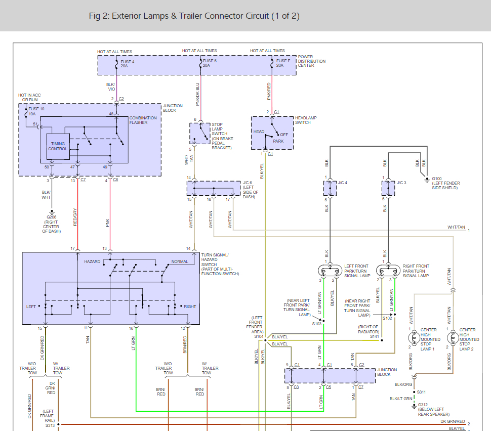
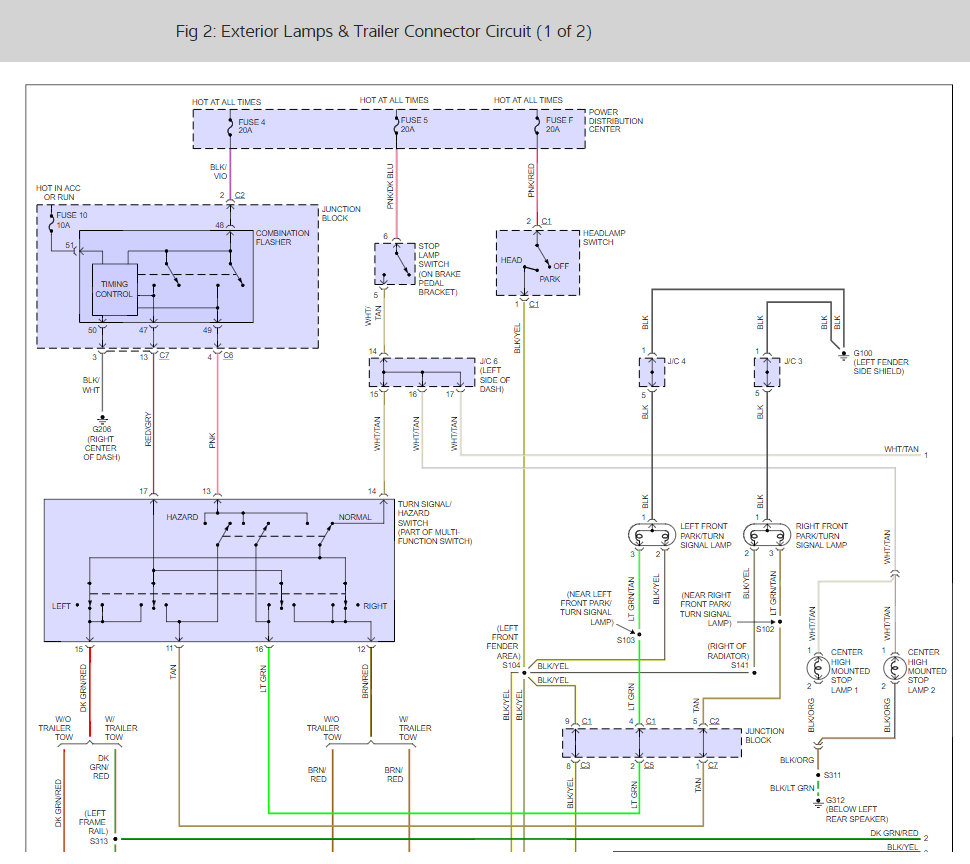
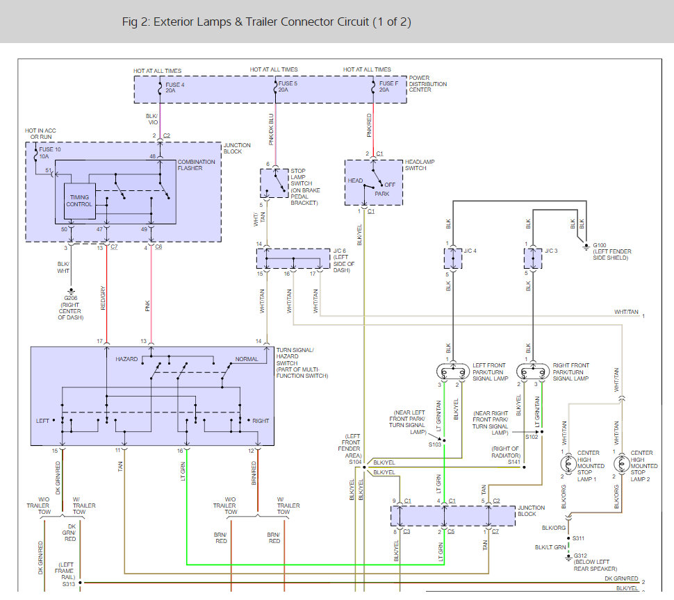
Here is a guide and some wiring diagrams so you can confirm the problem:

https://www.2carpros.com/articles/how-to-use-a-test-light-circuit-tester

Here are the instructions for replacing the headlight switch.

Disconnect and isolate the battery negative cable.
Remove the cluster bezel from the instrument panel. Refer to Cluster Bezel in the Removal and Installation for the procedures.
Headlamp Switch Remove/Install
Remove the three screws that secure the headlamp switch bezel to the instrument panel.
Pull the headlamp switch away from the instrument panel far enough to access the instrument panel wire harness connectors.
Disconnect the two instrument panel wire harness connectors from the headlamp switch connector receptacles.
Remove the headlamp switch from the instrument panel.

Please let us know what happens and upload pictures or videos of the problem.

Cheers, Ken
Was this
answer
helpful?
Yes
No
Monday, March 1st, 2021 AT 12:31 PM

Please login or register to post a reply.