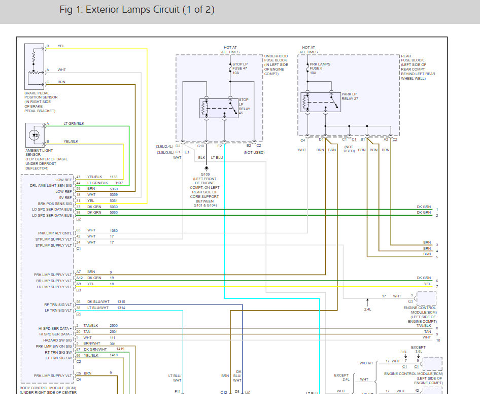
Tuesday, January 14th, 2020 AT 10:10 AM
Hello. I have the car listed above GT model. The lower dash board lights, shift console and tailgate lights do not come on. I replaced the fuse and rely switch and lights still do not come on. Can you tell what is wrong and how to fix it?

















