My son recently drove this car and the battery light came on?

Tiny
DOUG NSTACY JOLLY
  • MEMBER
  • 2007 DODGE CHARGER
  • 5.7L
  • V8
  • 2WD
  • AUTOMATIC
  • 153,000 MILES
Hello,
My son recently drove this car to Tennessee and the battery light came on. He took it to a local Advance and the battery and Alternator tested fine. We need to check the fuses.
Tuesday, November 29th, 2016 AT 5:42 PM

1 Reply

Tiny
KASEKENNY
  • MECHANIC
  • 18,907 POSTS
Here is a guide that will help with testing and replacing fuses and relays:

https://www.2carpros.com/articles/how-to-check-a-car-fuse

https://www.2carpros.com/articles/how-to-check-an-electrical-relay-and-wiring-control-circuit

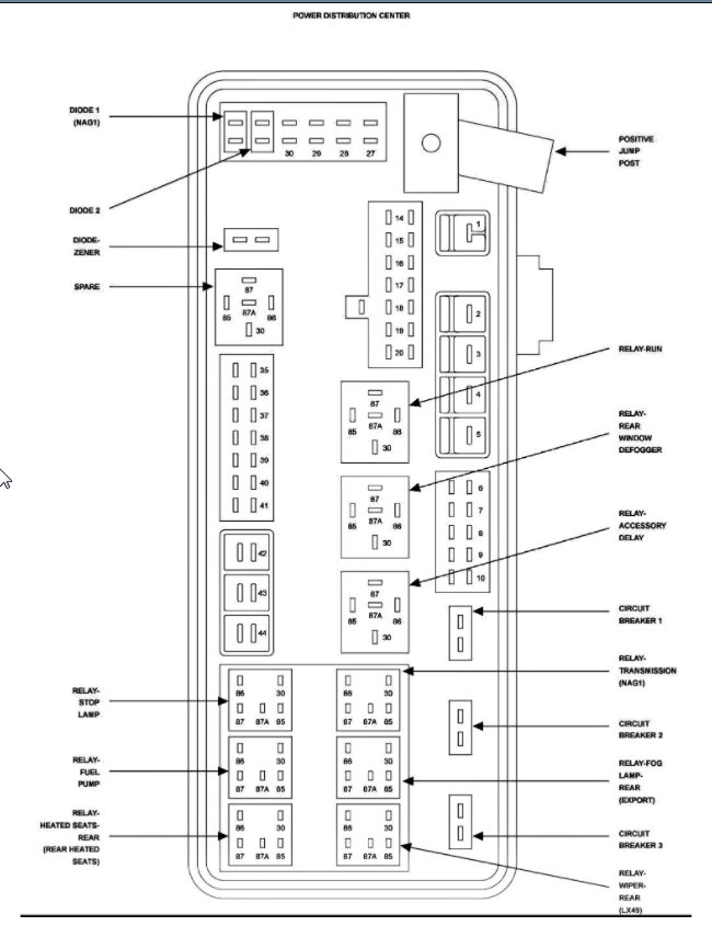
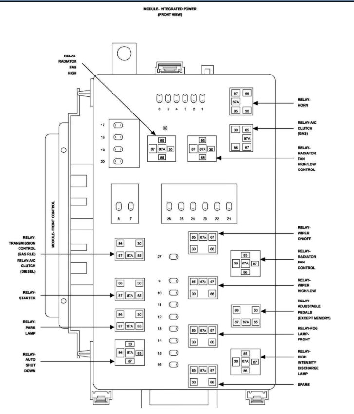
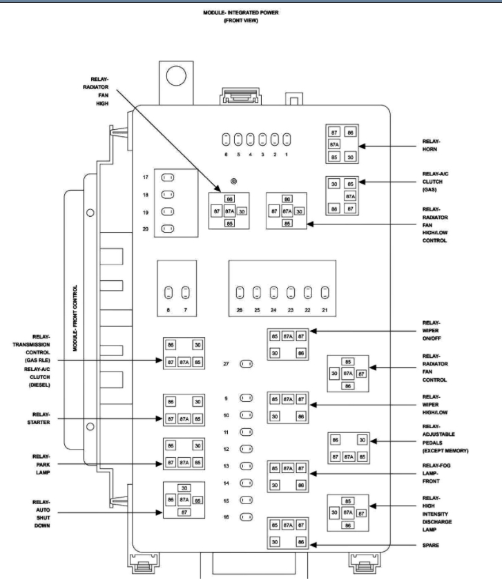
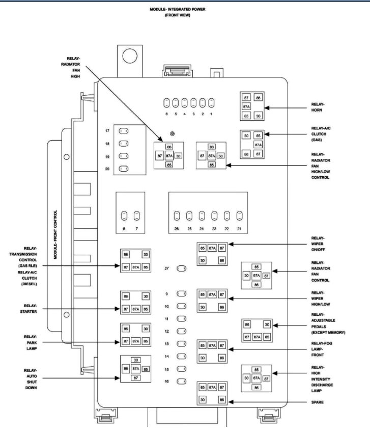
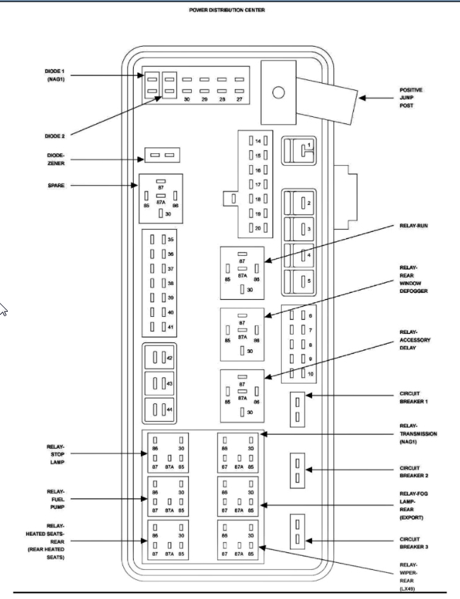
Plus below is chart and description of the fuses for this vehicle. Please let us know if you need other info. Thanks
Was this
answer
helpful?
Yes
No
Monday, June 28th, 2021 AT 7:50 PM

Please login or register to post a reply.