Wipers, four wheel drive and interior light stop working after driving in the rain?

Tiny
MELLIND
  • MEMBER
  • 1997 MAZDA B4000
  • 4.0L
  • V6
  • 4WD
  • AUTOMATIC
  • 130,000 MILES
After driving while it is rainin and the truck gets wet I lose my wipers, 4 wheel drive and interior light.
Thursday, September 2nd, 2021 AT 5:12 PM

3 Replies

Tiny
KASEKENNY
  • MECHANIC
  • 18,907 POSTS
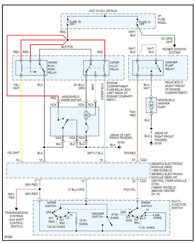
Assuming these are all related, the only thing that makes sense would be the GEM or generic electric module.

Basically this module is there to control the various different electrical systems.

Each of these systems are controlled by the GEM so if it were me, I would remove and inspect it for corrosion. However, once removed I would just replace it.

If you want to test the module to find out if there is an issue you can check the circuits for voltage coming out of the GEM when you turn the systems on. I suspect you will find this is the issue.

https://www.2carpros.com/articles/how-to-check-wiring

Please run through this and let us know if you have questions. Thanks
Was this
answer
helpful?
Yes
No
Friday, September 3rd, 2021 AT 6:13 PM
Tiny
MELLIND
  • MEMBER
  • 2 POSTS
I have checked the GEM for corrosion and it appears to be fine. The problem I find puzzling is it works flawlessly all summer when the sun is shining but as soon as I drive on a rainy wet road, it fails. Is there something that is getting wet causing a breakdown of that circuit?
Thanks
Was this
answer
helpful?
Yes
No
Friday, September 3rd, 2021 AT 6:18 PM
Tiny
KASEKENNY
  • MECHANIC
  • 18,907 POSTS
Yes. That is exactly what is happening. If it is not the GEM itself which many not be a visible failure, it is a circuit issue coming off of the GEM.

However, there are no circuits that all these system have in common coming out of the GEM which is why I suspect that is the issue. Basically when it is raining the humidity is high and it can cause issues.

The only way to fix this is to test it when it fails. So we need to wait until it rains and test it. Or start the vehicle turn the wipers on and start spraying the vehicle down with water.

This includes the undercarriage and wheel well areas to try and find when the wipers shut off.

Let me know if you have questions on this. Thanks
Was this
answer
helpful?
Yes
No
Saturday, September 4th, 2021 AT 8:24 AM

Please login or register to post a reply.