Headlights are not working

2008 SATURN OUTLOOK
182 MILES • 3.6L • V6 • 4WD • AUTOMATIC
Avatar
T.IPOCK
  • MEMBER
  • 1 POST
My drivers side headlight doesn't work, along with both fog light, & the high beams
Jun 22, 2019 at 10:04 PM
Repair Safety Notice: This information is for general instructional purposes only. Vehicle repair can be dangerous. Verify all information, follow manufacturer service procedures, use proper tools and safety equipment, and consult a qualified repair shop when needed.
Advertisement
Avatar
STRAILER
  • AUTOMOTIVE REPAIR CONTRIBUTOR
  • 54,162 POSTS
Hello,

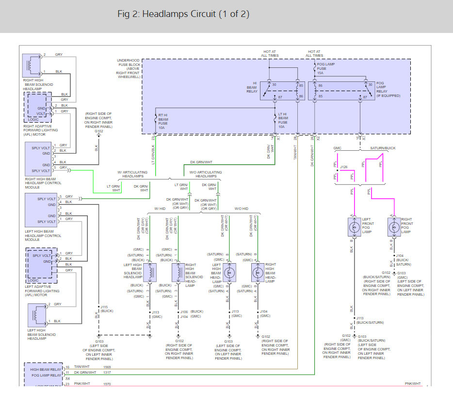
There are fuses and relays that run the system I would check those first, after that the BCM controls the lights in question so it might be going bad. here are guides to help you check the relays and fuse with the wiring diagrams for the headlight so you can see how it works with location of the fuses and relays as well:

https://www.2carpros.com/articles/how-to-check-a-car-fuse

and

https://www.2carpros.com/articles/how-to-check-an-electrical-relay-and-wiring-control-circuit

Check out the diagrams (below). Please let us know what you find.
Jun 24, 2019 at 4:15 PM
Advertisement