Wednesday, February 12th, 2020 AT 9:32 PM
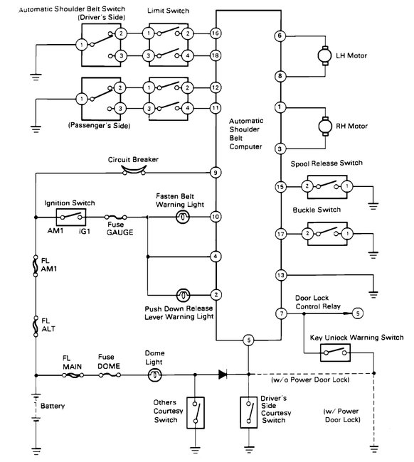
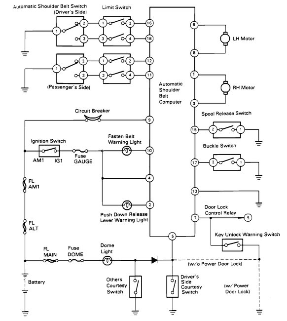
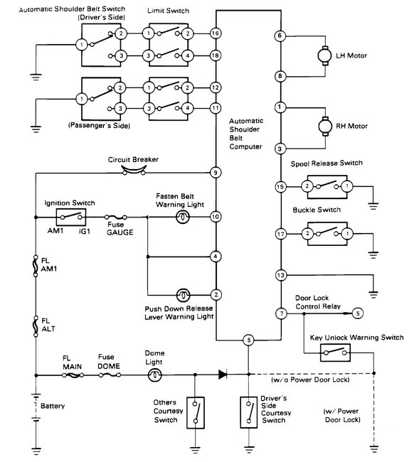
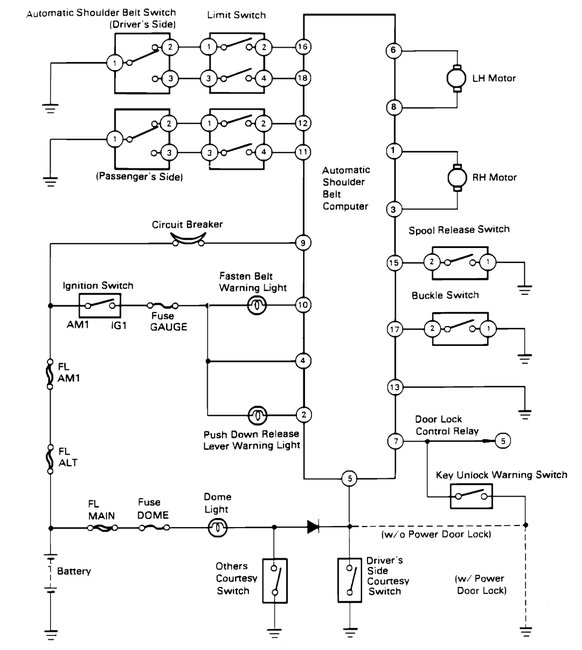
I'm having trouble with the automatic seat seat belts they're not going forward or backwards. They are stationery in the close position. Any help on this matter would greatly be appreciated. Thank y'all so much y'all on a man.



