Driver's side rear taillight and signal not working

Tiny
FRANK SNODGRASS
  • MEMBER
  • 2005 FORD FREESTAR
  • 4.2L
  • 6 CYL
  • 2WD
  • AUTOMATIC
  • 133,000 MILES
Bulb works fine with lights.
Wednesday, September 25th, 2019 AT 4:00 PM

1 Reply

Tiny
KEN L
  • MASTER CERTIFIED MECHANIC
  • 55,440 POSTS
Hello,

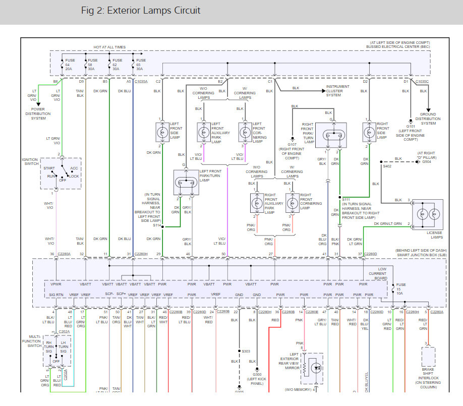
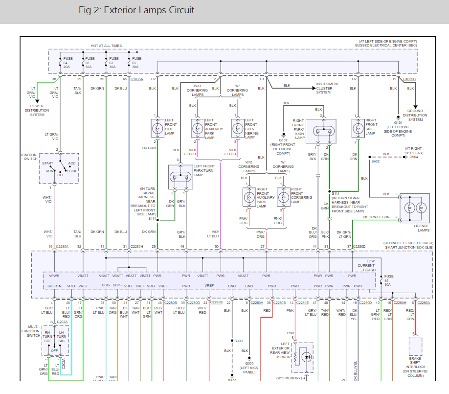
There are 4 fuses that run the system that need to be checked first. here is a guide to help test the fuses and the fuse locations well with the turn signal wiring diagrams so you can see how the system works and which fuses to check:

https://www.2carpros.com/articles/how-to-check-a-car-fuse

If the fuses are good chances are the smart junction box (BCM) will need to be replaced which I have included instructions for as well. Check out the diagrams (below). Please let us know what you find. We are interested to see what it is.

Was this
answer
helpful?
Yes
No
Friday, September 27th, 2019 AT 5:45 PM

Please login or register to post a reply.