Electrical issues after getting water over fog lights for hours

Tiny
ROBERTMOGLIE
  • MEMBER
  • 21 POSTS
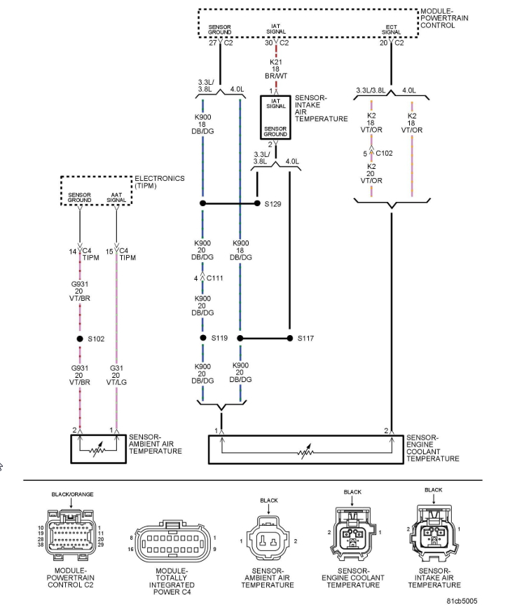
Okay Kenny. I have a 2010 Town and Country and a 2009 Town and Country. The 2009 is the one I am working on. Measured 2010 pin 14 and ground came to 2.47 volts. On 2009 came to 1.7 volts. Measured 6 and ground on both they are 0 on both. What next?
Was this
answer
helpful?
Yes
No
Sunday, November 3rd, 2019 AT 10:23 AM
Tiny
KASEKENNY
  • MECHANIC
  • 18,907 POSTS
Okay. We are making progress. Hopefully I can explain this in clear terms because this is confusing.

You have a CAN bus network. This is an electrical network that allows the modules to communicate with each other. The voltage on this network needs to be correct or you will get the message of no bus like you are.

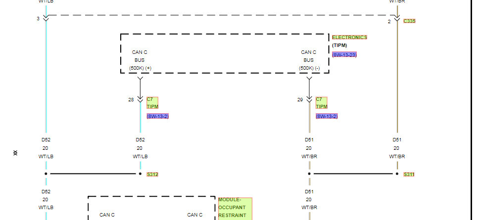
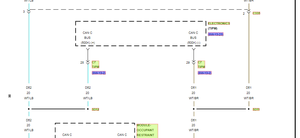
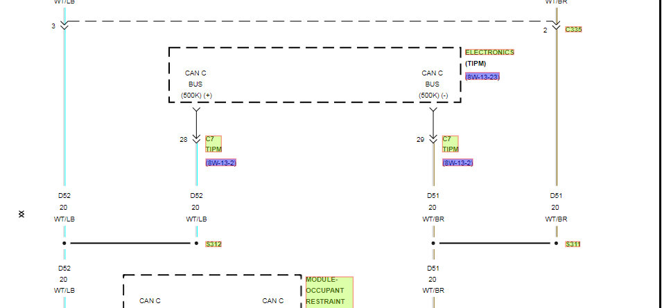
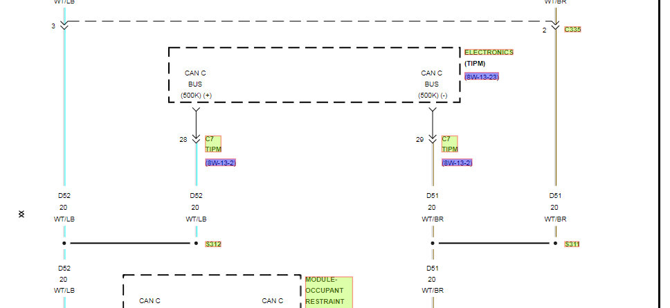
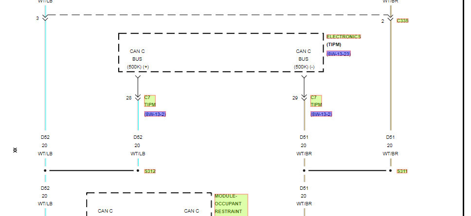
These two wires that you checked are the CAN C portion and you have the second portion called interior high speed bus (IHS). Take a look at the first attachment and it illustrates this a little more.

We now need to go to the back of the TIPM under the hood and back probe these specific networks and then unhook connectors (as you were) while watching these network voltages. Clearly you only have one meter so we can only do one at a time. So I want you too measure each wire individually and then let me know what they are. So that is four wires. The CAN C wires should equal 5 volts and be about 2.7 and 2.3 volts. About the same for the CAN IHS.

Based on what you found already, I imagine they are going to be low and then we will just pick one to look at when you are disconnecting connectors. When this voltage returns to normal, you will have just disconnected the issue. Either that specific connector or something down stream of it is the issue. We need to limit this down so that we can make it more manageable to find the issue.

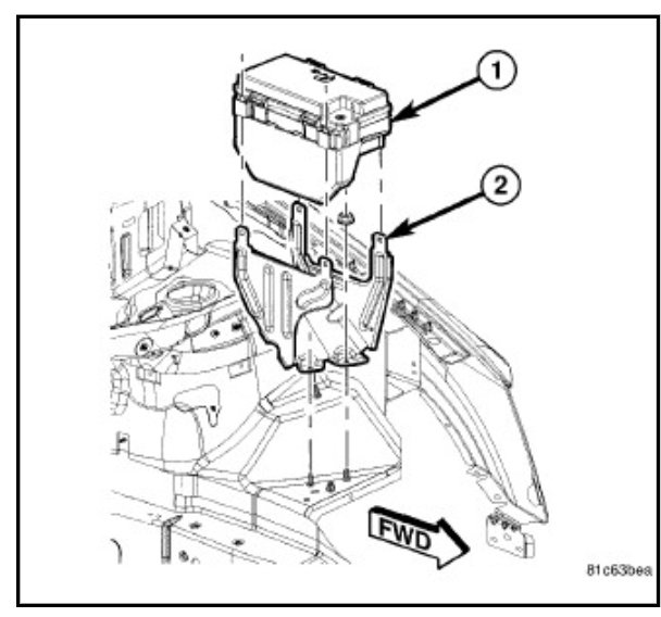
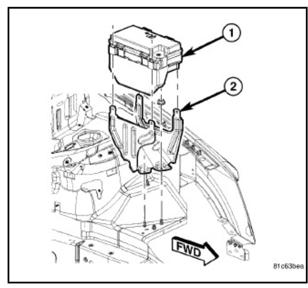
On the back of the TIPM you will find connectors. You want C7 Pins 28 and 29 for CAN C. Then PIN 26 and 27 for IHS.

I am sure you have questions but if you can just get those voltages with the key on we can take the next step. Thanks
Was this
answer
helpful?
Yes
No
+1
Sunday, November 3rd, 2019 AT 4:10 PM
Tiny
ROBERTMOGLIE
  • MEMBER
  • 21 POSTS
Now, thinking about buying a launch obd2 scanner crp123e. Diagnostic scan tool. Only $169.00 on Amazon. Do you agree?
Was this
answer
helpful?
Yes
No
Tuesday, November 5th, 2019 AT 3:19 PM
Tiny
KASEKENNY
  • MECHANIC
  • 18,907 POSTS
You can but that is not going to give you bus voltages. It may help if we have some circuit codes. Maybe it will point us to a specific connector.
Was this
answer
helpful?
Yes
No
+1
Tuesday, November 5th, 2019 AT 7:01 PM
Tiny
ROBERTMOGLIE
  • MEMBER
  • 21 POSTS
Tried to hook up cen-tech obd2 code reader to my 2009 van can't read it. Hooked up to 2010 same model van, no read. Hooked up to 2005 Colorado and it reads perfect. So I know the reader works just not on my vans says bad connection?
Was this
answer
helpful?
Yes
No
Friday, November 15th, 2019 AT 11:20 AM
Tiny
KASEKENNY
  • MECHANIC
  • 18,907 POSTS
No. The code reader will not communicate with this type of electrical system. You have what is called a Diag CAN C system which requires specific protocols for the tool to be able to communicate with the vehicle.
Was this
answer
helpful?
Yes
No
+1
Friday, November 15th, 2019 AT 7:32 PM
Tiny
ROBERTMOGLIE
  • MEMBER
  • 21 POSTS
I used a different code reader it's not as nice but it worked. It reads p0073 then i/m readiness dtc #1 in red color--cat x the x is red--Hcat shows a zero with a slash in it. Evap with red x. Ccm green check mark. Fue green check mark. Also reads cal 1: a2 90 b3 bf. I cleared codes then ran the van. Shut off key to on pos. Reran and the cat showed up---inc Hcat n/a evap inc.O2s --inc. Htr---inc egr--inc.
Was this
answer
helpful?
Yes
No
Saturday, November 16th, 2019 AT 8:17 AM
Tiny
KASEKENNY
  • MECHANIC
  • 18,907 POSTS
Okay. So I attached the test for this code. If you find that the issue causing this P0073 is a circuit issue you may find the issue for everything else.
Was this
answer
helpful?
Yes
No
Saturday, November 16th, 2019 AT 3:32 PM
Tiny
ROBERTMOGLIE
  • MEMBER
  • 21 POSTS
Kenny got a new one. 2010 Town and Country headlights come on then off. No code showing, wait an hour then they work. Wait on hour then goes on, back off?
Was this
answer
helpful?
Yes
No
Monday, December 16th, 2019 AT 1:00 PM
Tiny
KASEKENNY
  • MECHANIC
  • 18,907 POSTS
Sounds like a TIPM issue. However, we need to get a new post started because we can only have one issue per post so all others can find the solution to this issue if they have it. They won't find this specific issue under this heading.

https://www.2carpros.com/questions/new
Was this
answer
helpful?
Yes
No
+1
Wednesday, December 18th, 2019 AT 2:21 PM
Tiny
ROBERTMOGLIE
  • MEMBER
  • 21 POSTS
Measured all pins.
Was this
answer
helpful?
Yes
No
Saturday, March 14th, 2020 AT 3:07 PM
Tiny
ROBERTMOGLIE
  • MEMBER
  • 21 POSTS
Check pin 6 w/ground reads--3.O.
Check pin14 w/ground reads1.6 volts.
With key on, connecting 4 and 16 12.2 volts.
With key on, terminals 5 andc 16 read 14.2 volts.
With key on, go to 4 and 14 terminals it reads 1.6 volts.
With key on, measuring 4 and 6 terminals for can bus reads 3.0.
I think it should read 2.63.

OHMS:
inserted 6 and 14 probes-- measured 61.5 ohms
Was this
answer
helpful?
Yes
No
Saturday, March 14th, 2020 AT 5:03 PM
Tiny
KASEKENNY
  • MECHANIC
  • 18,907 POSTS
Pins 6 and 14 should equal about 5 volts and be around 2.7 and 2.3 volts. So if you are using a meter and getting 3 and 1.6 then you have an issue. At this point we need to continue to monitor this voltage and start unhooking the modules on CAN C one at a time and see when the voltage returns to normal.

I assume the last measurement you took for resistance on 6 and 14 was with the battery unhooked because that is a proper termination resistance on those two pins. If that is the case then that means you terminating resisting modules are good which if memory serves is the PCM and WIN.

If unhooking the modules does not result in any change then you most likely have a ground issue and based on the fact that this was in water, that may be the issue.
Was this
answer
helpful?
Yes
No
+1
Saturday, March 14th, 2020 AT 7:41 PM

Please login or register to post a reply.