Electrical

Tiny
FORRESTMORETZ
  • MEMBER
  • 2002 DODGE DURANGO
  • 4.7L
  • V8
  • 4WD
  • AUTOMATIC
  • 155,900 MILES
It stopped running. Odometer said no bus and check gauges. Odometer codes read 920, 921, and 999. It did start and run just a short while a couple of times, then quit. Then it stopped for good.
Tuesday, April 16th, 2019 AT 7:32 AM

1 Reply

Tiny
KASEKENNY
  • MECHANIC
  • 18,907 POSTS
Hi ForrestMoretz,

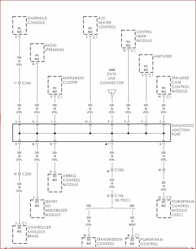
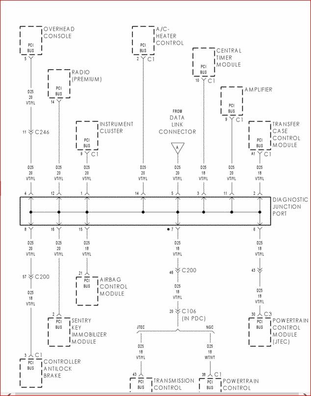
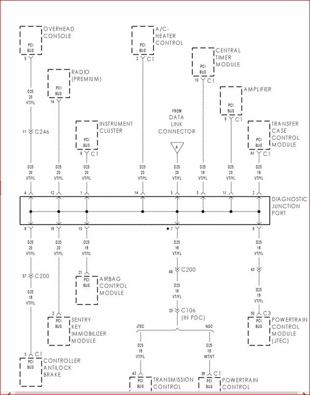
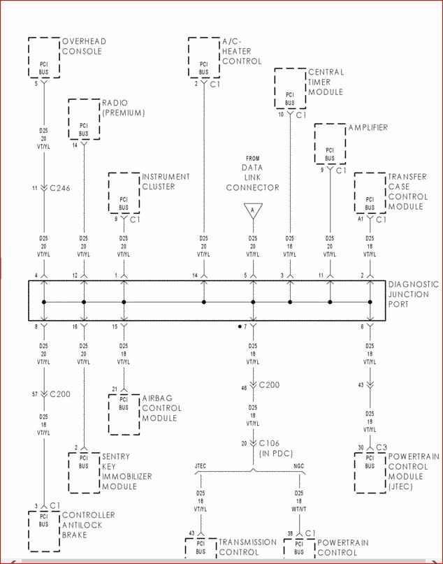
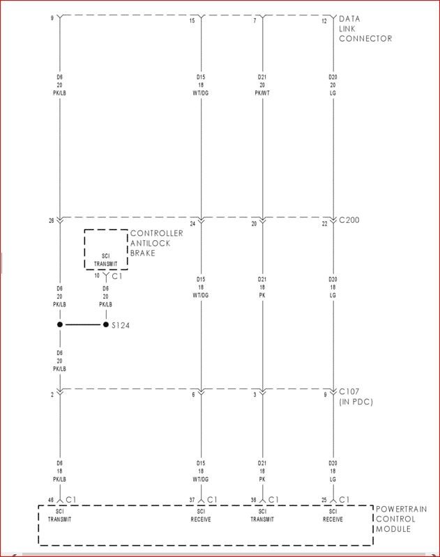
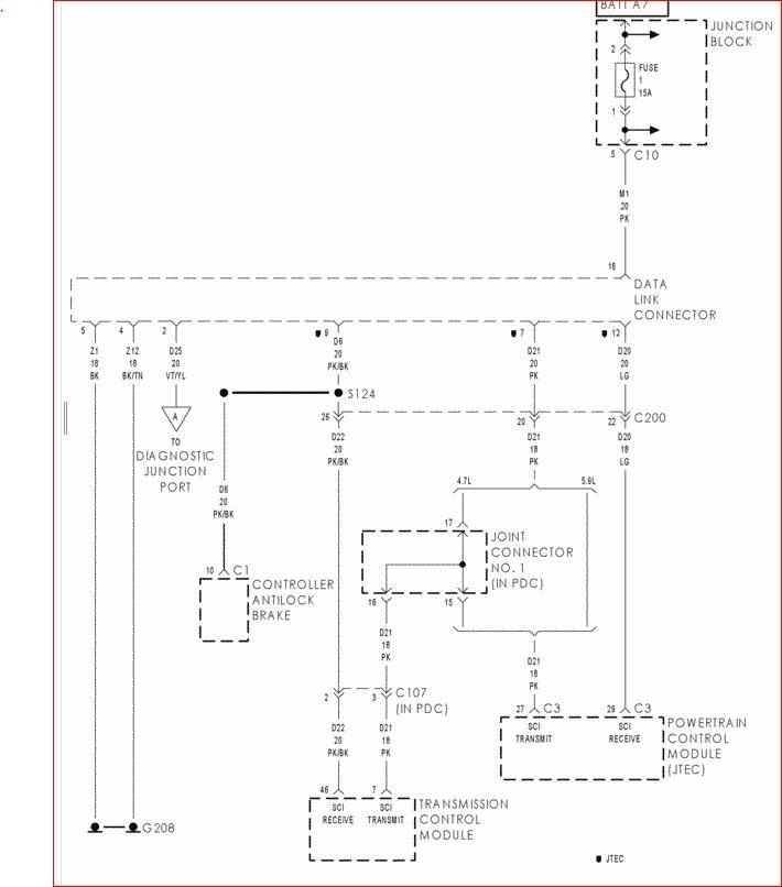
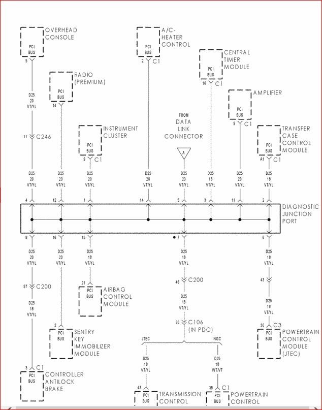
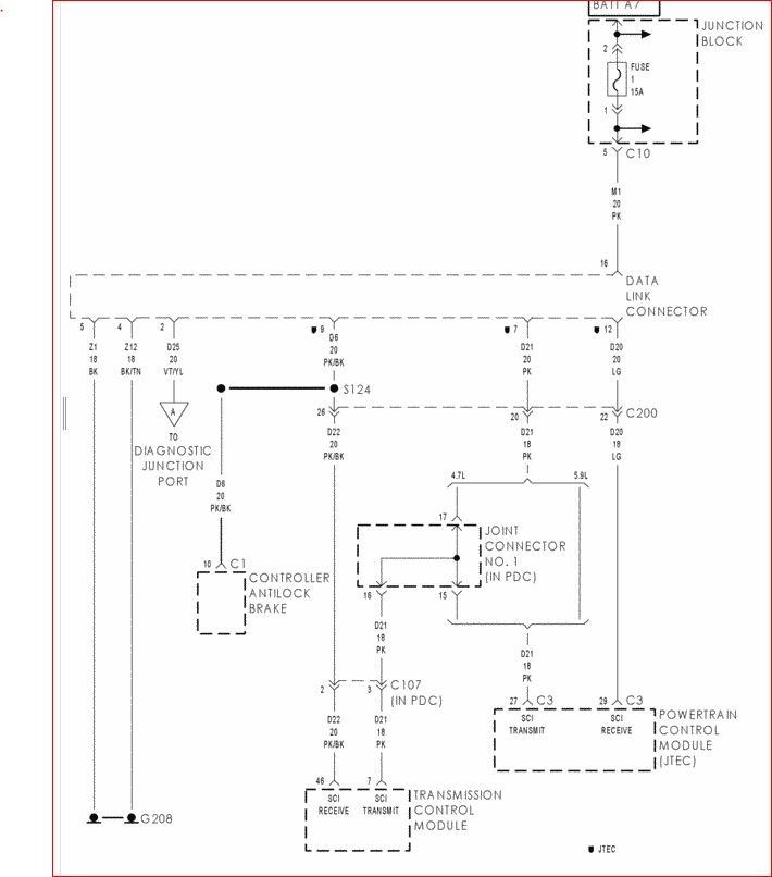
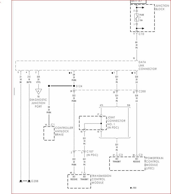
The fact that the cluster says no BUS means it cannot communicate via the communication network. These vehicles communicate via a PCI bus and they require what is called a terminating resistor. In this vehicle the PCM is that terminating resistor. My bet the PCM is "down" which prevents all other modules from communicating causing the message of "no bus."

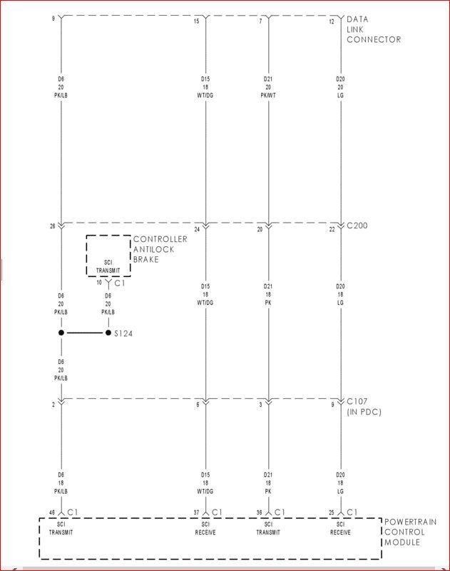
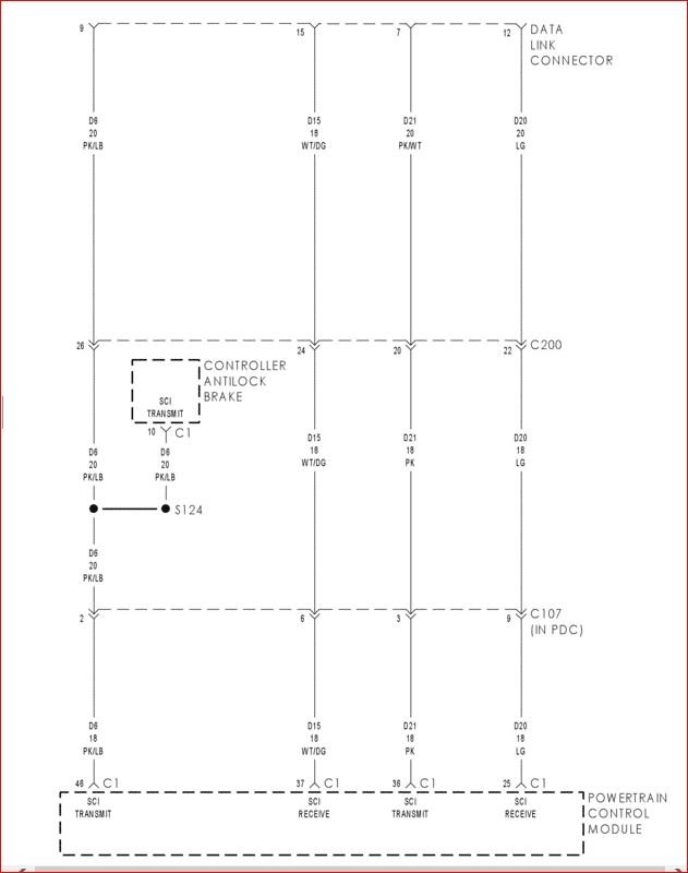
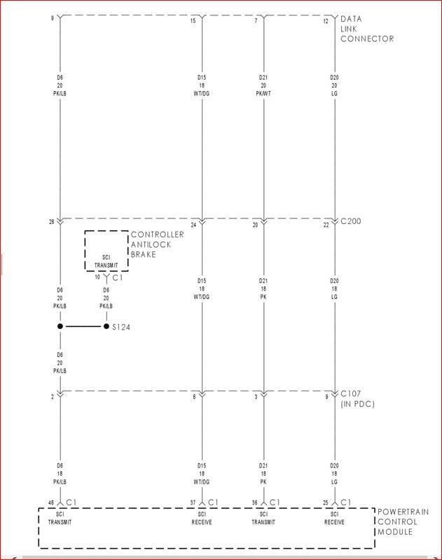
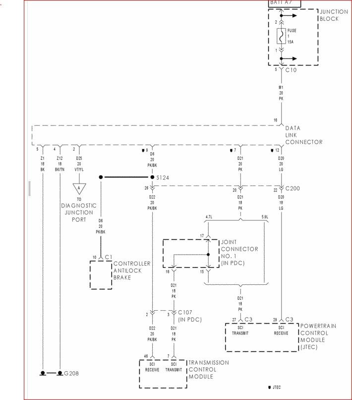
The other major possibility is the bus is shorted to ground. I have included your wiring diagram. If you go to the DLC and measure the PCI bus for a short to ground and then check your SCI communication wires as well.

However, the best way is to hook a scan tool to your DLC and see if you can even communicate with the PCM. My guess is you will not be able to and as long as you don't have a short to ground on your bus, the PCM is most likely your issue.

Here are some links to helpful resources if you want to start tackling this:

https://www.2carpros.com/articles/how-to-check-wiring

https://www.2carpros.com/articles/how-to-use-a-voltmeter
Was this
answer
helpful?
Yes
No
Wednesday, April 17th, 2019 AT 1:26 PM

Please login or register to post a reply.