Wipers and cruise control stopped working

Tiny
KIMBER69
  • MEMBER
  • 2006 DODGE STRATUS
  • 1.4L
  • 4 CYL
  • 2WD
  • AUTOMATIC
  • 200,000 MILES
My car one day it went crazy. The wipers and cruise control stopped working, and the right front signal blinks fast in the car but doesn't come on. I checked all the fuses inside the car and under the hood all were good. Checked the old bulb in the driver side signal and it worked fine. Also checked the wiper motor seemed okay. I know a little bit about cars but that's where I'm at. Thank goodness for Rainex.
Monday, October 26th, 2020 AT 12:45 AM

5 Replies

Tiny
JACOBANDNICKOLAS
  • MECHANIC
  • 110,194 POSTS
Hi,

The one thing that connects the wipers, signal, and CC together is the multi-function switch on the column. However, you indicated that the car doesn't come on. Do you mean the engine is not starting at this point?

If that is the case, I need to know if the starter is engaging and turning the engine.

As far as the wiper and other issues, I need you to not only check the fuses, but also confirm there is power to them and out from them. Here is a link that you may find helpful:

https://www.2carpros.com/articles/how-to-check-a-car-fuse

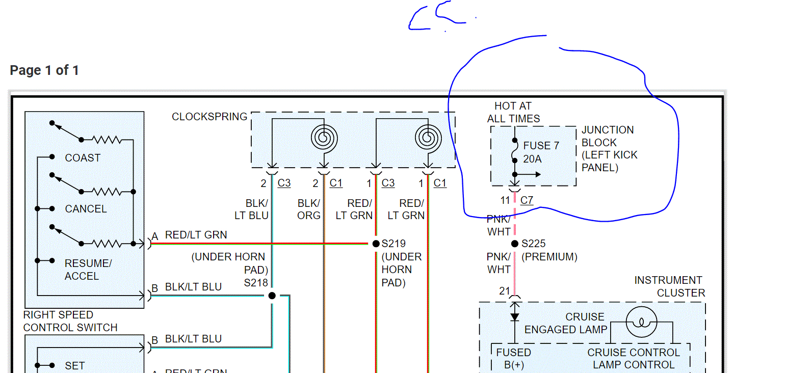
If you look at the attached pics, 1 -3 shows the fuses in the wiring schematics related to the concerns. Pic 1 is for the wipers, 2 is for the cruise control, and three the signals.

Pic 4 shows the fuses to check in the under hood power distribution box. Pic 5 shows the ones to check in the interior fuse box.

Let me know what you find. Also, let me know if the engine starting is an issue and if other things are working such as the headlamps, windows, fans, and so on.

Take care,
Joe
Was this
answer
helpful?
Yes
No
Monday, October 26th, 2020 AT 12:13 PM
Tiny
KIMBER69
  • MEMBER
  • 3 POSTS
The blinker light doesn't turn on. The car starts and everything except the three problems. I thought it might be the multi switch. Hopefully by this weekend it quits raining and warms up a bit so I can work on it. Thank you at least it's what we thought of.
Was this
answer
helpful?
Yes
No
Tuesday, October 27th, 2020 AT 8:53 PM
Tiny
JACOBANDNICKOLAS
  • MECHANIC
  • 110,194 POSTS
Hi,

If you plan to replace the multi-function switch, here are the directions. The attached pics correlate with the directions.

_______________

2006 Dodge Stratus Sedan L4-2.4L VIN X
Procedures
Vehicle Sensors and Switches Sensors and Switches - Lighting and Horns Combination Switch Service and Repair Procedures
PROCEDURES
REMOVAL
1. Disconnect and isolate the battery negative remote cable
2. Remove the upper steering column shroud Refer to Steering, Column, Shroud, Removal

Multi - Function Switch Mounting

Pic 1

3. Remove multi-function switch mounting screws
4. Disconnect wire connectors Lift the switch straight up to remove

INSTALLATION
Position the switch on the steering column and install the retaining screws.

1. Tighten multi-function switch to column retaining screws to 2.3 Nm (20 in lbs) torque
2. Install the steering shrouds and screws
3. Tighten steering column cover retaining screws to 2 Nm (17 in lbs) torque
4. Connect the battery negative cable

________________________

I hope this helps. Let me know if you have other questions.

Take care,
Joe
Was this
answer
helpful?
Yes
No
Wednesday, October 28th, 2020 AT 5:59 PM
Tiny
KIMBER69
  • MEMBER
  • 3 POSTS
Thank you very appreciated.
Was this
answer
helpful?
Yes
No
Wednesday, October 28th, 2020 AT 6:13 PM
Tiny
JACOBANDNICKOLAS
  • MECHANIC
  • 110,194 POSTS
Hi,

You are very welcome. Let me know if you have other questions. If you have a chance, let me know if this takes care of the issues.

Take care,
Joe
Was this
answer
helpful?
Yes
No
Wednesday, October 28th, 2020 AT 7:02 PM

Please login or register to post a reply.