Stereo and automatic door locks not working after removing the glove box

Tiny
J_CHRYSTLER_1993
  • MEMBER
  • 1993 CHRYSLER FIFTH AVENUE
  • 3.3L
  • 6 CYL
  • 2WD
  • AUTOMATIC
  • 190,000 MILES
I had to remove my glove box from the dash and in doing so saw a spark come from the glove box closed button. Now my stereo deck and automatic locks don't work. I've checked my Clive box fuse box and found no blown fuses also behind my stereo deck fuse is good. I believe I read somewhere I might have damaged the BCM when it shorted, but not an expert on electrical systems. What should I check next? Thank you
Thursday, January 13th, 2022 AT 3:09 PM

6 Replies

Tiny
AL514
  • MECHANIC
  • 5,595 POSTS
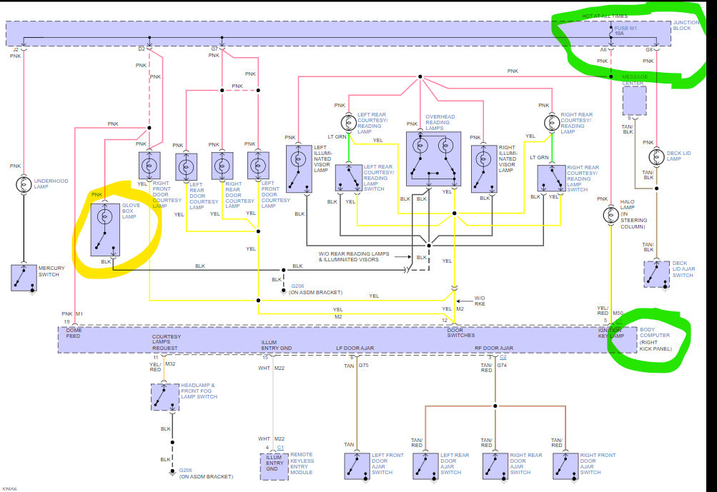
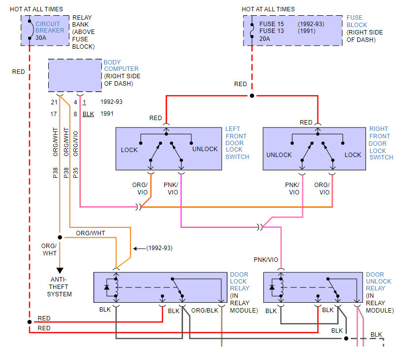
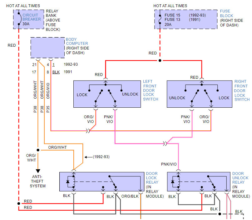
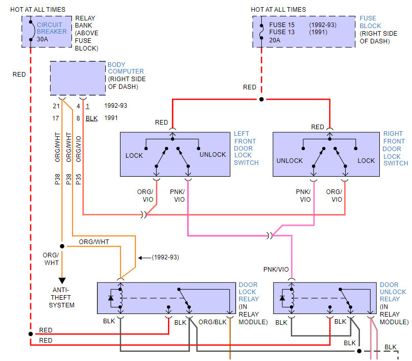
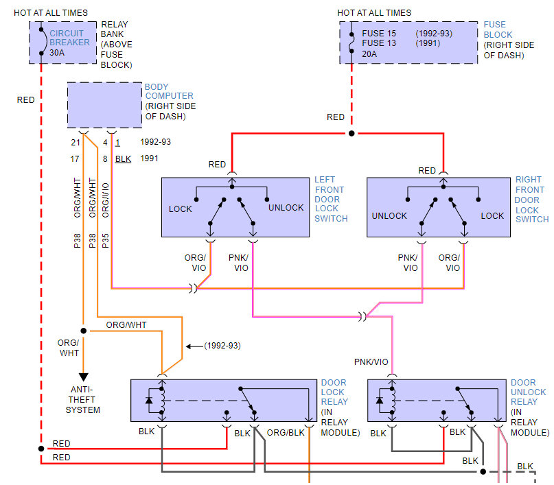
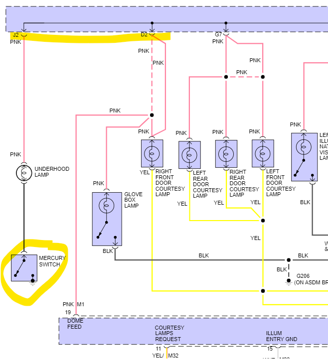
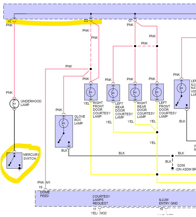
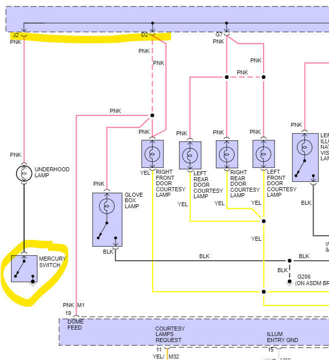
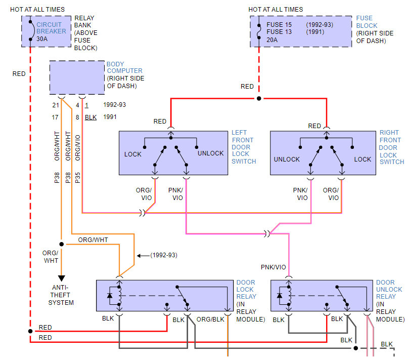
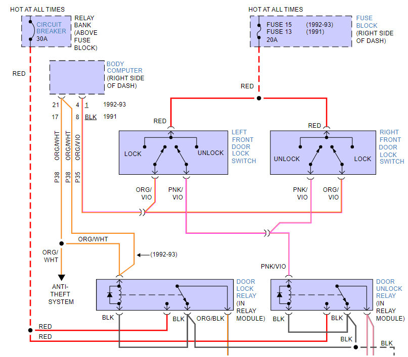
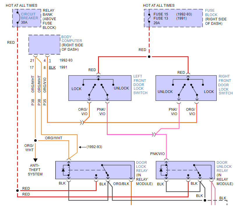
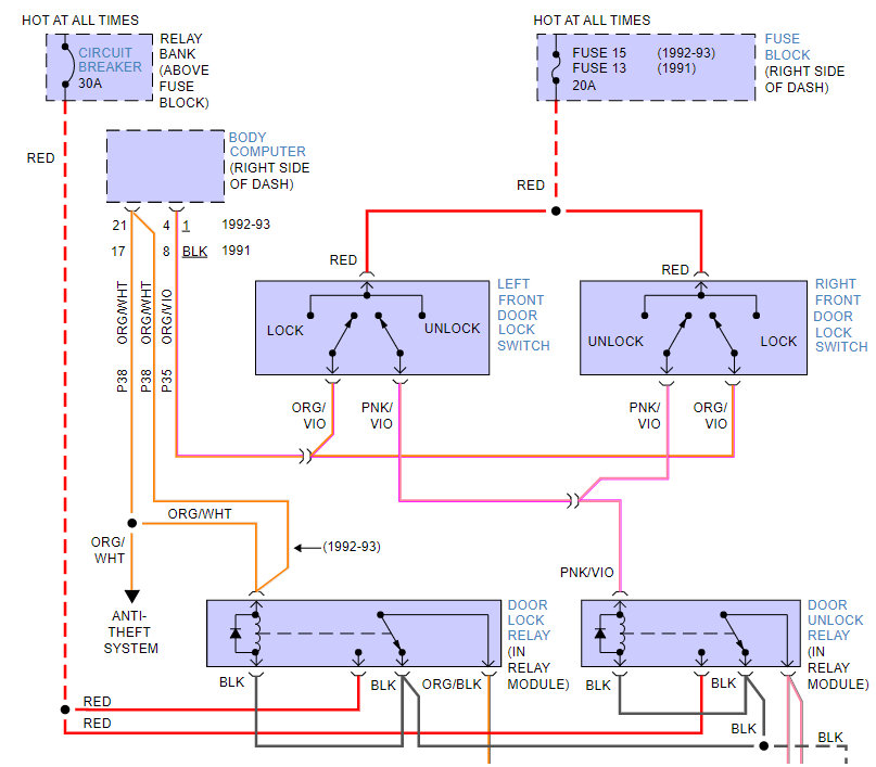
Hello, it's possible, but really the fuse for that circuit should have protected it. Did you remove the Fuses and actually check them closely, sometimes it's hard to see a blown fuse without a close look. Another possibility is in the third diagram you'll notice there is a Circuit Breaker, not a fuse. If that circuit breaker malfunctioned and didn't react to the short circuit, that could explain a damaged Body control module. Are there any other components in the car not working? I would think you would have additional failures.
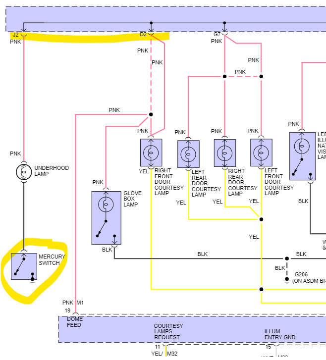
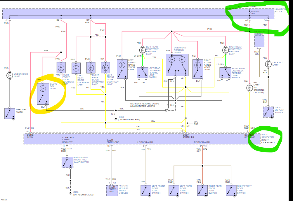
The Body control module controls the door locks, and the radio through different relays. In the second diagram you'll see the Body Control Module (BCM) Grounds the Park Lamp Relay to turn the relay on and the radio, but it also controls some exterior lighting and the A/C climate control module. Does the A/C work or any of the exterior lights not working?

https://www.2carpros.com/articles/how-to-check-a-car-fuse

https://www.2carpros.com/articles/how-to-check-an-electrical-relay-and-wiring-control-circuit
Was this
answer
helpful?
Yes
No
Thursday, January 13th, 2022 AT 5:13 PM
Tiny
CARADIODOC
  • MECHANIC
  • 34,483 POSTS
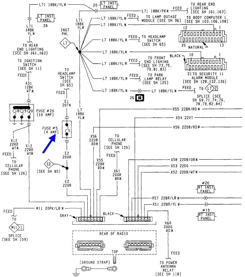
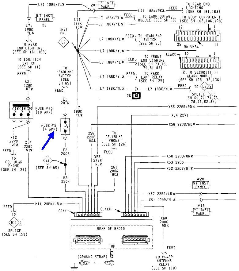
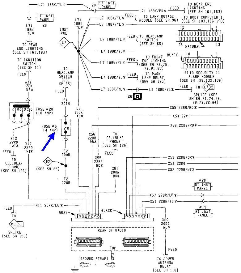
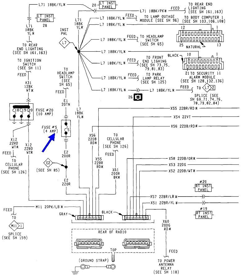
Double-check the fuse inside the glove box. Depending on the model number of the radio, they act differently when the fuse for the memory circuit is blown. Some work fine but revert to 12:00 and factory preset stations when you turn them on. Some tune normally but have no sound. Some will be totally dead. In almost all Chrysler products, that memory circuit is tied in with the interior lamp circuit, so there's no fuse labeled, "radio memory". Look for the "interior lights" fuse. In this case that's fuse number 5, a 4-amp shown in these drawings.

These diagrams are for the base radio system. The Premium system uses a remote-mounted amplifier, but the memory circuit is the same.

For the benefit of others researching this topic, this article shows how to test fuses:

https://www.2carpros.com/articles/how-to-check-a-car-fuse
Was this
answer
helpful?
Yes
No
Thursday, January 13th, 2022 AT 5:15 PM
Tiny
J_CHRYSTLER_1993
  • MEMBER
  • 8 POSTS
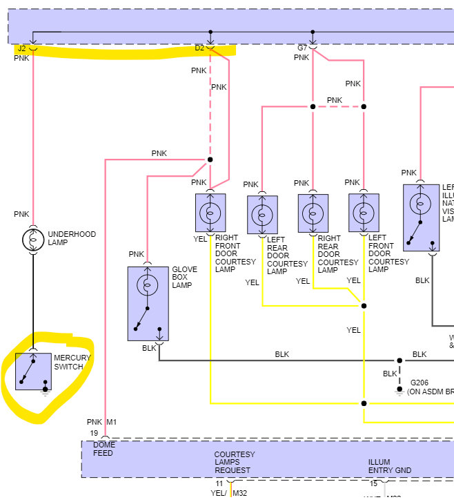
I took a closer look at all of the fuses in the glove box fuse box and there's none blown. I also removed the stereo deck and found a healthy 10A fuse in it. I don't believe there's any other electrical failures. The automatic seats, interior and exterior lights, A/C and heating all work along with horn and door ajar and seatbelt warning sounds. I did notice the bulb under my hood doesn't turn on anymore though and don't believe the bulbs burnout. If it's not a fuse what other possibilities are there?
Was this
answer
helpful?
Yes
No
Thursday, January 13th, 2022 AT 7:58 PM
Tiny
J_CHRYSTLER_1993
  • MEMBER
  • 8 POSTS
Is it possible that the wires that I originally touched causing the spark are still touching causing some kind of issue?
Was this
answer
helpful?
Yes
No
Thursday, January 13th, 2022 AT 8:00 PM
Tiny
AL514
  • MECHANIC
  • 5,595 POSTS
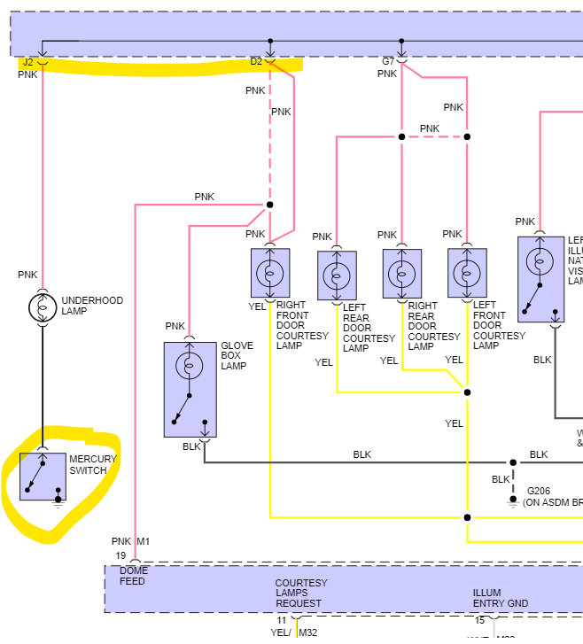
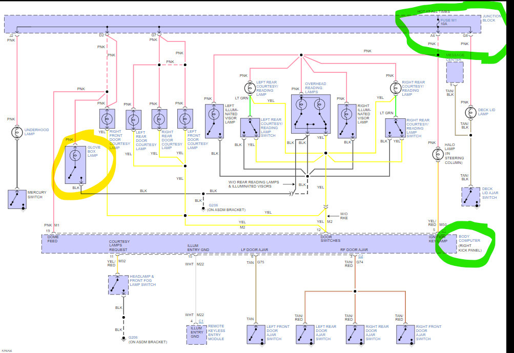
Can you unplug the glove box switch or take the bulb out? Disabling the circuit entirely and see if that restores any function. The hood lamp is fed by the same wire that feeds the glove box lamp. How did these wires spark to begin with? Are there loose wires behind you glove box just hanging there? All wires should have insolation on them to prevent them from touching any melted surfaces and shorting out. So, I would take a better look inside there and see if that pink wire burned up anywhere. It is possible that the circuit is still touching metal and that Circuit Breaker cannot reset because of that, it will just stay open circuit until the shorted wire is no longer over drawing current. That may be what's happening.
See the Circuit breaker in the top left in the second diagram, how it has a dotted line, which means that there is more to the circuit, it's just not shown.

https://www.2carpros.com/articles/how-to-use-a-test-light-circuit-tester
Was this
answer
helpful?
Yes
No
Thursday, January 13th, 2022 AT 8:49 PM
Tiny
CARADIODOC
  • MECHANIC
  • 34,483 POSTS
Also, if there's a fuse plugged in to the back of the radio, that is an aftermarket replacement radio, not an original. If it has a digital display, it must have two 12-volt feeds, one switched from the ignition switch to turn the radio on, and that other constant 12 volts to maintain the station presets and clock memory. The harness for this radio is spliced to the car's original radio harness. The two wires in question are a red wire for the switched 2 volts, and the pink wire for the constant memory 12 volts.

It's the pink wire we're concerned with. Rather than tearing a splice apart, that wire feeds the red 10-amp fuse on the back of the radio. Those fuses have two very small test points on top. You must have 12 volts on both of them. If it's missing on both, that will explain why the radio is dead. Don't worry about the radio in that case. It will work again once the glove box light issue is solved.

A test light works best for this type of problem. You can use a digital voltmeter too, but under the right conditions, they can give false readings if the plug is disconnected from the radio when the readings.are taken at that plug.

https://www.2carpros.com/articles/how-to-use-a-test-light-circuit-tester
Was this
answer
helpful?
Yes
No
Friday, January 14th, 2022 AT 6:01 PM

Please login or register to post a reply.